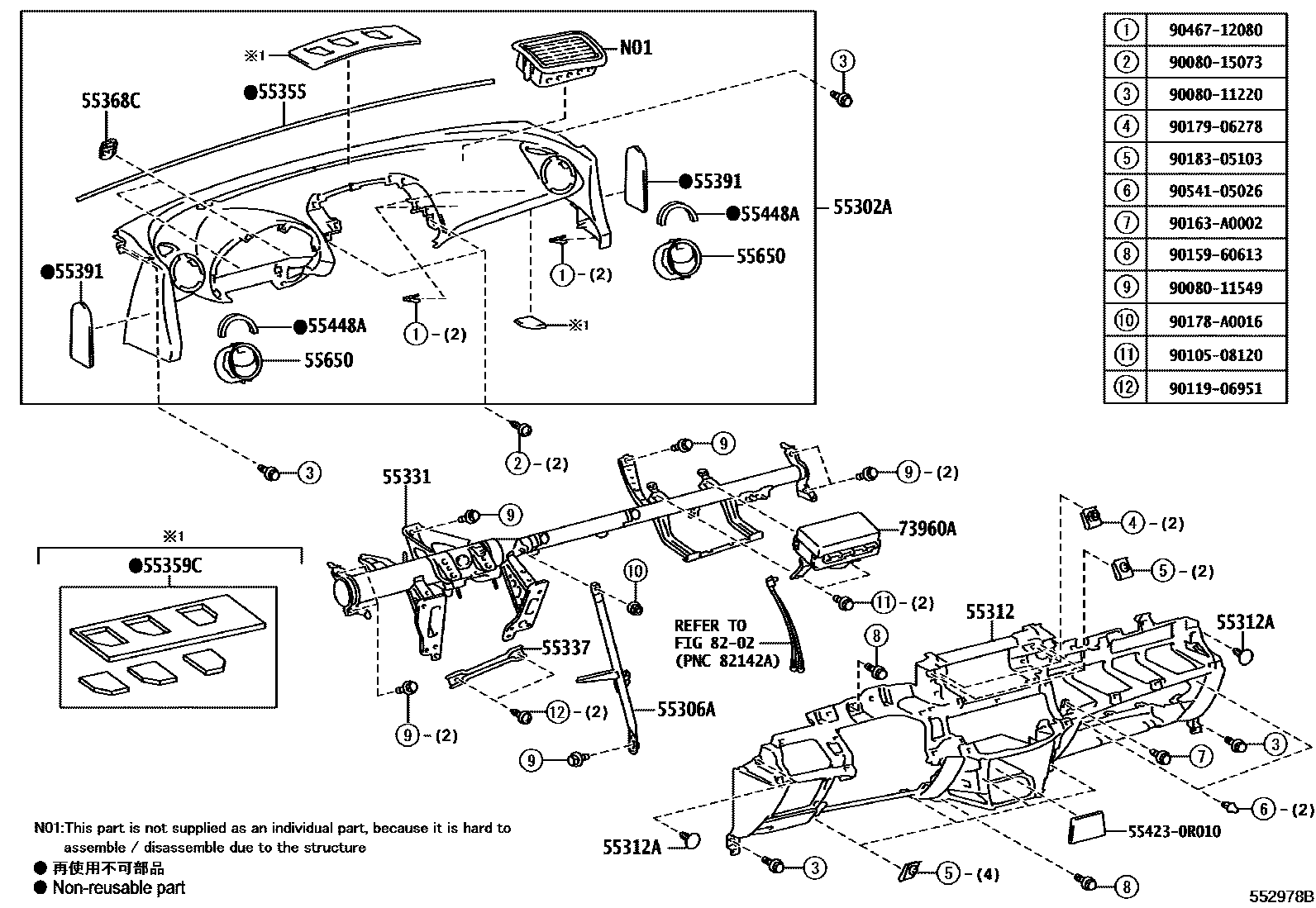
INSTRUMENT PANEL & GLOVE COMPARTMENT

55302APANEL SUB-ASSY, INSTRUMENT, UPPER
DR GRAY,TRIM1#
55306ABRACE SUB-ASSY, INSTRUMENT PANEL, NO.1
55312PANEL, INSTRUMENT, LOWER
GRAY,TRIM1#
55312ACLIP, INSTRUMENT PANEL
DK.GRAY
55331REINFORCEMENT, INSTRUMENT PANEL
55337REINFORCEMENT, INSTRUMENT PANEL SUB
55355CUSHION, INSTRUMENT PANEL, NO.1
55359CCOSHION, INSTRUMENT PANEL, NO.5
55368CBRACKET, METER MOUNTING
55391CUSHION, INSTRUMENT PANEL, LOWER NO.1
55448ACUSHION, INSTRUMENT PANEL FINISH, NO.1
55650REGISTER ASSY, INSTRUMENT PANEL, NO.1
GRAY,TRIM1#
73960AAIRBAG ASSY, INSTRUMENT PANEL PASSENGER W/O DOOR
8202WIRING & CLAMP
554230R010PANEL, STEREO PLAYER FINISH
main55423-0R010
9008011220
main90080-11220
9008011549
main90080-11549
9008015073
main90080-15073
9010508120
main90105-08120
9011906951
main90119-06951
9015960613
main90159-60613
90163A0002
main90163-A0002
90178A0016
main90178-A0016
9017906278
main90179-06278
9018305103
main90183-05103
9046712080
main90467-12080
9054105026
main90541-05026
27 parts on this diagram · 4 diagrams in section