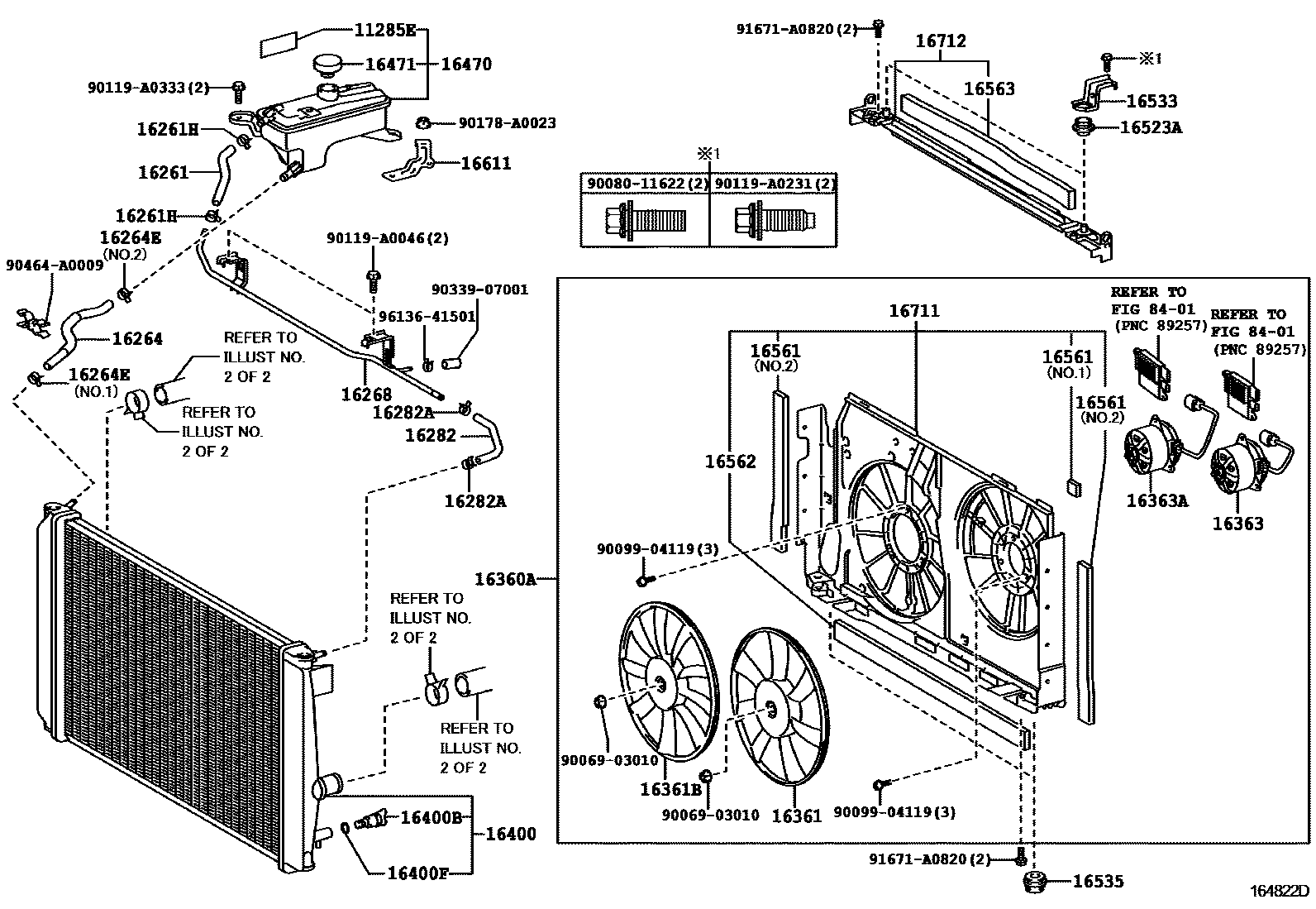
RADIATOR & WATER OUTLET

11285ELABEL, COOLANT SYSTEM INFORMATION
16261HOSE, WATER BY-PASS
16261HCLIP(FOR WATER BY-PASS HOSE NO.1)
16264HOSE, WATER BY-PASS, NO.2
16264ECLIP(FOR WATER BY-PASS HOSE NO.2)
NO.1
NO.2
NO.2
16268PIPE, WATER BY-PASS, NO.1
16282HOSE, WATER BY-PASS, NO.5
16282ACLAMP OR CLIP(FOR WATER BY-PASS HOSE NO.5)
16360AFAN ASSY, W/MOTOR
16361FAN
16361BFAN, NO.2
16363MOTOR, COOLING FAN
16363AMOTOR, COOLING FAN, NO.2
16400RADIATOR ASSY
16400BPLUG, RADIATOR DRAIN COCK
16400FPACKING(FOR RADIATOR DRAIN COCK)
16470TANK ASSY, RADIATOR RESERVE
16471CAP SUB-ASSY, RESERVE TANK
subG9258-28012
16523ACUSHION, RADIATOR SUPPORT
16533SUPPORT, RADIATOR, UPPER
16535SUPPORT, RADIATOR, LOWER
16561SEAL, RADIATOR TO SUPPORT, NO.1
NO.1
NO.2
16562SEAL, RADIATOR TO SUPPORT, NO.2
16563SEAL, RADIATOR TO SUPPORT, NO.3
16611BRACKET, RADIATOR RESERVE TANK
16711SHROUD, FAN
16712SHROUD, FAN, NO.2
8401
9006903010
main90069-03010
9008011622
main90080-11622
9009904119
main90099-04119
90119A0046
main90119-A0046
90119A0231
main90119-A0231
90119A0333
main90119-A0333
90178A0023
main90178-A0023
9033907001
main90339-07001
90464A0009
main90464-A0009
91671A0820
main91671-A0820
9613641501
main96136-41501
39 parts on this diagram · 2 diagrams in section