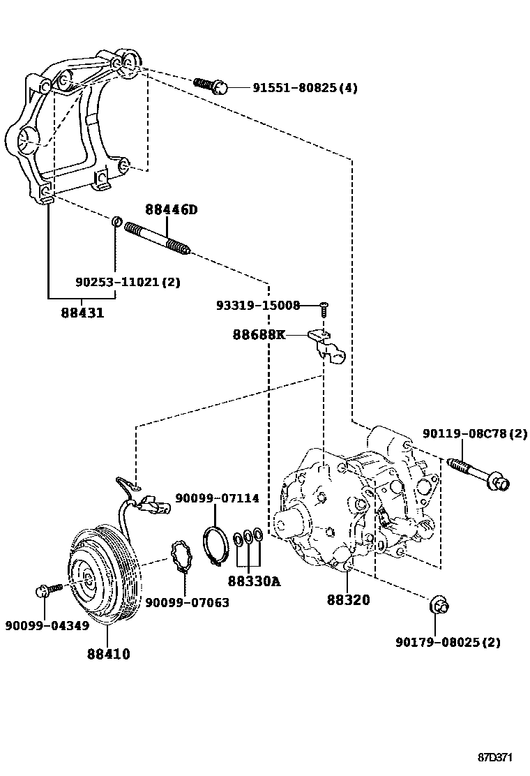
HEATING & AIR CONDITIONING - COMPRESSOR

88330AWASHER (FOR MAGNET CLUTCH)
88410CLUTCH ASSY, MAGNET
88431BRACKET, COMPRESSOR MOUNTING, NO.1
88446DBOLT, COOLER
88688KBRACKET, COOLER COMPRESSOR
9009904349
main90099-04349
9009907063
main90099-07063
9009907114
main90099-07114
9011908C78
main90119-08C78
9017908025
main90179-08025
9025311021
main90253-11021
9155180825
main91551-80825
9331915008
main93319-15008
14 parts on this diagram · 3 diagrams in section