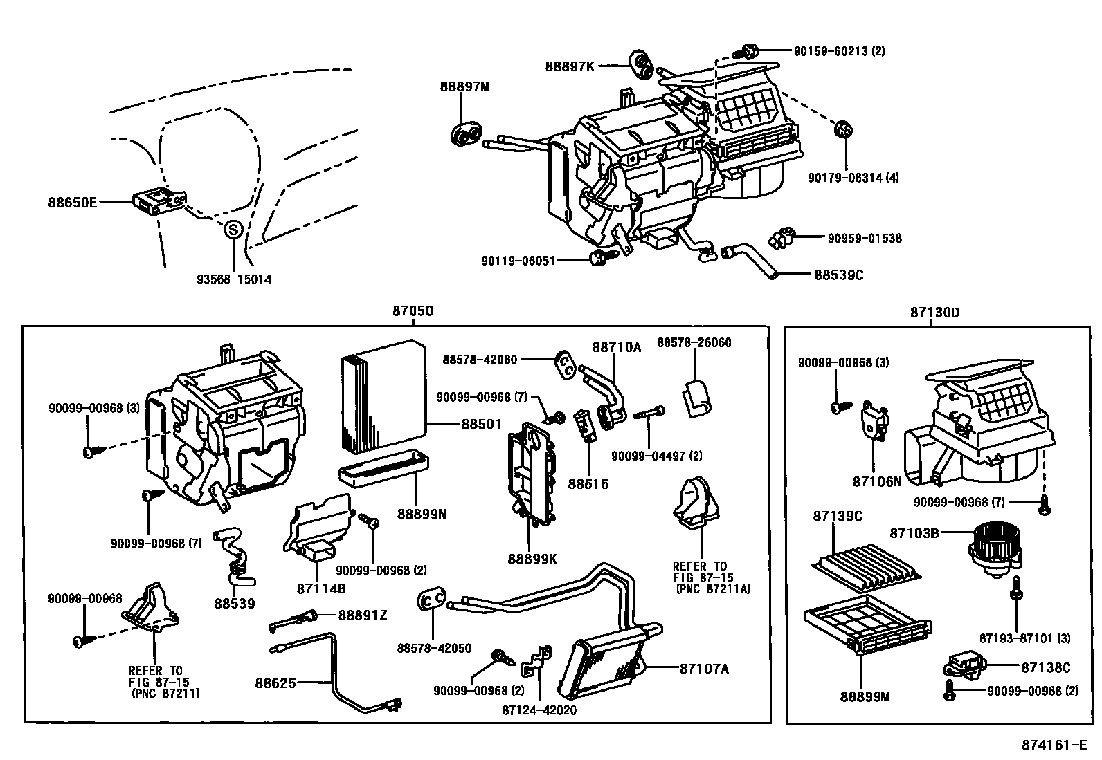
HEATING & AIR CONDITIONING - COOLER UNIT

87050RADIATOR ASSY, AIR CONDITIONER
COLD SPEC & W(AIR CONDITIONER); W(AIR CONDITIONER)
W(AIR CONDITIONER)
COLD SPEC
COLD SPEC & W(AIR CONDITIONER); W(AIR CONDITIONER)
W(AIR CONDITIONER)
87106NSERVO SUB-ASSY, DAMPER(FOR RECIRCULATION)
87107AUNIT SUB-ASSY, HEATER RADIATOR
87114BCOVER, HEATER
87138CRESISTOR, BLOWER
87139CFILTER, CLEAN AIR
8715HEATING & AIR CONDITIONING - CONTROL & AIR DUCT
88501EVAPORATOR SUB-ASSY, COOLER, NO.1
MAKER OPTION
DEALER OPTION
88515VALVE, COOLER EXPANSION
MAKER OPTION
88539HOSE, COOLER UNIT DRAIN, NO.1
88539CHOSE, COOLER UNIT DRAIN, NO.2
88625THERMISTOR, COOLER, NO.1
88650EAMPLIFIER ASSY, AIR CONDITIONER, NO.1
88710ATUBE ASSY, AIR CONDITIONER
88891ZBRACKET, COOLER THERMISTOR
88897KGROMMET, (FOR COOLER PIPE)
88897MGROMMET (FOR HEATER PIPE)
88899KPLATE, COVER
W(AIR CONDITIONER)
88899MPLATE, COVER(FOR AIR FILTER)
88899NPLATE, COVER
8712442020CLAMP, HEATER
main87124-42020
8719387101
main87193-87101
8857826060PAKING, COOLER AIR DUCT
main88578-26060
8857842050PAKING, COOLER AIR DUCT
main88578-42050
8857842060PAKING, COOLER AIR DUCT
main88578-42060
9009900968
main90099-00968
9009904497
main90099-04497
9011906051
main90119-06051
9015960213
main90159-60213
9017906314
main90179-06314
9095901538
main90959-01538
9356815014
main93568-15014
34 parts on this diagram · 5 diagrams in section