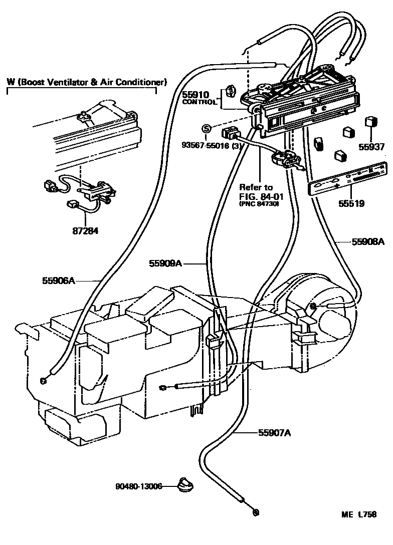
HEATING & AIR CONDITIONING - CONTROL & AIR DUCT

55519PLATE, HEATER CONTROL NAME
sub55519-28220
55906ACABLE SUB-ASSY, DEFROSTER DAMPER CONTROL
55907ACABLE SUB-ASSY, WATER VALVE CONTROL
55908ACABLE SUB-ASSY, AIR INLET DAMPER CONTROL
55909ACABLE SUB-ASSY, AIRMIX DAMPER CONTROL
55910CONTROL ASSY, HEATER OR BOOST VENTILATOR
55937KNOB, HEATER CONTROL LEVER
W(DUAL AIR CON. & RR HEATER)
8401
87284RESISTOR SUB-ASSY, VARIABLE
9048013006
main90480-13006
9356755016
main93567-55016
11 parts on this diagram · 5 diagrams in section