E
EPC Data

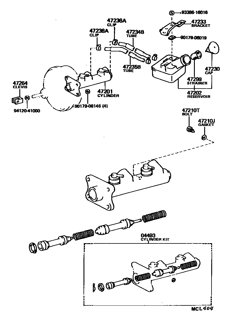
BRAKE MASTER CYLINDER

Parts diagram
04493CYLINDER KIT, BRAKE MASTER
main04493-28060×2i198808-199001
47201CYLINDER SUB-ASSY, BRAKE MASTER
main47201-28160×2i198808-199001
47202RESERVOIR SUB-ASSY, BRAKE MASTER CYLINDER
main47220-28120i198808-199001
main47220-28130i198808-199001
47210JGASKET(FOR MASTER CYLINDER)
main90430-06104×2i198808-199001
47210TBOLT(FOR BRAKE MASTER CYLINDER)
main90109-06008×2i198808-199001
47230CAP ASSY, BRAKE MASTER CYLINDER RESERVOIR FILLER
main47230-28010i198808-199001
47233BRACKET, RESERVOIR
main47233-28050i198808-199001
47234BTUBE, RESERVOIR, NO.1
main47234-28070i198808-199001
47235BTUBE, BRAKE MASTER CYRINDER RESERVOIR, NO.2
main47235-28070i198808-199001
47236ACLIP(FOR RESERVOIR TUBE)
main90467-16002×4i198808-199001
47264CLEVIS, MASTER CYLINDER PUSH ROD
main47264-10080×2i198808-199001
47299STRAINER, BRAKE MASTER CYLINDER RESERVOIR
main47299-28010i198808-199001
9017906019
9017908146
9338616016
9412041000

16 parts on this diagram · 1 diagram in section

BRAKE MASTER CYLINDER — Toyota Parts Diagram with OEM Numbers & Prices | EPC Data