E
EPC Data

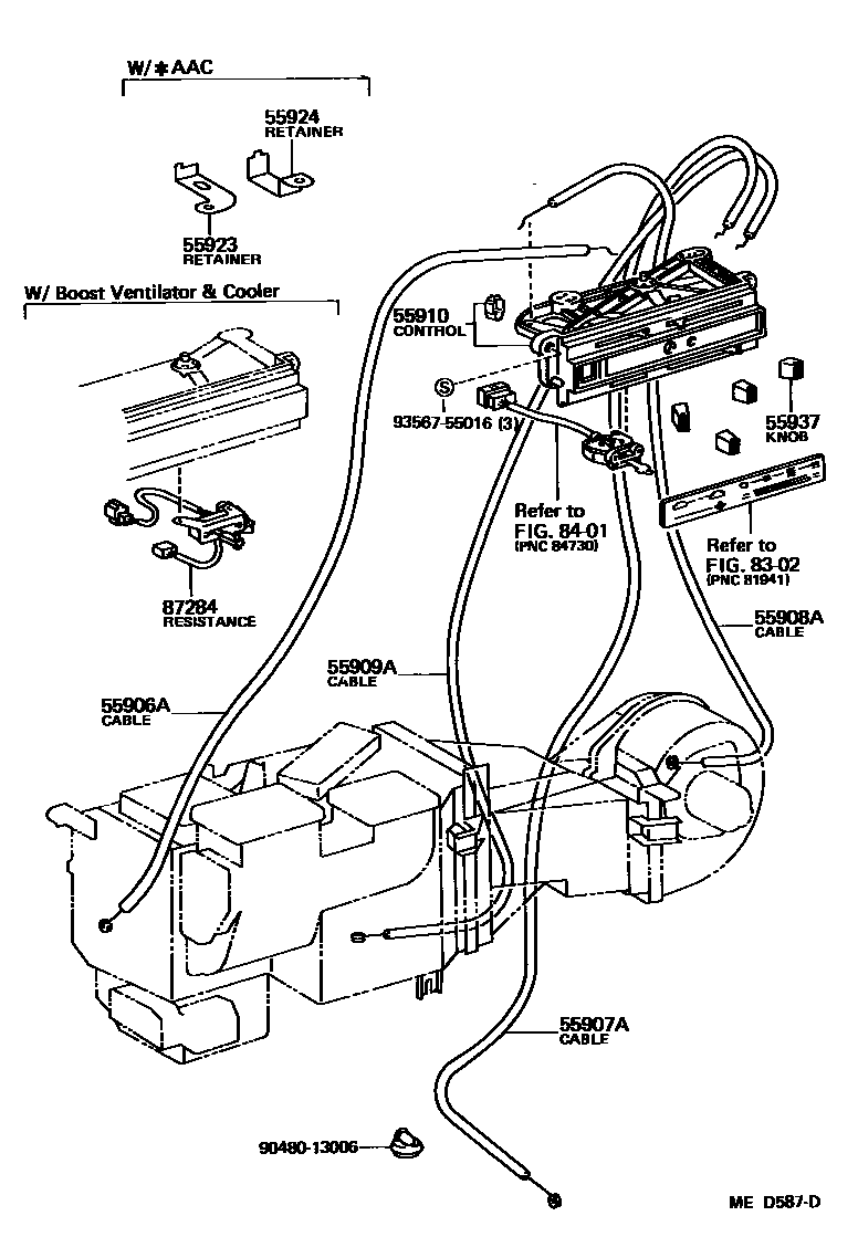
HEATING & AIR CONDITIONING - CONTROL & AIR DUCT

Parts diagram
55906CABLE SUB-ASSY, HEATER CONTROL
main55906-28020i198308-198808
55906ACABLE SUB-ASSY, DEFROSTER DAMPER CONTROL
main55906-28030i198512-198808
main55906-87004i198308-198512
55907ACABLE SUB-ASSY, WATER VALVE CONTROL
main55907-28010i198308-198808
main55907-28020i198508-198608
W/*AAC
55908ACABLE SUB-ASSY, AIR INLET DAMPER CONTROL
main55908-87003i198308-198508
main55908-87004i198508-198808
55909ACABLE SUB-ASSY, AIRMIX DAMPER CONTROL
main55909-28010i198308-198808
FR HEATER
main55909-28022i198308-198808
RR HEATER
main55909-28030i198508-198608
FR,W/*AAC
main55909-28040i198508-198608
RR,W/*AAC
55910CONTROL ASSY, HEATER OR BOOST VENTILATOR
main55910-28010-02i198308-198502
RR,W/FR & RR COOLER,WINE,RED/MAROON,TRIM4#
main55910-28010-04i198308-198502
RR,W/FR & RR COOLER,BLUE,BLUE,TRIM1#
main55910-28011-02i198502-198508
RR,W/FR & RR COOLER,WINE,WINE,TRIM4#
main55910-28011-03i198608-198808
RR,W/RR COOLER,GRAY,SHADOW GRAY,TRIM1#
main55910-28011-04i198502-198508
RR,W/FR & RR COOLER,BLUE,BLUE,TRIM1#
main55910-28011-06i198508-198808
RR,W/RR COOLER,BROWN,BROWN,TRIM4#
main55910-28011-14i198508-198608
RR,W/RR COOLER,BLUE,BLUE,TRIM1#,8#
main55910-28020-02i198308-198502
RR,WINE,RED/MAROON,TRIM4#
main55910-28020-04i198308-198508
RR,BLUE,BLUE,TRIM1#
main55910-28021-02i198502-198508
RR,WINE,WINE,TRIM4#
main55910-28021-03i198608-198808
RR,GRAY,SHADOW GRAY,TRIM1#
main55910-28021-06i198508-198808
RR,BROWN,BROWN,TRIM4#
main55910-28021-14i198508-198808
RR,BLUE,BLUE,TRIM1#,4#,8#
main55910-28040-04i198508-198608
RR,W/*AAC,BLUE,BLUE,TRIM4#
main55910-28040-04i198508-198608
RR,W/*AAC,BLUE,BLUE,TRIM8#
main55910-28040-06i198508-198608
RR,W/*AAC,BROWN,BROWN,TRIM4#
main55910-28050i198502-198808
FR,W/BOOST VENTILATOR
main55910-28060i198502-198808
FR,W/BOOST VENTILATOR & COOLER
main55910-87006i198308-198504
FR,W/FR HEATER
main55910-87008i198308-198502
FR,W/BOOST VENTILATOR
main55910-87012i198308-198502
FR,W/BOOST VENTILATOR & COOLER
main55910-87018i198504-198808
FR,W/FR HEATER
55923RETAINER, HEATER CONTROL, UPPER
main55923-28010i198508-198608
W/*AAC
55924RETAINER, HEATER CONTROL, LOWER
main55924-28010i198508-198608
W/*AAC
55937KNOB, HEATER CONTROL LEVER
main55905-12060i198308-198808
main55905-89110i198408-198808
RR
8302
8401
87284RESISTOR SUB-ASSY, VARIABLE
main88032-28010i198508-198608
FR,W/*AAC
main88032-28021i198508-198808
RR
main88622-28010i198508-198808
FR,W/BOOST VENTILATOR
main88622-28010i198308-198508
W/BOOST VENTILATOR
main88622-87001i198308-198508
ROOF DUCT
9048013006
9356755016

14 parts on this diagram · 8 diagrams in section

HEATING & AIR CONDITIONING - CONTROL & AIR DUCT — Toyota Parts Diagram with OEM Numbers & Prices | EPC Data