E
EPC Data

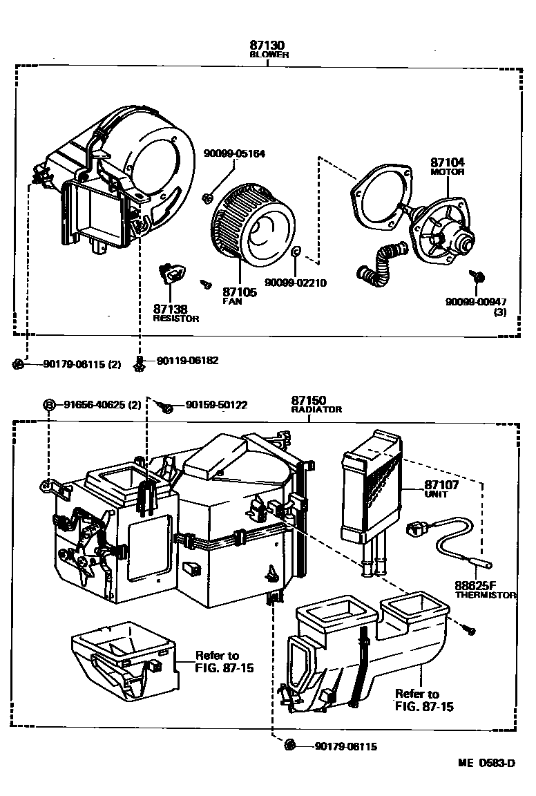
HEATING & AIR CONDITIONING - HEATER UNIT & BLOWER

Parts diagram
87104MOTOR SUB-ASSY, HEATER BLOWER
main87104-28010i198308-198808
87105FAN SUB-ASSY, HEATER BLOWER
main87105-12060i198308-198808
87107UNIT SUB-ASSY, HEATER RADIATOR
main87107-28010i198308-198403
main87107-28030i198403-198808
COLD SPEC
main87107-28040i198508-198608
W/*AAC
87130BLOWER ASSY, HEATER, FRONT
main87130-28010i198308-198508
main87130-28051i198508-198808
87138RESISTOR, HEATER BLOWER
main87138-87009i198308-198808
8715HEATING & AIR CONDITIONING - CONTROL & AIR DUCT
87150RADIATOR ASSY, HEATER
main87150-28010i198403-198508
main87150-28040i198403-198508
COLD SPEC
main87150-28071i198508-198608
COLD SPEC
main87150-28101i198508-198608
W/*AAC
main87150-28110i198508-198608
main87150-28160i198608-198808
COLD SPEC
main87150-28180i198608-198808
88625FSENSOR, TEMPERATURE
main88625-28040i198508-198608
W/*AAC
9009900947
9009902210
9009905164
9011906182
9015950122
9017906115
9165640625

15 parts on this diagram · 3 diagrams in section

HEATING & AIR CONDITIONING - HEATER UNIT & BLOWER — Toyota Parts Diagram with OEM Numbers & Prices | EPC Data