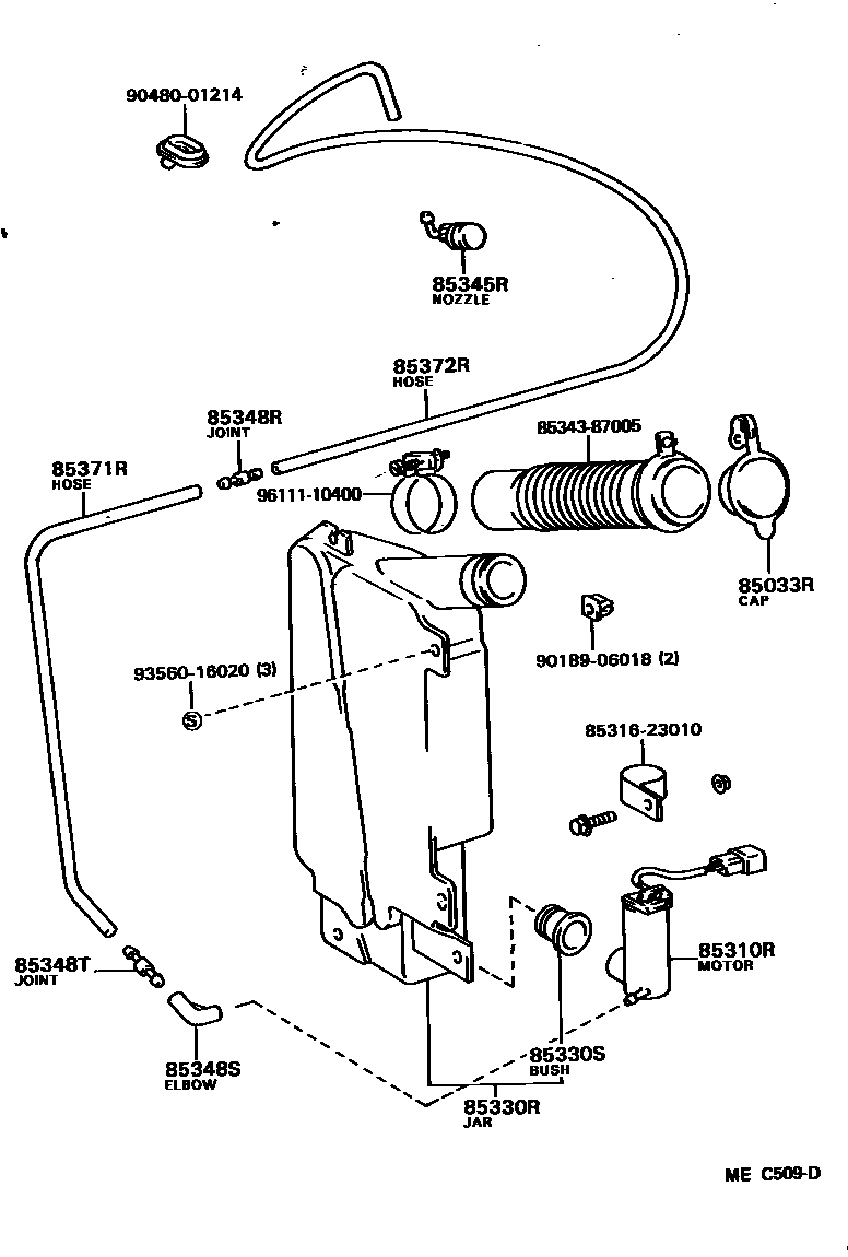
REAR WASHER

85033RCAP ASSY, REAR WASHER
85310RMOTOR ASSY, REAR WASHER
85330RJAR ASSY, REAR WASHER
85330SBUSH, REAR WASHER JAR
85345RNOZZLE, REAR WASHER
85348RJOINT, REAR WASHER HOSE, NO.1
85348SJOINT, REAR WASHER ELBOW, NO.1
85348TJOINT, REAR WASHER HOSE, NO.2
85371RHOSE, REAR WASHER (FROM MOTOR TO JOINT)
L=1000(*H,L=400)
L=1000
85372RHOSE, REAR WASHER (FROM JOINT TO JOINT OR NOZZLE)
L=1000(*H,L=150)
8531623010SUPPORT, WINDSHIELD WASHER MOTOR
main85316-23010
8534387005HOSE, WINDSHIELD WASHER SUCTION
main85343-87005
9018906018
main90189-06018
9048001214
main90480-01214
9356016020
main93560-16020
9611110400
main96111-10400
16 parts on this diagram · 2 diagrams in section