E
EPC Data

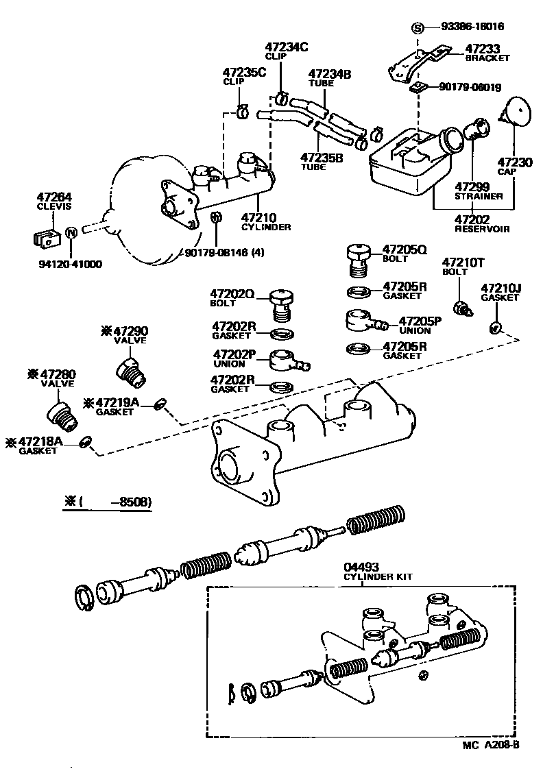
BRAKE MASTER CYLINDER

Parts diagram
04493CYLINDER KIT, BRAKE MASTER
main04493-27070i198308-198508
main04493-28060i198508-198808
47202RESERVOIR SUB-ASSY, BRAKE MASTER CYLINDER
main47220-28061i198308-198508
main47220-28071i198308-198508
main47220-28120i198508-198808
main47220-28130i198508-198808
47202PUNION, RESERVOIR(FOR BRAKE MASTER CYLINDER SIDE)
main90405-10003i198308-198808
47202QBOLT, RESERVOIR UNION(FOR BRAKE MASTER CYLINDER SIDE)
main90401-16002i198308-198808
47202RGASKET, RESERVOIR UNION(FOR BRAKE MASTER CYLINDER SIDE)
main90430-16242×2i198308-198808
47205PUNION, RESERVOIR(FOR BRAKE MASTER CYLINDER REAR SIDE)
main90405-10003i198308-198808
47205QBOLT, RSVR UNION, NO.2(FOR BRAKE MASTER CYLINDER RR SIDE)
main90401-16002i198308-198808
47205RGASKET, RESERVOIR UNION(FOR BRAKE MASTER CYLINDER REAR SIDE)
main90430-16242×2i198308-198808
47210CYLINDER ASSY, MASTER, W/O BOOSTER
main47201-28060i198308-198508
main47201-28090i198508-198808
47210JGASKET(FOR MASTER CYLINDER)
main90430-06104i198308-198808
47210TBOLT(FOR BRAKE MASTER CYLINDER)
main90109-06008i198308-198808
47218AGASKET(FOR FLUID OUTLET PLUG)
main90430-09253i198308-198508
47219AGASKET(FOR FLUID OUTLET PLUG REAR SIDE)
main90430-09253i198308-198508
47230CAP ASSY, BRAKE MASTER CYLINDER RESERVOIR FILLER
main47230-28010i198308-198808
47233BRACKET, RESERVOIR
main47233-28030i198308-198508
main47233-28050i198508-198808
47234BTUBE, RESERVOIR, NO.1
main47234-28040i198308-198508
main47234-28070i198508-198808
47234CCLIP(FOR RESERVOIR TUBE NO.1)
main90467-16002×2i198508-198808
main90467-16141×2i198308-198508
47235BTUBE, BRAKE MASTER CYRINDER RESERVOIR, NO.2
main47235-28040i198308-198508
main47235-28070i198508-198808
47235CCLIP(FOR BRAKE MASTER CYLINDER RESERVOIR TUBE NO.2)
main90467-16002×2i198508-198808
main90467-16141×2i198308-198508
47264CLEVIS, MASTER CYLINDER PUSH ROD
main47264-10080i198308-198808
47280VALVE ASSY, BRAKE MASTER CYLINDER OUTLET CHECK
main47280-26030i198308-198508
47290VALVE ASSY, MASTER CYLINDER OUTLET(FOR REAR SIDE)
main47280-26030i198308-198508
47299STRAINER, BRAKE MASTER CYLINDER RESERVOIR
main47299-28010i198308-198808
9017906019
9017908146
9338616016
9412041000

27 parts on this diagram · 1 diagram in section

BRAKE MASTER CYLINDER — Toyota Parts Diagram with OEM Numbers & Prices | EPC Data