E
EPC Data

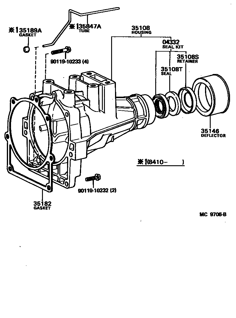
EXTENSION HOUSING (ATM)

Parts diagram
04332SEAL KIT, OIL(FOR AUTOMATIC EXTENSION HOUSING)
main04332-30020i198308-198808
35108HOUSING SUB-ASSY, EXTENSION (ATM)
main35108-26011i198308-198410
main35108-26012i198410-198703
main35108-26013i198703-198808
35108SRETAINER, EXTENSION HOUSING DUST SEAL (ATM)
main33145-30010i198308-198808
35108TSEAL, DUST (FOR AUTOMATIC TRANSMISSION EXTENSION HOUSING)
main90303-38010i198308-198808
35146DEFLECTOR, EXTENSION HOUSING DUST (ATM)
main33146-30010i198308-198808
35182GASKET, EXTENSION HOUSING (ATM)
main35182-22010i198308-198808
35189AGASKET, EXTENSION HOUSING BUSH APPLY TUBE
main35189-30010i198410-198808
35847ATUBE, EXTENSION HOUSING BUSH APPLY
main35847-30020i198410-198808
9011910232
9011910233

10 parts on this diagram · 2 diagrams in section

EXTENSION HOUSING (ATM) — Toyota Parts Diagram with OEM Numbers & Prices | EPC Data