E
EPC Data

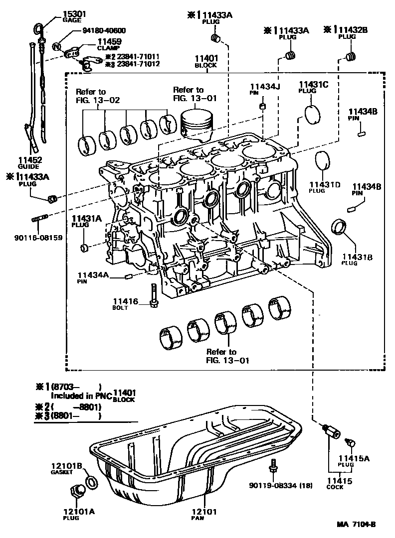
CYLINDER BLOCK

Parts diagram
11401BLOCK SUB-ASSY, CYLINDER
main11401-79086i198502-198508
main11401-79205i198508-198808
11415COCK SUB-ASSY, WATER DRAIN(FOR CYLINDER BLOCK)
main90910-09070i198406-198504
main96431-03833i198308-198406
main96431-53828i198504-198808
11415APLUG, WATER DRAIN COCK(FOR CYLINDER BLOCK)
main90910-09072i198406-198504
main96431-23814i198308-198406
main96432-23814i198504-198808
11416BOLT(FOR CRANKSHAFT BEARING CAP SET)
main90910-02032i198308-198808
11431APLUG, TIGHT, NO.1(FOR CYLINDER BLOCK)
main96411-01800i198308-198808
11431BPLUG, TIGHT, NO.2(FOR CYLINDER BLOCK)
main96411-43500i198308-198808
OD=35
11431CPLUG, TIGHT, NO.3(FOR CYLINDER BLOCK)
main96411-45000i198308-198808
11431DPLUG, TIGHT, NO.4(FOR CYLINDER BLOCK)
main96411-45000i198308-198808
OD=50
11432BPLUG, W/HEAD TAPER SCREW, NO.2
main90344-53002i198308-198407
main90344-53011i198407-198808
11433APLUG, STRAIGHT, NO.1
main90072-34402i198407-198808
main90344-51014i198308-198407
11434APIN, STRAIGHT(FOR TIMING GEAR COVER SET)
main90250-08120i198308-198808
L=18,OD=8,L=18,OD=8
11434BPIN, STRAIGHT(FOR CLUTCH HOUSING SET)
main90250-08120i198308-198808
L=18,OD=8,L=18,OD=8
main90250-10113i198308-198808
L=22,OD=10,L=22,OD=10
11434JPIN, RING (FOR CYLINDER HEAD SET)
main90253-15016i198308-198808
11452GUIDE, OIL LEVEL GAGE
main11452-71020i198308-198808
11459SUPPORT, OIL LEVEL GAGE GUIDE
main11459-71010i198308-198403
main11459-71011i198403-198808
12101PAN SUB-ASSY, OIL
main12101-71010i198308-198408
main12101-71030i198408-198508
main12101-71031i198508-198808
12101APLUG(FOR OIL PAN DRAIN)
main90341-12012i198504-198808
main90341-18089i198308-198504
12101BGASKET(FOR OIL PAN DRAIN PLUG)
main90430-12009i198504-198504
ID=12
main90430-12011i198504-198803
ID=12
main90430-12019i198803-198808
main90430-18244i198308-198504
ID=18
1301
1302
15301GAGE SUB-ASSY, OIL LEVEL
main15301-71020i198308-198808
2384171011CLAMP, FUEL PIPE(HOSE), NO.1
2384171012CLAMP, FUEL PIPE(HOSE), NO.1
9011608159
9011908334
9418040600

26 parts on this diagram · 1 diagram in section

CYLINDER BLOCK — Toyota Parts Diagram with OEM Numbers & Prices | EPC Data