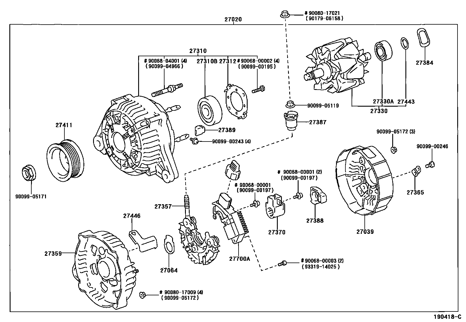
ALTERNATOR

27020ALTERNATOR ASSY
12V 100A
27039COVER, ALTERNATOR REAR END
27064SEAL, ALTERNATOR PLATE
27310FRAME ASSY, DRIVE END, ALTERNATOR
sub27310-20060
27310BBEARING(FOR ALTERNATOR DRIVE END FRAME)
sub90099-10192
27312PLATE, RETAINER
27330ROTOR ASSY, ALTERNATOR
27330ABEARING(FOR ALTERNATOR ROTOR)
27357HOLDER, ALTERNATOR, W/RECTIFIER
sub27357-20060
27359FRAME, ALTERNATOR RECTIFIER END
sub27359-20010
27365PLATE, TERMINAL
27370HOLDER ASSY, ALTERNATOR BRUSH
27384WASHER
27388COVER, ALTERNATOR BRUSH
sub27388-42010
27389INSULATOR, TERMINAL
sub27389-42010
27411PULLEY, ALTERNATOR
27443COVER, ALTERNATOR BEARING
27446CLIP, ALTERNATOR CORD
27700AREGULATOR ASSY, GENERATOR
9006800001
main90068-00001
9006800002
main90068-00002
9006800003
main90068-00003
9006804001
main90068-04001
9008017009
main90080-17009
9008017021
main90080-17021
9009900195
main90099-00195
9009900197
main90099-00197
9009900243
main90099-00243
9009900246
main90099-00246
9009904966
main90099-04966
9009905119
main90099-05119
9009905171
main90099-05171
9009905172
main90099-05172
9017906158
main90179-06158
9331914025
main93319-14025
36 parts on this diagram · 1 diagram in section