E
EPC Data

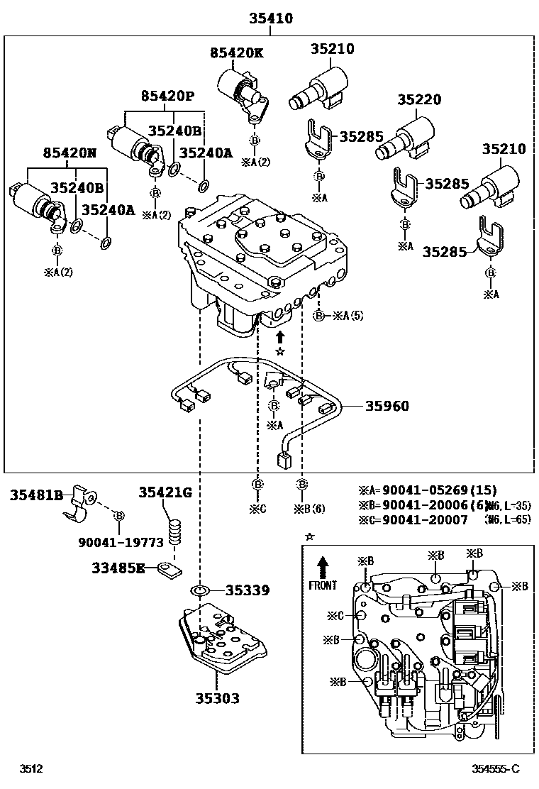
VALVE BODY & OIL STRAINER (ATM)

Parts diagram
33485EPLATE, LOCK
main33485-87201i200608
35210SOLENOID ASSY, CLUTCH CONTROL, NO.1
main35210-97201×2i200608-200911
main35210-B0010×2i200501-200608
35220SOLENOID ASSY, CLUTCH CONTROL, NO.2
main35220-97201i200608
35240ARING, O, NO.1 (FOR TRANSMISSION 3WAY SOLENOID)
main90043-01279×2i200608-200911
35240BRING, O, NO.2 (FOR TRANSMISSION 3WAY SOLENOID)
main90043-01280×2i200404-200501
35285PLATE, SOLENOID LOCK
main35285-97201×3i200404-200608
35303STRAINER SUB-ASSY, OIL
main35303-97501i200404-200608
35339GASKET, OIL STRAINER
main96721-24021i200404-200608
35410BODY ASSY, TRANSMISSION VALVE
main35410-97206i200404-200501
main35410-B0010i200501-200608
35421GSPRING, COMPRESSION (FOR ACCUMULATOR PISTON NO.2)
main90045-01801i200608-200911
35481BCLAMP, VALVE BODY WIRE HARNESS
main35481-97501i200404-200608
35960WIRE, SOLENOID
main35960-97203i200608-200911
85420KSOLENOID ASSY, TRANSMISSION
main35280-97201i200404-200608
DUTY SOLENOID
85420NSOLENOID ASSY, TRANSMISSION
main35240-97201i200404-200608
SWITCH SOLENOID
85420PSOLENOID ASSY, TRANSMISSION
main35240-97201i200404-200608
LUC SOLENOID
9004105269
9004119773
9004120006
9004120007

19 parts on this diagram · 1 diagram in section

VALVE BODY & OIL STRAINER (ATM) — Toyota Parts Diagram with OEM Numbers & Prices | EPC Data