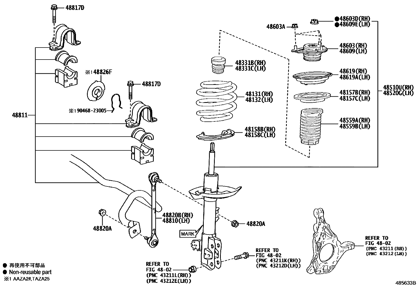
FRONT SPRING & SHOCK ABSORBER

4802
48157BINSULATOR, FRONT COIL SPRING, UPPER RH
48157CINSULATOR, FRONT COIL SPRING, UPPER LH
48158BINSULATOR, FRONT COIL SPRING, LOWER RH
48158CINSULATOR, FRONT COIL SPRING, LOWER LH
48331BBUMPER, FRONT SPRING, RH
48331CBUMPER, FRONT SPRING, LH
48510UABSORBER SET, SHOCK, FRONT RH
MARK 48510-78310
MARK 48510-F6010
MARK 48510-F6030
MARK 48510-F6030,PREMIUM PACKAGE
MARK 48510-F6030,STEERING COLUMN-MANUAL(TILT & TELESCOPIC)
MARK 48510-F6030,LUXURY PACKAGE
MARK 48510-F6070
MARK 48510-F6080,LUXURY PACKAGE
MARK 48510-F6080,STEERING COLUMN-MANUAL(TILT & TELESCOPIC),WITHOUT(LOCK)
MARK 48510-F6080
MARK 48510-F6080,PREMIUM PACKAGE
MARK 48510-F6090
MARK 48510-F6090,PREMIUM PACKAGE
MARK 48510-F6090,LUXURY PACKAGE
MARK 48510-F6090,STEERING COLUMN-MANUAL(TILT & TELESCOPIC),WITHOUT(LOCK)
48520GABSORBER SET, SHOCK, FRONT LH
MARK 48520-78310
MARK 48520-F6010
MARK 48520-F6030,PREMIUM PACKAGE
MARK 48520-F6030
MARK 48520-F6030,STEERING COLUMN-MANUAL(TILT & TELESCOPIC)
MARK 48520-F6030,LUXURY PACKAGE
MARK 48520-F6070
MARK 48520-F6080,PREMIUM PACKAGE
MARK 48520-F6080,STEERING COLUMN-MANUAL(TILT & TELESCOPIC),WITHOUT(LOCK)
MARK 48520-F6080
MARK 48520-F6080,LUXURY PACKAGE
MARK 48520-F6120,PREMIUM PACKAGE
MARK 48520-F6120
MARK 48520-F6120,LUXURY PACKAGE
MARK 48520-F6120,STEERING COLUMN-MANUAL(TILT & TELESCOPIC),WITHOUT(LOCK)
48559ACOVER, FRONT SHOCK ABSORBER DUST, RH NO.1
48559BCOVER, FRONT SHOCK ABSORBER DUST, LH NO.1
48603SUPPORT SUB-ASSY, FRONT SUSPENSION, RH
48603ANUT(FOR FRONT SUSPENSION SUPPORT)
48603DNUT(FOR FRONT SUPPORT TO FRONT SHOCK ABSORBER RH)
(J)
(L)
48609SUPPORT SUB-ASSY, FRONT SUSPENSION, LH
48609ENUT(FOR FRONT SUPPORT TO FRONT SHOCK ABSORBER LH)
(J)
(L)
48619BEARING, STRUT MOUNTING, RH
48619ABEARING, STRUT MOUNTING, LH
48810LINK ASSY, FRONT STABILIZER, LH
48817DBOLT(FOR FRONT STABILIZER)
(J)
(L)
48820ANUT(FOR FRONT STABILIZER LINK)
(L)
(J)
48820BLINK ASSY, FRONT STABILIZER, RH
48826FPROTECTOR, STABILIZER
9046823005
main90468-23005
27 parts on this diagram · 1 diagram in section