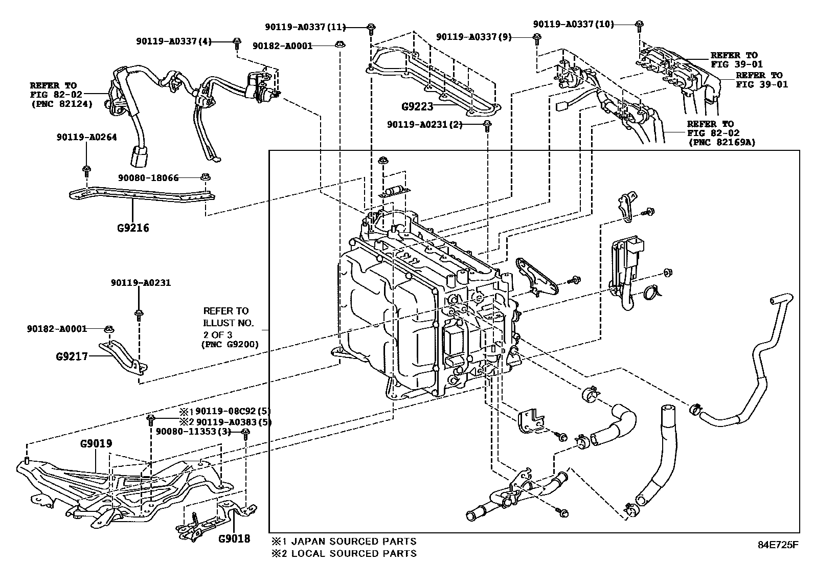
HEV INVERTER

3901TRANSAXLE ASSY(HEV OR BEV OR FCEV)
8202WIRING & CLAMP
G9018BRACKET SUB-ASSY, INVERTER, NO.5
G9019BRACKET SUB-ASSY, INVERTER TRAY
G9216BRACKET, INVERTER, NO.3
G9217BRACKET, INVERTER, NO.4
G9223COVER, INVERTER TERMINAL
9008011353
main90080-11353
9008018066
main90080-18066
9011908C92
main90119-08C92
90119A0231
main90119-A0231
90119A0264
main90119-A0264
90119A0337
main90119-A0337
90119A0383
main90119-A0383
90182A0001
main90182-A0001
15 parts on this diagram · 3 diagrams in section