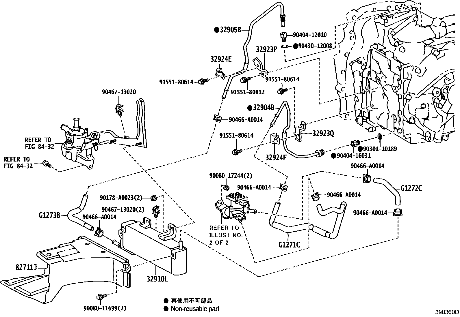
OIL COOLER & TUBE (HEV OR BEV OR FCEV)

32904BTUBE SUB-ASSY, OIL COOLER INLET
32905BTUBE SUB-ASSY, OIL COOLER OUTLET
32923PCLAMP, OIL COOLER TUBE, NO.1
32924ECLAMP, OIL COOLER TUBE, NO.2
32924FCLAMP, OIL COOLER TUBE, NO.2
8432INVERTER COOLING
9008011699
main90080-11699
9008017244
main90080-17244
90178A0023
main90178-A0023
9030110189
main90301-10189
9040412010
main90404-12010
9040416031
main90404-16031
9043012008
main90430-12008
90466A0014
main90466-A0014
9046713020
main90467-13020
9155180614
main91551-80614
9155180812
main91551-80812
23 parts on this diagram · 3 diagrams in section