E
EPC Data

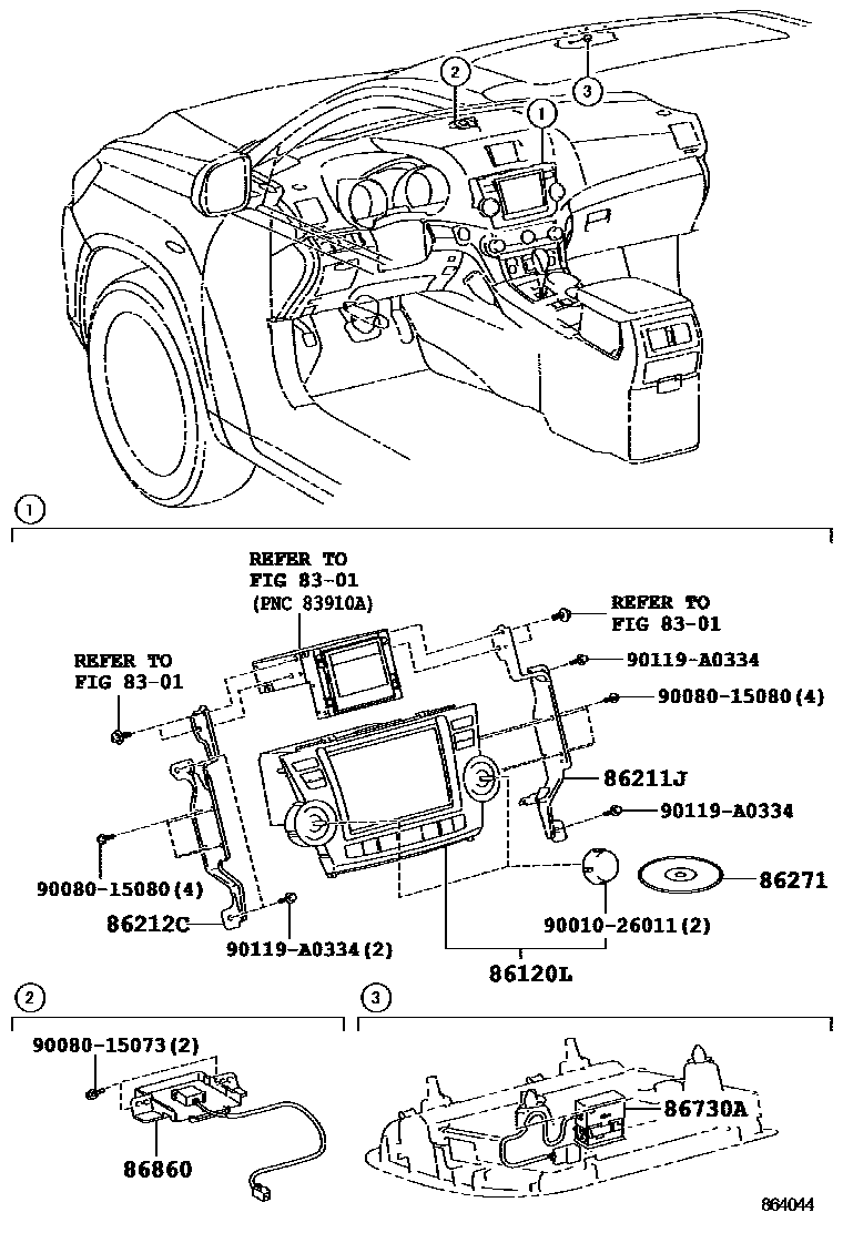
NAVIGATION & FRONT MONITOR DISPLAY

Parts diagram
86120LRECEIVER ASSY, NAVIGATION
main86120-0E250-C0i200910-201008
DENSO,ID=E7014,ANTI-THEFT SYSTEM-WITH(ALARM & IMMOBILIZER)&AUDIO-AVN 4CD-CHANGER 9SPEAKER JBL BLUETOOTH,BLACK,TRIM1#; DENSO,ID=E7014,ANTI-THEFT SYSTEM-WITH(IMMOBILIZER)&AUDIO-AVN 4CD-CHANGER 9SPEAKERJBL BLUETOOTH,BLACK,TRIM1#; DENSO,ID=E7014,AUDIO-AVN 4CD-CHANGER 9SPEAKER JBL BLUETOOTH,BLACK,TRIM1#,2#
main86120-0E250-E0i200910-201008
DENSO,ID=E7014,ANTI-THEFT SYSTEM-WITH(ALARM & IMMOBILIZER)&AUDIO-AVN 4CD-CHANGER 9SPEAKER JBL BLUETOOTH,DK. BROWN,TRIM4#; DENSO,ID=E7014,ANTI-THEFT SYSTEM-WITH(IMMOBILIZER)&AUDIO-AVN 4CD-CHANGER 9SPEAKERJBL BLUETOOTH,DK. BROWN,TRIM4#; DENSO,ID=E7014,AUDIO-AVN 4CD-CHANGER 9SPEAKER JBL BLUETOOTH,DK. BROWN,TRIM4#
main86120-0E410-C0i201008-201208
DENSO,ID=E7033,AUDIO-AVN 4CD-CHANGER USB 9SP JBL BLUETOOTH,BLACK,TRIM1#,2#,4#
86211JBRACKET, RADIO RECEIVER, NO.1
main86211-48170i201208
main86211-0E040i200910-201008
AUDIO-AVN 4CD-CHANGER 9SPEAKER JBL BLUETOOTH
86212CBRACKET, RADIO RECEIVER, NO.2
main86212-48170i201208
main86212-0E040i200910-201008
AUDIO-AVN 4CD-CHANGER 9SPEAKER JBL BLUETOOTH
86271DISC, DISC PLAYER
main86271-53024i200910-201008
ANTI-THEFT SYSTEM-WITH(ALARM & IMMOBILIZER)&AUDIO-AVN 4CD-CHANGER 9SPEAKER JBL BLUETOOTH; ANTI-THEFT SYSTEM-WITH(IMMOBILIZER)&AUDIO-AVN 4CD-CHANGER 9SPEAKER JBL BLUETOOTH; AUDIO-AVN 4CD-CHANGER 9SPEAKER JBL BLUETOOTH
main86271-73012i201008-201107
AUDIO-AVN 4CD-CHANGER USB 9SP JBL BLUETOOTH; CANADA SPEC&AUDIO-AVN 4CD-CHANGER USB 9SP JBL BLUETOOTH
main86271-73013i201108-201207
AUDIO-AVN 4CD-CHANGER USB 9SP JBL BLUETOOTH; CANADA SPEC&AUDIO-AVN 4CD-CHANGER USB 9SP JBL BLUETOOTH
main86271-73014i201208-201306
CANADA SPEC&AUDIO-AVN 4CD-CHANGER USB 9SP JBL BLUETOOTH
main86271-73015i201307
CANADA SPEC&AUDIO-AVN 4CD-CHANGER USB 9SP JBL BLUETOOTH
86730AMICROPHONE ASSY, TELEPHONE
main86730-73010i201008-201312
main86730-33010i200910-201008
AUDIO-6CD-CHANGER 9SPEAKER JBL BLUETOOTH; AUDIO-AVN 4CD-CHANGER 9SPEAKER JBL BLUETOOTH
86860ANTENNA ASSY, NAVIGATION
main86860-48200i201208
AUDIO-MONITOR USB 6SPEAKER BLUETOOTH
main86860-48100i200910-201008
AUDIO-AVN 4CD-CHANGER 9SPEAKER JBL BLUETOOTH
9001026011
9008015073
9008015080
90119A0334

11 parts on this diagram · 2 diagrams in section

NAVIGATION & FRONT MONITOR DISPLAY — Toyota Parts Diagram with OEM Numbers & Prices | EPC Data