E
EPC Data

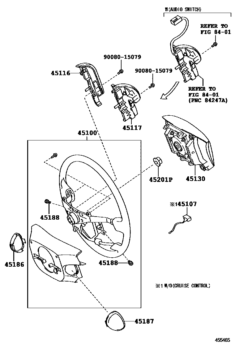
STEERING WHEEL

Parts diagram
45100WHEEL ASSY, STEERING
main45100-0E260-C0supersedes 45100-0E250-C0i200910-201008
4-SPOKE,LEATHER,BLACK,TRIM1#,2#; 4-SPOKE,LEATHER,SHIFT LEVER & KNOB-LEATHER,BLACK,TRIM1#
main45100-0E260-E0supersedes 45100-0E250-E0i200910-201008
4-SPOKE,LEATHER,DK. BROWN,TRIM4#; 4-SPOKE,LEATHER,SHIFT LEVER & KNOB-LEATHER,DK. BROWN,TRIM4#
main45100-0E250-C0i201008-201206
4-SPOKE,URETHANE,CORE PACKAGE&MULTI INFORMATION DISPLAY-WITH&AUDIO-CD USB 6SPEAKERBLUETOOTH,BLACK,TRIM1#,4#
45107WIRE SUB-ASSY, HORN BUTTON
main45107-0E010i201008-201206
CRUISE CONTROL-WITHOUT
45116ORNAMENT, STEERING WHEEL, NO.1
main45116-0E020-C0i200910-201008
BLACK,TRIM1#
main45116-0E020-E0i200910-201008
DK. BROWN,TRIM4#
main45116-0E030i200910-201008
SHIFT LEVER & KNOB-LEATHER
45117ORNAMENT, STEERING WHEEL, NO.2
main45117-0E020-C0i200910-201008
BLACK,TRIM1#
main45117-0E020-E0i200910-201008
DK. BROWN,TRIM4#
45130BUTTON ASSY, HORN
main45130-0E040-C0i200910-201008
BLACK,TRIM1#; BLACK,TRIM1#,2#
main45130-0E040-E0i200910-201008
DK. BROWN,TRIM4#
45186COVER, STEERING WHEEL, LOWER NO.2
main45186-06120-C0i200910-201008
BLACK,TRIM1#; BLACK,TRIM1#,2#
main45186-06120-E1i200910-201008
DK. BROWN,TRIM4#
main45186-0E030-C0i200910-201008
CRUISE CONTROL-WITHOUT,BLACK,TRIM1#
main45186-0E030-E0i200910-201008
CRUISE CONTROL-WITHOUT,DK. BROWN,TRIM4#
45187COVER, STEERING WHEEL, LOWER NO.3
main45187-06070-C0i200910-201008
BLACK,TRIM1#; BLACK,TRIM1#,2#
main45187-06070-E1i200910-201008
DK. BROWN,TRIM4#
45188SCREW, STEERING WHEEL PAD ATTACHING
main45188-07010×2i200910-201008
L=18.5
45201PNUT, STEERING WHEEL SET
main90080-17234i201008
8401SWITCH & RELAY & COMPUTER
9008015079

11 parts on this diagram · 1 diagram in section

STEERING WHEEL — Toyota Parts Diagram with OEM Numbers & Prices | EPC Data