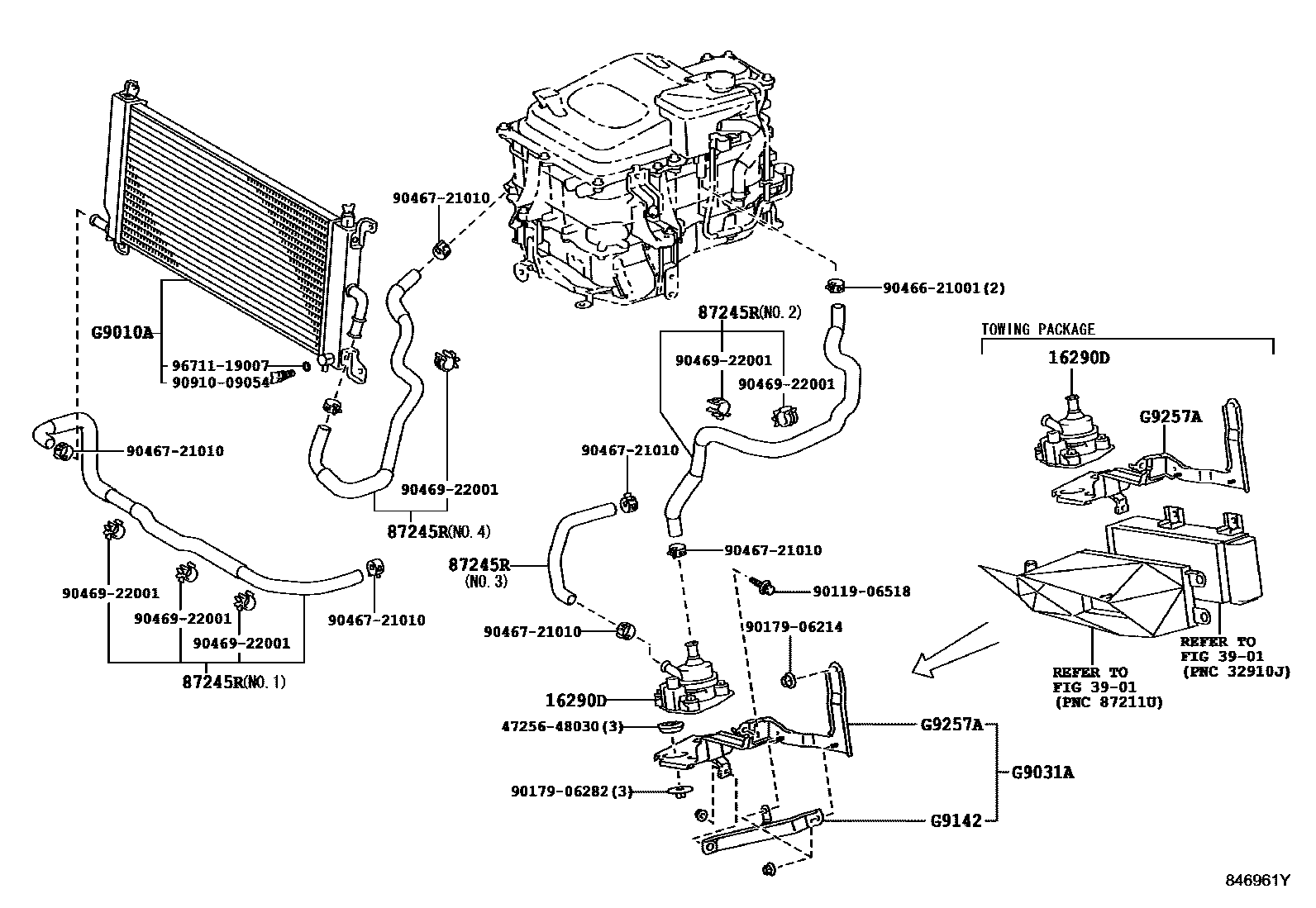
INVERTER COOLING

16290DPUMP ASSY, WATER W/MOTOR
3901TRANSAXLE ASSY(HEV OR BEV OR FCEV)
87245RHOSE, WATER
NO.1
NO.2
NO.3
NO.4
G9010ARADIATOR ASSY
G9031ABRACKET SUB-ASSY, HV WATER PUMP
G9142BRACKET, HYBRID WATER PUMP, NO.2
4725648030GROMMET, CAP
main47256-48030
9011906518
main90119-06518
9017906214
main90179-06214
9017906282
main90179-06282
9046621001
main90466-21001
9046721010
main90467-21010
9046922001
main90469-22001
9091009054
main90910-09054
9671119007
main96711-19007
16 parts on this diagram · 1 diagram in section