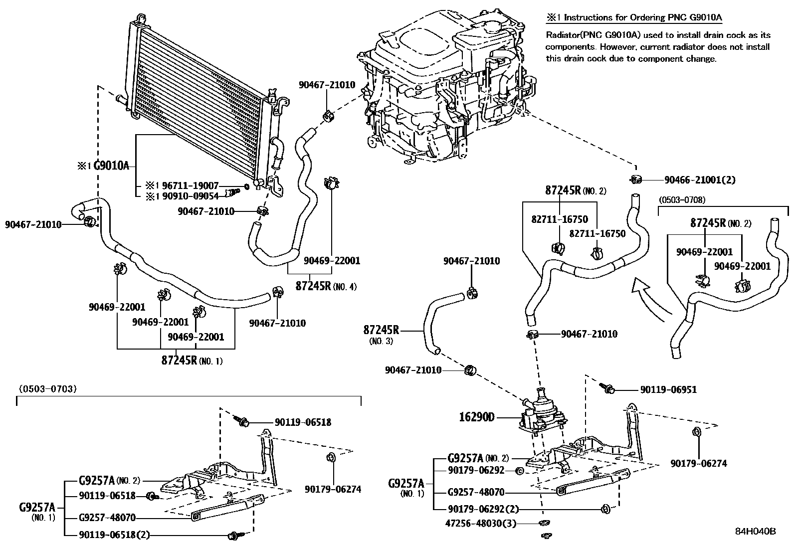
INVERTER COOLING

16290DPUMP ASSY, WATER W/MOTOR
87245RHOSE, WATER
NO.1
NO.2
NO.2
NO.3
NO.4
G9010ARADIATOR ASSY
G9257ABRACKET, INVERTER, NO.5
NO.2
NO.1
NO.1
NO.2
4725648030GROMMET, CAP
main47256-48030
8271116750WIRE, FUSE TO FUSE(FOR COMBUSTION HEATER)
main82711-16750
9011906518
main90119-06518
9011906951
main90119-06951
9017906274
main90179-06274
9017906292
main90179-06292
9046621001
main90466-21001
9046721010
main90467-21010
9046922001
main90469-22001
9091009054
main90910-09054
9671119007
main96711-19007
G925748070BRACKET, INVERTER, NO.5
mainG9257-48070
16 parts on this diagram · 5 diagrams in section