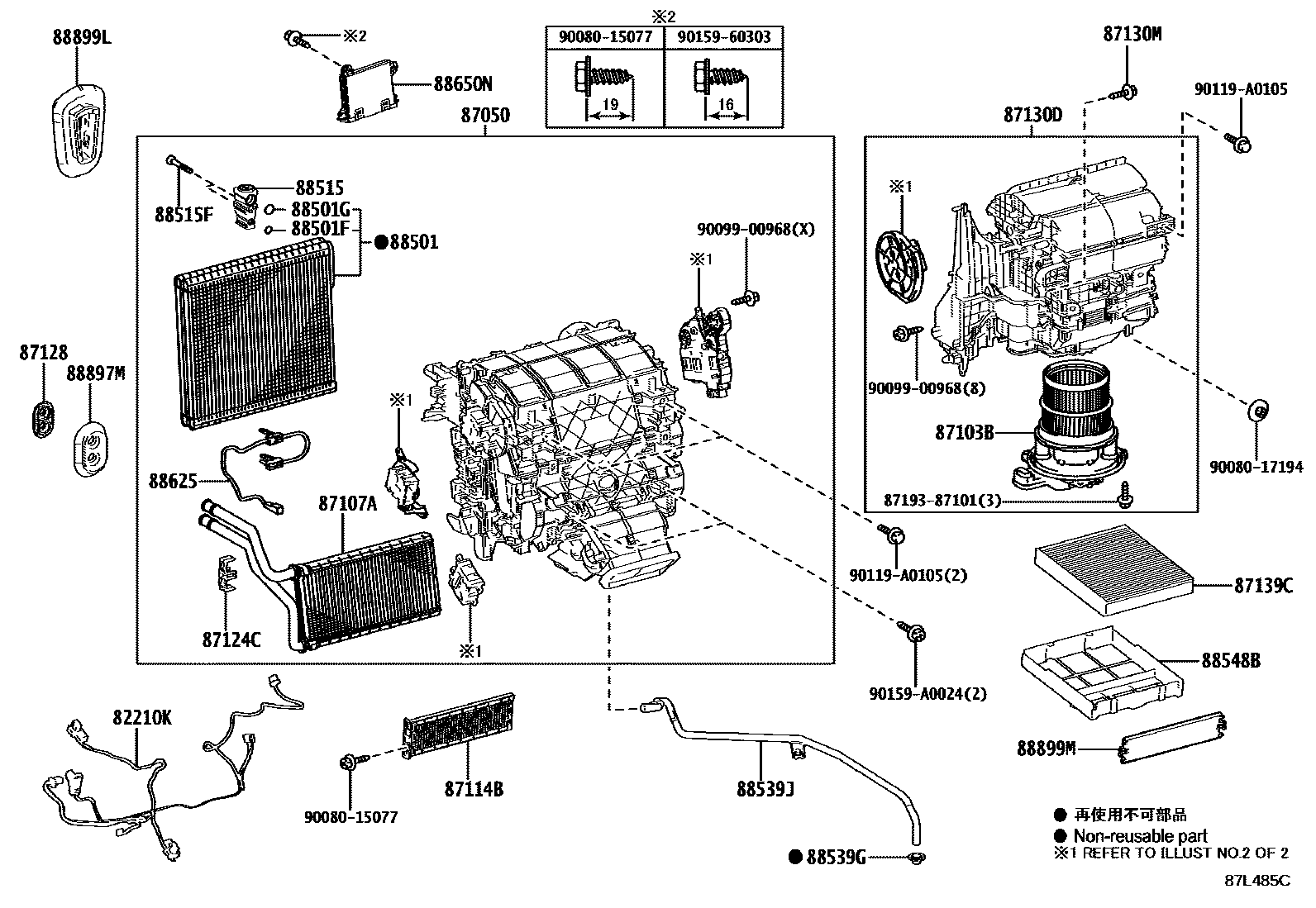
HEATING & AIR CONDITIONING - COOLER UNIT

82210KHARNESS ASSY, AIR CONDITIONER
87103BMOTOR SUB-ASSY, BLOWER W/FAN
87107AUNIT SUB-ASSY, HEATER RADIATOR
87114BCOVER, HEATER
87124CCLAMP, HEATER
87128GROMMET, HEATER
87130DBLOWER ASSY
87130MSCREW(FOR BLOWER)
87139CFILTER, CLEAN AIR
DEODORANT FILTER
88501EVAPORATOR SUB-ASSY, COOLER, NO.1
88501FO-RING, COOLER EVAPORATOR NO.1(DISCHARGE)
ID=10.8,OD=15.6
88501GO-RING, COOLER EVAPORATOR NO.1(SUCTION)
ID=13.4,OD=18.2
88515VALVE, COOLER EXPANSION
88515FBOLT(FOR COOLER EXPANSION VALVE)
88539GGROMMET (FOR COOLER UNIT DRAIN HOSE)
88539JHOSE, DRAIN COOLER
88548BCASE, AIR FILTER
88650NAMPLIFIER ASSY, AIR CONDITIONER
F SPORT&FRONT SEAT ADJUSTER-8WAY POWER & WITH(SEAT MEMORY = *DRS); PREMIUM+ PACKAGE&SEAT COVER MATERIAL-LEATHER(SMOOTH)&FRONT SEAT ADJUSTER-8WAY POWER & WITH(SEAT MEMORY = *DRS)
F SPORT&SEAT COVER MATERIAL-LEATHER(SMOOTH)&SEAT HEATER-WITH(DRIVER & PASSENGER &REAR SEAT)&FRONT SEAT ADJUSTER-8WAY POWER & WITH(SEAT MEMORY = *DRS); LUXURY PACKAGE&SEAT COVER MATERIAL-NATURAL LEATHER(SEMIANILIN)&SEAT HEATER-WITH(DRIVER & PASSENGER & REAR SEAT)&FRONT SEAT ADJUSTER-10WAY POWER & WITH(SEAT MEMORY =*DRS); PREMIUM+ PACKAGE&SEAT COVER MATERIAL-LEATHER(SMOOTH)&SEAT HEATER-WITH(DRIVER & PASSENGER & REAR SEAT)&FRONT SEAT ADJUSTER-8WAY POWER & WITH(SEAT MEMORY = *DRS); SEAT HEATER-WITH(DRIVER & PASSENGER & REAR SEAT)
FRONT SEAT ADJUSTER-8WAY POWER & WITH(SEAT MEMORY = *DRS)
F SPORT DESIGN&SEAT COVER MATERIAL-LEATHER(SMOOTH)&SEAT HEATER-WITH(DRIVER & PASSENGER & REAR SEAT)&FRONT SEAT ADJUSTER-8WAY POWER & WITH(SEAT MEMORY = *DRS)
88897MGROMMET (FOR HEATER PIPE)
88899LPARTS, COOLING UNIT
88899MPLATE, COVER(FOR AIR FILTER)
8719387101
main87193-87101
9008015077
main90080-15077
9008017194
main90080-17194
9009900968
main90099-00968
90119A0105
main90119-A0105
9015960303
main90159-60303
90159A0024
main90159-A0024
30 parts on this diagram · 4 diagrams in section