E
EPC Data

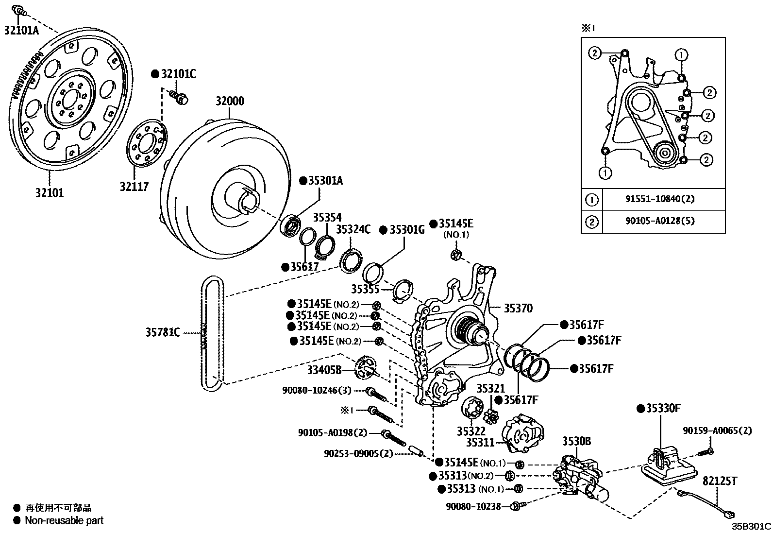
TORQUE CONVERTER, FRONT OIL PUMP & CHAIN (ATM)

Parts diagram
32000CONVERTER ASSY, TORQUE
main32000-0E010i202210
(L)
main32000-78010i202210
(J)
32101GEAR SUB-ASSY, DRIVE PLATE & RING
main32101-06070i202210
(L)
main32101-33020i202210
(J)
32101ABOLT(FOR DRIVE PLATE & TORQUE CONVERTER SETTING)
main90109-09001i202210
*9-1.25PX12.4-7.3,BLACK
main90119-09025×5i202210
*9-1.25PX12.4-8.4,SILVER WHITE
32101CBOLT, HEXAGON(FOR DRIVE PLATE SETTING)
main90105-12404×8i202210
*12-1.25PX20.3-14.3
32117SPACER, DRIVE PLATE, REAR
main32117-02030i202210
(L)
main32117-33010i202210
(J)
33405BSHAFT SUB-ASSY, OIL PUMP DRIVE
main33405-06010i202210
35145EGASKET, TRANSAXLE CASE
main35145-33020×2i202210
NO.1
main35145-33040×4i202210
NO.2
35301ASEAL, OIL (FOR FRONT OIL PUMP)
main90311-51013i202210
35301GBEARING,NEEDLE ROLLER
main90364-51004i202210
3530BCOVER SUB-ASSY, FRONT OIL PUMP & SOLENOID
main3530B-0E020i202210
35311BODY, FRONT OIL PUMP
main35311-06030i202210
35313GASKET, FRONT OIL PUMP COVER
main35313-48020i202210
NO.1
main35313-48030i202210
NO.2
35321GEAR, FRONT OIL PUMP DRIVE
main35321-06160i202210
T=16.66
35322GEAR, FRONT OIL PUMP DRIVEN
main35322-06160i202210
T=16.66
35324CSPROCKET, TRANSMISSION OIL PUMP DRIVE
main35324-06010i202210
35330FSTRAINER ASSY, OIL
main35330-06020i202210
35354WASHER, OIL PUMP SPROCKET THRUST, FRONT
main35354-48010i202210
35355WASHER, OIL PUMP SPROCKET THRUST, REAR
main35355-48011i202210
35370SHAFT ASSY, STATOR
main35370-06040i202210-202301
main35370-06041i202301
35617RING, CLUTCH DRUM OIL SEAL
main35617-48050i202210
35617FRING, CLUTCH DRUM OIL SEAL
main35617-48060×4i202210
35781CCHAIN, TRANSMISSION DRIVE
main35781-06010i202210
82125TWIRE, TRANSMISSION
main82125-48050i202210
9008010238
9008010246
90105A0128
90105A0198
90159A0065
9025309005
9155110840

30 parts on this diagram · 1 diagram in section

TORQUE CONVERTER, FRONT OIL PUMP & CHAIN (ATM) — Toyota Parts Diagram with OEM Numbers & Prices | EPC Data