E
EPC Data

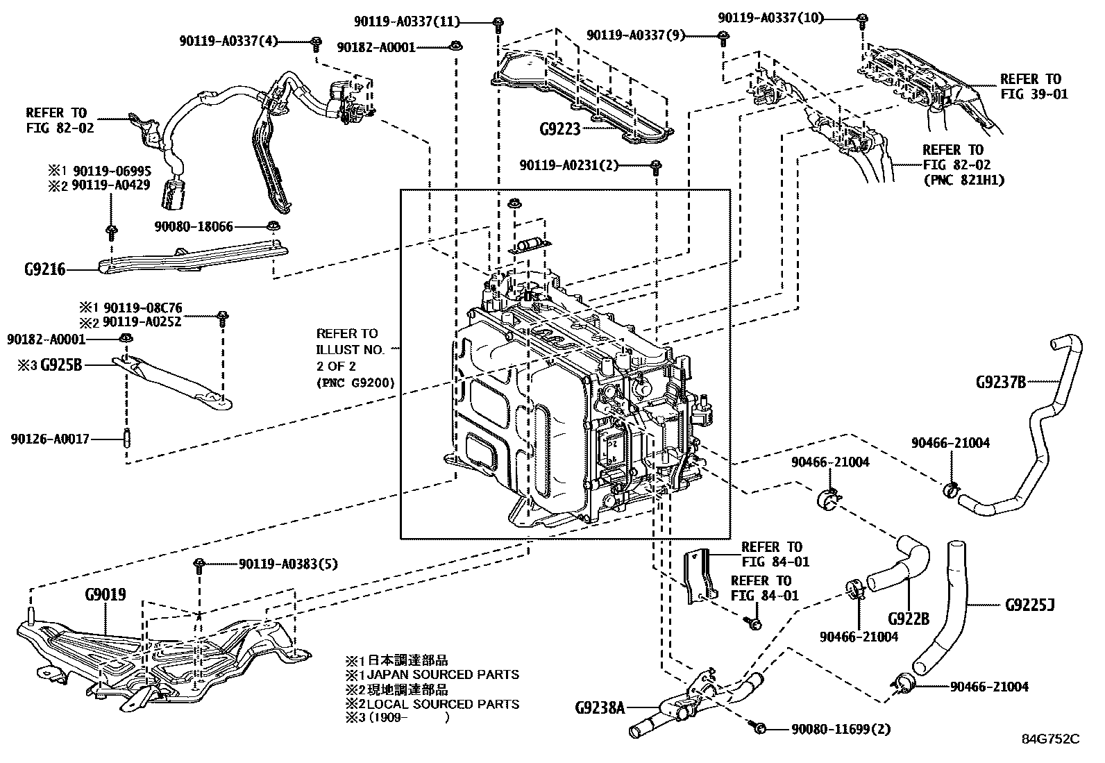
HEV INVERTER

Parts diagram
3901TRANSAXLE ASSY(HEV OR BEV OR FCEV)
8202WIRING & CLAMP
8401SWITCH & RELAY & COMPUTER
G9019BRACKET SUB-ASSY, INVERTER TRAY
mainG901948010i201510-201608
G9216BRACKET, INVERTER, NO.3
mainG90160E010i201510-201608
mainG901648010i201609-201909
G9223COVER, INVERTER TERMINAL
mainG922348041i201510-201608
G9225JHOSE, INVERTER COOLING, NO.1
mainG922548050i201510-201608
G922BHOSE, INVERTER COOLING INLET, NO.2
mainG922B48010i201510-201608
G9237BHOSE, INVERTER DRAIN
mainG923748020i201510-201608
G9238APIPE, INVERTER COOLING
mainG923848090i201510-201608
G925BBRACKET, INVERTER, NO.6
mainG925B0E010i201909
9008011699
9008018066
9011906995
9011908C76
90119A0231
90119A0252
90119A0337
90119A0383
90119A0429
90126A0017
90182A0001
9046621004

23 parts on this diagram · 2 diagrams in section

HEV INVERTER — Toyota Parts Diagram with OEM Numbers & Prices | EPC Data