E
EPC Data

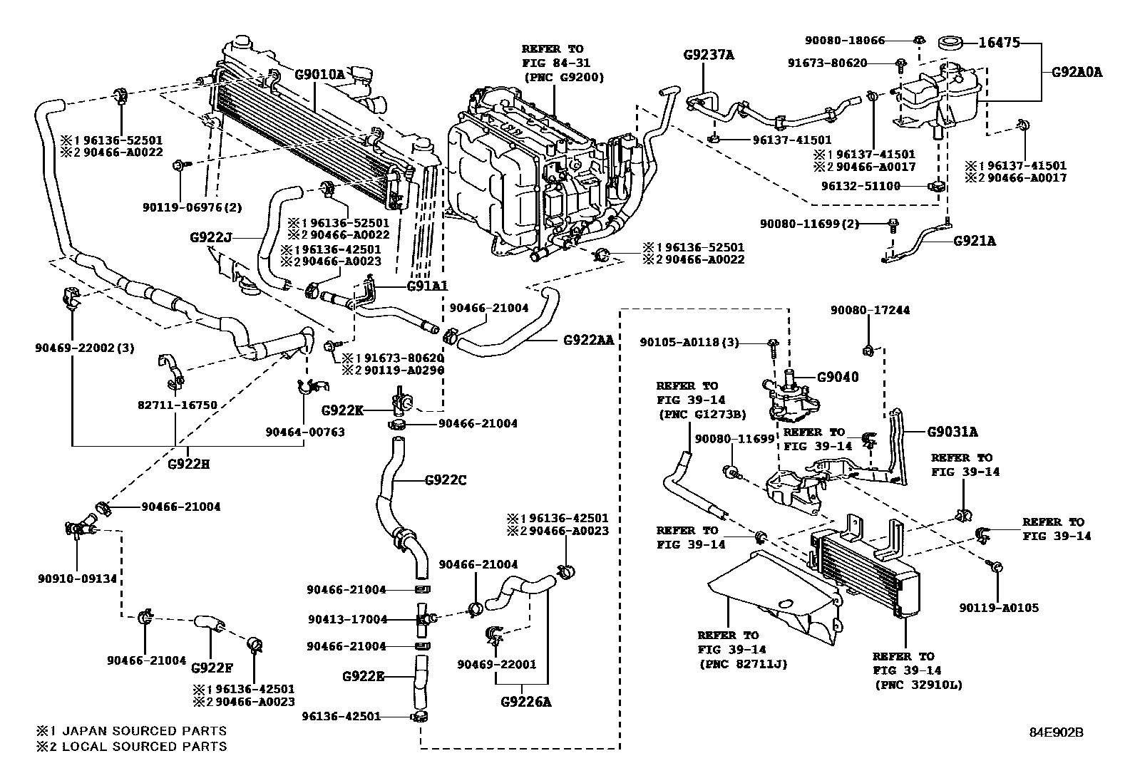
INVERTER COOLING

Parts diagram
16475CAP, RESERVE TANK
main16475-37010i201403
3914OIL COOLER & TUBE (HEV OR BEV OR FCEV)
8431HEV INVERTER
G9010ARADIATOR ASSY
mainG901048040i201403-201503
mainG901048041i201504-201510
G9031ABRACKET SUB-ASSY, HV WATER PUMP
mainG903148010i201403
G9040INVERTER WATER PUMP ASSY(W/MOTOR)
mainG904052010i201403
G91A1PIPE, INVERTER COOLING, INLET
mainG91A148010i201403-201510
G921ABRACKET, INVERTER RESERVE TANK, NO.1
mainG91H20E010i201403
G9226AHOSE, INVERTER COOLING, NO.2
mainG92260E010i201403
G922AAHOSE, INVERTER COOLING INLET, NO.1
mainG922A48010i201403-201510
G922CHOSE, INVERTER COOLING OUTLET, NO.1
mainG922C0E010i201403
G922EHOSE, HYBRID WATER PUMP INLET
mainG922E0E010i201403
G922FHOSE, HYBRID WATER PUMP OUTLET, NO.1
mainG922F48010i201403-201503
G922HHOSE, HYBRID RADIATOR INLET
mainG922H48010i201403-201803
G922JHOSE, HYBRID RADIATOR OUTLET
mainG922J48010i201403
G922KCONNECTOR, HYBRID WATER HOSE
mainG922K48011i201403
G9237AHOSE, INVERTER DRAIN
mainG923748011i201403
G92A0ATANK ASSY, INVERTER RESERVE
mainG91H00E010i201403
8271116750WIRE, FUSE TO FUSE(FOR COMBUSTION HEATER)
9008011699
9008017244
9008018066
90105A0118
9011906976
90119A0105
90119A0296
9041317004
9046400763
9046621004
90466A0017
90466A0022
90466A0023
9046922001
9046922002
9091009134
9167380620
9613251100
9613642501
9613652501
9613741501

40 parts on this diagram · 1 diagram in section

INVERTER COOLING — Toyota Parts Diagram with OEM Numbers & Prices | EPC Data