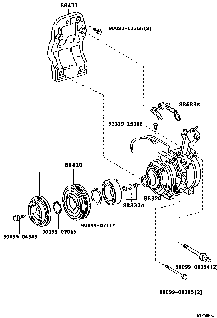
HEATING & AIR CONDITIONING - COMPRESSOR

88330AWASHER (FOR MAGNET CLUTCH)
88431BRACKET, COMPRESSOR MOUNTING, NO.1
88688KBRACKET, COOLER COMPRESSOR
9008011355
main90080-11355
9009904349
main90099-04349
9009904394
main90099-04394
9009904395
main90099-04395
9009907065
main90099-07065
9009907114
main90099-07114
9331915008
main93319-15008
12 parts on this diagram · 2 diagrams in section