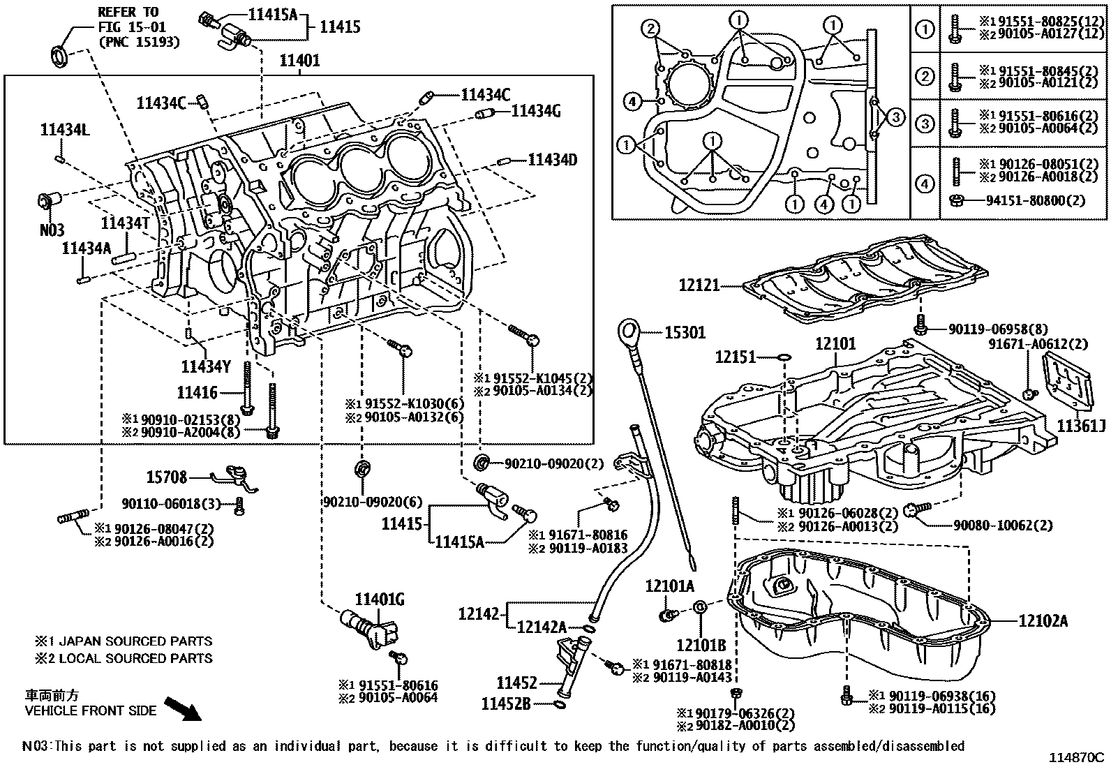
CYLINDER BLOCK

11361JCOVER, FLYWHEEL HOUSING UNDER
11401BLOCK SUB-ASSY, CYLINDER
*133
*132
*132
11401GSENSOR, CRANK POSITION
(J)
(L)
11415COCK SUB-ASSY, WATER DRAIN(FOR CYLINDER BLOCK)
11415APLUG, WATER DRAIN COCK(FOR CYLINDER BLOCK)
11416BOLT(FOR CRANKSHAFT BEARING CAP SET)
(J)
(L)
11434APIN, STRAIGHT(FOR TIMING GEAR COVER SET)
L=12,OD=4.0,(J)
L=12,OD=4.0,(L)
11434CPIN, STRAIGHT (FOR CYLINDER HEAD SET)
L=12,OD=4.0
L=18,OD=8,(J)
L=18,OD=8,(L)
11434DPIN, STRAIGHT(FOR ENGINE REAR OIL SEAL)
L=12,OD=4.0
L=12,OD=4.0,(L)
11434GPIN, STRAIGHT(FOR END PLATE)
(J)
(L)
11434LPIN, STRAIGHT(FOR ENGINE MOUNTING)
(L)
11434TPIN, RING(FOR TIMING BELT IDLER BRACKET SET)
(J)
(L)
11434YPIN, STRAIGHT(FOR OIL PAN)
(J)
(L)
11452GUIDE, OIL LEVEL GAGE
(L)
(L)
(J)
(J)
11452BRING, O(FOR OIL LEVEL GAGE GUIDE)
12101PAN SUB-ASSY, OIL
(L)
(J)
TOWING PACKAGE-3500LBS,(L)
TOWING PACKAGE-3500LBS,(J)
12101APLUG(FOR OIL PAN DRAIN)
12101BGASKET(FOR OIL PAN DRAIN PLUG)
12102APAN SUB-ASSY, OIL, NO.2
*133
*132
12121PLATE, OIL PAN BAFFLE, NO.1
(L)
(J)
12142GUIDE, OIL LEVEL GAGE, NO.2
12142ARING, O(FOR OIL LEVEL GAGE GUIDE, NO.2)
12151GASKET, OIL PAN
(L)
(J)
1501ENGINE OIL PUMP
15301GAGE SUB-ASSY, OIL LEVEL
15708NOZZLE SUB-ASSY, OIL, NO.1
9008010062
main90080-10062
90105A0064
main90105-A0064
90105A0121
main90105-A0121
90105A0127
main90105-A0127
90105A0132
main90105-A0132
90105A0134
main90105-A0134
9011006018
main90110-06018
9011906938
main90119-06938
9011906958
main90119-06958
90119A0115
main90119-A0115
90119A0143
main90119-A0143
90119A0183
main90119-A0183
9012606028
main90126-06028
9012608047
main90126-08047
9012608051
main90126-08051
90126A0013
main90126-A0013
90126A0016
main90126-A0016
90126A0018
main90126-A0018
9017906326
main90179-06326
90182A0010
main90182-A0010
9021009020
main90210-09020
9091002153
main90910-02153
90910A2004
main90910-A2004
9155180616
main91551-80616
9155180825
main91551-80825
9155180845
main91551-80845
91552K1030
main91552-K1030
91552K1045
main91552-K1045
9167180816
main91671-80816
9167180818
main91671-80818
91671A0612
main91671-A0612
9415180800
main94151-80800
58 parts on this diagram · 3 diagrams in section