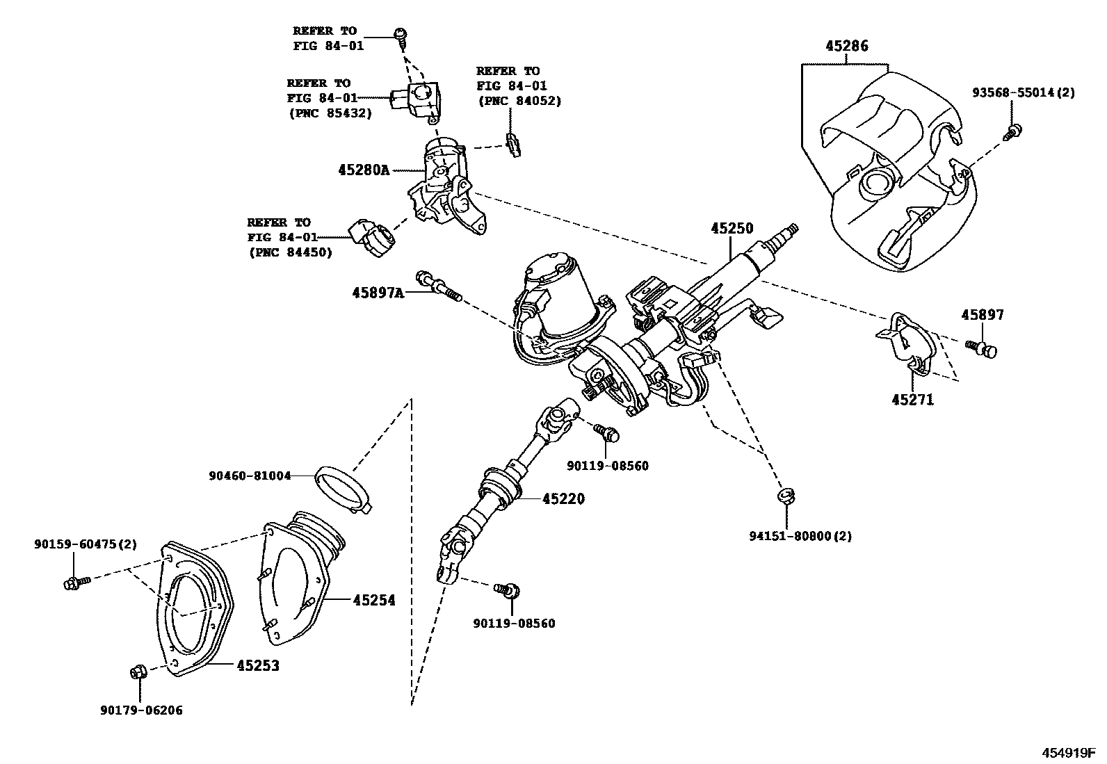
STEERING COLUMN & SHAFT

45220SHAFT ASSY, STEERING INTERMEDIATE
ECUADOR SPEC
45250COLUMN ASSY, STEERING
WIRELESS DOOR LOCK-WITH(SMART ENTRY)
45253COVER, STEERING COLUMN HOLE
45254SHIELD, STEERING COLUMN HOLE
45271CLAMP, STEERING COLUMN, UPPER
45280ABRACKET ASSY, STEERING COLUMN, UPPER
45286COVER, STEERING COLUMN
BLACK,TRIM1#; BLACK,TRIM1#,2#
DK.BROWN,TRIM4#
BLACK,TRIM1#,2#,4#; WIRELESS DOOR LOCK-WITH(SMART ENTRY),BLACK,TRIM1#,2#,4#
DK.BROWN,TRIM4#
45897BOLT, STEERING LOCK SET
8401SWITCH & RELAY & COMPUTER
9011908560
main90119-08560
9015960475
main90159-60475
9017906206
main90179-06206
9046081004
main90460-81004
9356855014
main93568-55014
9415180800
main94151-80800
16 parts on this diagram · 2 diagrams in section