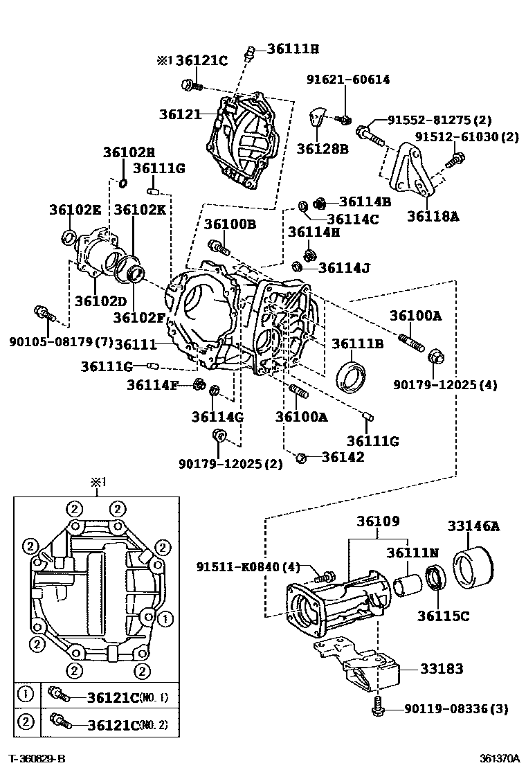
TRANSFER CASE & EXTENSION HOUSING

33146ADEFLECTOR, TRANSFER EXTENSION HOUSING DUST
33183DAMPER, TRANSFER DYNAMIC
36100ABOLT, STUD (FOR TRANSFER & TRANSAXLE SETTING)
S=15 & 27,L=58
S=19 & 19,L=47
S=22 & 22,L=53
36100BBOLT (FOR TRANSFER & TRANSAXLE SETTING)
*12-1.25PX32-24
36102DRETAINER SUB-ASSY, TRANSFER RH BEARING
36102ESEAL, OIL, NO.1 (FOR TRANSFER RH BEARING RETAINER)
36102FSEAL, OIL, NO.2 (FOR TRANSFER RH BEARING RETAINER)
36102HRING, O (FOR TRANSFER RH BEARING RETAINER)
36102KRING, O
36109HOUSING SUB-ASSY, TRANSFER EXTENSION
36111CASE, TRANSFER
36111BSEAL, OIL (FOR TRANSFER CASE)
36111GPIN, STRAIGHT (FOR TRANSFER CASE)
L=16,OD=8
L=20,OD=10
36111HPLUG, BREATHER (FOR TRANSFER CASE)
36111NBUSH (FOR TRANSFER CASE)
36114BPLUG, NO.1 (FOR TRANSFER CASE)
36114CGASKET, NO.1 (FOR TRANSFER CASE)
36114FPLUG (FOR TRANSFER DRAIN)
36114GGASKET (FOR TRANSFER DRAIN PLUG)
36114HPLUG, NO.2 (FOR TRANSFER CASE)
36114JGASKET, NO.2 (FOR TRANSFER CASE)
36115CSEAL, TYPE T OIL (FOR TRANSFER EXTENSION HOUSING)
36118APLATE, TRANSFER STIFFENER, RH
36121COVER, TRANSFER CASE, NO.1
36121CBOLT, WASHER BASED HEAD HEXAGON (FOR TRANSFER CASE COVER)
NO.1
NO.2
36128BDEFLECTOR, BREATHER OIL
36142GASKET, TRANSFER COVER
9010508179
main90105-08179
9011908336
main90119-08336
9017912025
main90179-12025
91511K0840
main91511-K0840
9151261030
main91512-61030
9155281275
main91552-81275
9162160614
main91621-60614
34 parts on this diagram · 1 diagram in section