E
EPC Data

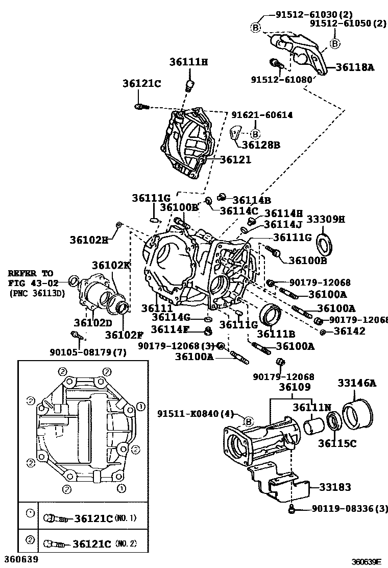
TRANSFER CASE & EXTENSION HOUSING

Parts diagram
33146ADEFLECTOR, TRANSFER EXTENSION HOUSING DUST
main33146-30010i200011-200105
main33146-30020i200105-200308
33183DAMPER, TRANSFER DYNAMIC
main33183-33010i200011-200308
33309HWASHER, TRANSFER OUTPUT SHAFT
main36275-21010i200011-200308
T=1.20,MARK AA
main36275-21020i200011-200104
T=1.21,MARK AB
main36275-21030i200308
T=1.22,MARK AC
main36275-21040i200011-200104
T=1.23,MARK BA
main36275-21050i200308
T=1.24,MARK BB
main36275-21060i200011-200104
T=1.25,MARK BC
main36275-21070i200011-200308
T=1.26,MARK CA
main36275-21080i200011-200104
T=1.27,MARK CB
main36275-21090i200011-200308
T=1.28,MARK CC
main36275-21100i200011-200104
T=1.29,MARK DA
main36275-21110i200011-200308
T=1.30,MARK DB
main36275-21120i200011-200104
T=1.31,MARK DC
main36275-21130i200011-200308
T=1.32,MARK EA
main36275-21140i200011-200104
T=1.33,MARK EB
main36275-21150i200308
T=1.34,MARK EC
main36275-21160i200011-200104
T=1.35,MARK FA
main36275-21170i200308
T=1.36,MARK FB
main36275-21180i200011-200104
T=1.37,MARK FC
main36275-21190i200308
T=1.38,MARK GA
main36275-21200i200011-200104
T=1.39,MARK GB
main36275-21210i200308
T=1.40,MARK GC
main36275-21220i200011-200104
T=1.41,MARK HA
main36275-21230i200308
T=1.42,MARK HB
main36275-21240i200011-200104
T=1.43,MARK HC
main36275-21250i200308
T=1.44,MARK JA
main36275-21260i200011-200104
T=1.45,MARK JB
main36275-21270i200308
T=1.46,MARK JC
main36275-21280i200011-200104
T=1.47,MARK KA
main36275-21290i200308
T=1.48,MARK KB
main36275-21300i200011-200104
T=1.49,MARK KC
main36275-21310i200308
T=1.50,MARK LA
main36275-21320i200011-200104
T=1.51,MARK LB
main36275-21330i200308
T=1.52,MARK LC
main36275-21340i200011-200104
T=1.53,MARK MA
main36275-21350i200308
T=1.54,MARK MB
main36275-21360i200011-200104
T=1.55,MARK MC
main36275-21370i200011-200308
T=1.56,MARK NA
main36275-21380i200011-200104
T=1.57,MARK NB
main36275-21390i200308
T=1.58,MARK NC
main36275-21400i200011-200104
T=1.59,MARK PA
main36275-21410i200011-200308
T=1.60,MARK PB
main36275-21420i200011-200104
T=1.61,MARK PC
main36275-21430i200011-200308
T=1.62,MARK QA
main36275-21440i200011-200104
T=1.63,MARK QB
main36275-21450i200011-200308
T=1.64,MARK QC
main36275-21460i200011-200104
T=1.65,MARK RA
36100ABOLT, STUD (FOR TRANSFER & TRANSAXLE SETTING)
main90116-12033×4i200308-200705
S=15 & 27,L=58
main90116-12034×2i200308-200705
S=19 & 19,L=47
36100BBOLT (FOR TRANSFER & TRANSAXLE SETTING)
main90105-12228×2i200308-200705
*12-1.25PX32-24
36102DRETAINER SUB-ASSY, TRANSFER RH BEARING
main36102-21010i200011-200209
main36102-48010i200209-200308
36102FSEAL, OIL, NO.2 (FOR TRANSFER RH BEARING RETAINER)
main90316-37001i200011-200308
36102HRING, O (FOR TRANSFER RH BEARING RETAINER)
main90301-11018i200011-200308
36102KRING, O
main90301-70002i200011-200308
36109HOUSING SUB-ASSY, TRANSFER EXTENSION
main36109-33010i200308
36111CASE, TRANSFER
main36111-48030i200011-200308
main36111-48031i200511
36111BSEAL, OIL (FOR TRANSFER CASE)
main90311-58009i200308
36111GPIN, STRAIGHT (FOR TRANSFER CASE)
main90250-08030×2i200011-200308
L=16,OD=8
main90250-08046×2i200406
L=16,OD=8
main90250-10017×2i200011-200308
L=20,OD=10
36111HPLUG, BREATHER (FOR TRANSFER CASE)
main90930-03133i200308
36111NBUSH (FOR TRANSFER CASE)
main90999-73105i200011-200308
36114BPLUG, NO.1 (FOR TRANSFER CASE)
main90341-18055i200011-200308
36114CGASKET, NO.1 (FOR TRANSFER CASE)
main12157-10010i200011-200308
36114FPLUG (FOR TRANSFER DRAIN)
main90341-18057i200011-200308
36114GGASKET (FOR TRANSFER DRAIN PLUG)
main12157-10010i200011-200308
36114HPLUG, NO.2 (FOR TRANSFER CASE)
main90341-18006i200011-200308
36114JGASKET, NO.2 (FOR TRANSFER CASE)
main12157-10010i200011-200308
36115CSEAL, TYPE T OIL (FOR TRANSFER EXTENSION HOUSING)
main90311-38062i200011-200308
main90311-38090i200409
36118APLATE, TRANSFER STIFFENER, RH
main36118-33020i200011-200308
36121COVER, TRANSFER CASE, NO.1
main36121-48010i200011-200308
36121CBOLT, WASHER BASED HEAD HEXAGON (FOR TRANSFER CASE COVER)
main90105-08351×2i200011-200308
NO.1
main91511-60820×6i200011-200308
NO.2
main91511-J0820×6i200308
NO.2
36128BDEFLECTOR, BREATHER OIL
main36128-21010i200011-200308
36142GASKET, TRANSFER COVER
main36141-21010i200011-200308
4302FRONT DRIVE SHAFT
9010508179
9011908336
9017912068
91511K0840
9151261030
9151261050
9151261080
9162160614

36 parts on this diagram · 1 diagram in section

TRANSFER CASE & EXTENSION HOUSING — Toyota Parts Diagram with OEM Numbers & Prices | EPC Data