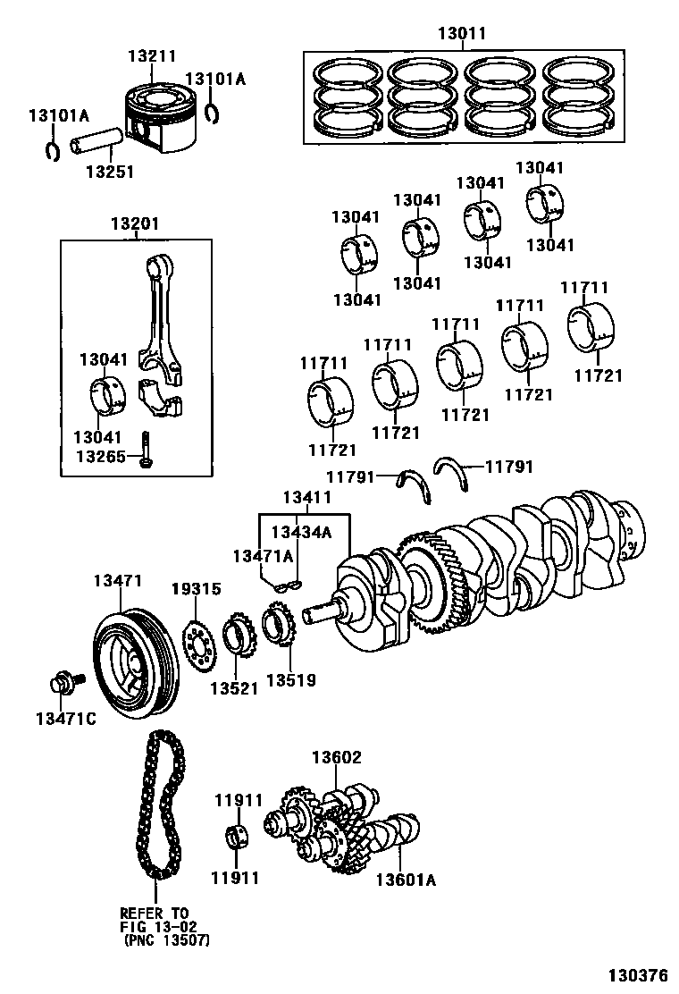
CRANKSHAFT & PISTON

11711BEARING, CRANKSHAFT
REFER TO REPAIR MANUAL,MARK 1,NO.2 & NO.3,(L)
REFER TO REPAIR MANUAL,MARK 2,NO.2 & NO.3,(L)
REFER TO REPAIR MANUAL,MARK 3,NO.2 & NO.3,(L)
REFER TO REPAIR MANUAL,MARK 4,NO.2 & NO.3,(L)
REFER TO REPAIR MANUAL,MARK 5,NO.2 & NO.3,(L)
REFER TO REPAIR MANUAL,MARK 6,NO.2 & NO.3,(L)
REFER TO REPAIR MANUAL,MARK 7,NO.2 & NO.3,(L)
REFER TO REPAIR MANUAL,MARK 1,NO.2 & NO.3; REFER TO REPAIR MANUAL,MARK 1,NO.2 & NO.3,(J)
REFER TO REPAIR MANUAL,MARK 2,NO.2 & NO.3; REFER TO REPAIR MANUAL,MARK 2,NO.2 & NO.3,(J)
REFER TO REPAIR MANUAL,MARK 3,NO.2 & NO.3; REFER TO REPAIR MANUAL,MARK 3,NO.2 & NO.3,(J)
REFER TO REPAIR MANUAL,MARK 4,NO.2 & NO.3; REFER TO REPAIR MANUAL,MARK 4,NO.2 & NO.3,(J)
REFER TO REPAIR MANUAL,MARK 5,NO.2 & NO.3; REFER TO REPAIR MANUAL,MARK 5,NO.2 & NO.3,(J)
REFER TO REPAIR MANUAL,MARK 6,NO.2 & NO.3; REFER TO REPAIR MANUAL,MARK 6,NO.2 & NO.3,(J)
REFER TO REPAIR MANUAL,MARK 7,NO.2 & NO.3
REFER TO REPAIR MANUAL,MARK 1,NO.2 & NO.3
REFER TO REPAIR MANUAL,MARK 2,NO.2 & NO.3
REFER TO REPAIR MANUAL,MARK 3,NO.2 & NO.3
REFER TO REPAIR MANUAL,MARK 4,NO.2 & NO.3
REFER TO REPAIR MANUAL,MARK 5,NO.2 & NO.3
REFER TO REPAIR MANUAL,MARK 6,NO.2 & NO.3
REFER TO REPAIR MANUAL,MARK 7,NO.2 & NO.3
REFER TO REPAIR MANUAL,MARK 1,NO.1 & NO.4,(L)
REFER TO REPAIR MANUAL,MARK 2,NO.1 & NO.4,(L)
REFER TO REPAIR MANUAL,MARK 3,NO.1 & NO.4,(L)
REFER TO REPAIR MANUAL,MARK 4,NO.1 & NO.4,(L)
REFER TO REPAIR MANUAL,MARK 5,NO.1 & NO.4,(L)
REFER TO REPAIR MANUAL,MARK 6,NO.1 & NO.4,(L)
REFER TO REPAIR MANUAL,MARK 7,NO.1 & NO.4,(L)
REFER TO REPAIR MANUAL,MARK 1,NO.1 & NO.4; REFER TO REPAIR MANUAL,MARK 1,NO.1 & NO.4,(J)
REFER TO REPAIR MANUAL,MARK 2,NO.1 & NO.4; REFER TO REPAIR MANUAL,MARK 2,NO.1 & NO.4,(J)
REFER TO REPAIR MANUAL,MARK 3,NO.1 & NO.4
REFER TO REPAIR MANUAL,MARK 4,NO.1 & NO.4; REFER TO REPAIR MANUAL,MARK 4,NO.1 & NO.4,(J)
REFER TO REPAIR MANUAL,MARK 5,NO.1 & NO.4; REFER TO REPAIR MANUAL,MARK 5,NO.1 & NO.4,(J)
REFER TO REPAIR MANUAL,MARK 6,NO.1 & NO.4
REFER TO REPAIR MANUAL,MARK 7,NO.1 & NO.4; REFER TO REPAIR MANUAL,MARK 7,NO.1 & NO.4,(J)
REFER TO REPAIR MANUAL,MARK 1,NO.1 & NO.4
REFER TO REPAIR MANUAL,MARK 2,NO.1 & NO.4
REFER TO REPAIR MANUAL,MARK 3,NO.1 & NO.4
REFER TO REPAIR MANUAL,MARK 4,NO.1 & NO.4
REFER TO REPAIR MANUAL,MARK 5,NO.1 & NO.4
REFER TO REPAIR MANUAL,MARK 6,NO.1 & NO.4
REFER TO REPAIR MANUAL,MARK 7,NO.1 & NO.4
MARK 1,REFER REPAIR MANUAL
MARK 2,REFER REPAIR MANUAL
MARK 3,REFER REPAIR MANUAL
MARK 4,REFER REPAIR MANUAL
MARK1,REFER REPAIR MANUAL
MARK2,REFER REPAIR MANUAL
MARK3,REFER REPAIR MANUAL
MARK4,REFER REPAIR MANUAL
11721BEARING, CRANKSHAFT, NO.2
MARK 1,REFER REPAIR MANUAL
MARK 2,REFER REPAIR MANUAL
MARK 3,REFER REPAIR MANUAL
MARK 4,REFER REPAIR MANUAL
MARK1,REFER REPAIR MANUAL
MARK2,REFER REPAIR MANUAL
MARK3,REFER REPAIR MANUAL
MARK4,REFER REPAIR MANUAL
11791WASHER, CRANKSHAFT THRUST, UPPER
STD
11911BEARING, BALANCESHAFT, NO.1
MARK 1,REFER REPAIR MANUAL
MARK 2,REFER REPAIR MANUAL
MARK 3,REFER REPAIR MANUAL
13011RING SET, PISTON
STD,(L)
STD
STD
STD; STD,(J)
STD; STD,ENGINE NO.=0XXXXXX-4XXXXXX
STD
STD
STD
1302CAMSHAFT & VALVE
13041BEARING, CONNECTING ROD
MARK 1,(L):REFER TO REPAIR MANUAL,MARK 1
MARK 2,(L):REFER TO REPAIR MANUAL,MARK 2
MARK 3,(L):REFER TO REPAIR MANUAL,MARK 3
MARK 4,(L):REFER TO REPAIR MANUAL,MARK 4
MARK 1,(J):REFER TO REPAIR MANUAL,MARK 1; MARK 1:REFER TO REPAIR MANUAL,MARK 1
MARK 2:REFER TO REPAIR MANUAL,MARK 2
MARK 3:REFER TO REPAIR MANUAL,MARK 3
MARK 4:REFER TO REPAIR MANUAL,MARK 4
REFER TO REPAIR MANUAL,MARK1
REFER TO REPAIR MANUAL,MARK2
REFER TO REPAIR MANUAL,MARK3
REFER TO REPAIR MANUAL,MARK4
MARK 1,REFER REPAIR MANUAL
MARK 2,REFER REPAIR MANUAL
MARK 3,REFER REPAIR MANUAL
13101PISTON SUB-ASSY, W/PIN
STD,RH,(L)
STD
STD,RH
STD,RH; STD,RH,(J)
STD
STD,LH,(L)
STD,LH
STD,LH
13101ARING, HOLE SNAP(FOR PISTON PIN)
13201ROD SUB-ASSY, CONNECTING
ENGINE NO.=5XXXXXX-9XXXXXX,(L)
ENGINE NO.=5XXXXXX-9XXXXXX,(L)
ENGINE NO.=5XXXXXX-9XXXXXX,(L)
ENGINE NO.=5XXXXXX-9XXXXXX,(J)
MARK A,REFER REPAIR MANUAL
MARK B,REFER REPAIR MANUAL
MARK C,REFER REPAIR MANUAL
ENGINE NO.=0XXXXXX-4XXXXXX
13211PISTON
MARK A,REFER REPAIR MANUAL
MARK B,REFER REPAIR MANUAL
MARK C,REFER REPAIR MANUAL
MARK A,REFER REPAIR MANUAL
MARK B,REFER REPAIR MANUAL
MARK C,REFER REPAIR MANUAL
13251PIN, PISTON
MARK A,REFER REPAIR MANUAL
MARK B,REFER REPAIR MANUAL
MARK C,REFER REPAIR MANUAL
13265BOLT, CONNECTING ROD
13411CRANKSHAFT
(L)
(L)
(J)
(J)
13434AKEY(FOR OIL PUMP DRIVE SPLINE)
13471PULLEY, CRANKSHAFT
(L)
(J)
13471AKEY, CRANKSHAFT(FOR CRANKSHAFT PULLEY SET)
13471CBOLT(FOR CRANKSHAFT PULLEY SET)
13519GEAR, OIL PUMP DRIVE
13521GEAR OR SPROCKET, CRANKSHAFT TIMING
13601ABALANCESHAFT SUB-ASSY, NO.1
13602BALANCESHAFT SUB-ASSY, NO.2
19315PLATE, CRANK ANGLE SENSOR, NO.1
23 parts on this diagram · 2 diagrams in section