E
EPC Data

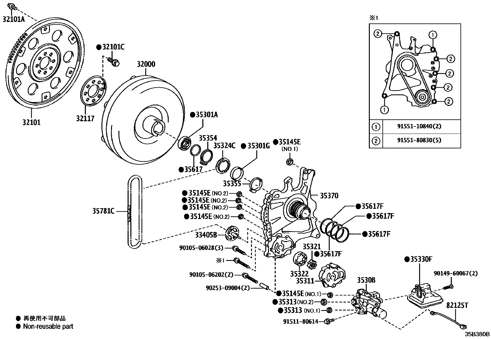
TORQUE CONVERTER, FRONT OIL PUMP & CHAIN (ATM)

Parts diagram
32000CONVERTER ASSY, TORQUE
main32000-78010i202211
32101GEAR SUB-ASSY, DRIVE PLATE & RING
main32101-33020i202211
32101ABOLT(FOR DRIVE PLATE & TORQUE CONVERTER SETTING)
main90109-09001i202211
*9-1.25PX12.4-7.3,BLACK
main90119-09025×5i202211
*9-1.25PX12.4-8.4,SILVER WHITE
32101CBOLT, HEXAGON(FOR DRIVE PLATE SETTING)
main90105-12404×8i202211
*12-1.25PX20.3-14.3
32117SPACER, DRIVE PLATE, REAR
main32117-33010i202211
33405BSHAFT SUB-ASSY, OIL PUMP DRIVE
main33405-48010i202211
35145EGASKET, TRANSAXLE CASE
main35145-33020×2i202211
NO.1
main35145-33040×4i202211
NO.2
35301ASEAL, OIL (FOR FRONT OIL PUMP)
main90311-51013i202211
35301GBEARING,NEEDLE ROLLER
main90364-51004i202211
3530BCOVER SUB-ASSY, FRONT OIL PUMP & SOLENOID
main3530B-48040i202211
35311BODY, FRONT OIL PUMP
main35311-48040i202211
35313GASKET, FRONT OIL PUMP COVER
main35313-48020i202211
NO.1
main35313-48030i202211
NO.2
35321GEAR, FRONT OIL PUMP DRIVE
main35321-48110i202211
T=16.66
35322GEAR, FRONT OIL PUMP DRIVEN
main35322-48110i202211
T=16.66
35324CSPROCKET, TRANSMISSION OIL PUMP DRIVE
main35324-48040i202211
35330FSTRAINER ASSY, OIL
main35330-48040i202211
35354WASHER, OIL PUMP SPROCKET THRUST, FRONT
main35354-48010i202211
35355WASHER, OIL PUMP SPROCKET THRUST, REAR
main35355-48011i202211
35370SHAFT ASSY, STATOR
main35370-48040i202211
35617RING, CLUTCH DRUM OIL SEAL
main35617-48050i202211
35617FRING, CLUTCH DRUM OIL SEAL
main35617-48060×4i202211
35781CCHAIN, TRANSMISSION DRIVE
main35781-48020i202211
82125TWIRE, TRANSMISSION
main82125-48050i202211
9010506028
9010506202
9014960067
9025309004
9151180614
9155110840
9155180830

30 parts on this diagram · 1 diagram in section

TORQUE CONVERTER, FRONT OIL PUMP & CHAIN (ATM) — Toyota Parts Diagram with OEM Numbers & Prices | EPC Data