E
EPC Data

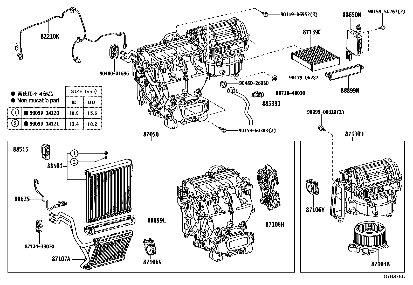
HEATING & AIR CONDITIONING - COOLER UNIT

Parts diagram
82210KHARNESS ASSY, AIR CONDITIONER
main82212-33021i200812-201203
87050RADIATOR ASSY, AIR CONDITIONER
main87050-48350i201203-201502
main87050-48351i201503
main87050-48380i200903-201203
main87050-48381i201503
87103BMOTOR SUB-ASSY, BLOWER W/FAN
main87103-33110i201308
main87103-48080i200812-201203
main87103-48100i201203-201308
87106HSERVO SUB-ASSY, DAMPER(FOR AIRMIX)
main87106-33290i201203
87106VSERVO SUB-ASSY, DAMPER(FOR AIRMIX NO.2)
main87106-33260i201203
87106YSERVO SUB-ASSY, DAMPER(FOR RECIRCULATION & FRESH)
main87106-33270i201203
87107AUNIT SUB-ASSY, HEATER RADIATOR
main87107-33120i201203-201509
87130DBLOWER ASSY
main87130-48220i200812-201203
main87130-48240i200903-201203
main87130-48280i201203-201308
main87130-48281i201308
main87130-48290i201203-201308
main87130-48291i201308
87139CFILTER, CLEAN AIR
main87139-30040i200812-201203
POLLEN FILTER
main87139-50060i200812-201203
DEODORANT FILTER
main87139-50100i201205-201509
*DPF
main87139-52040i201203-201403
POLLEN FILTER
88501EVAPORATOR SUB-ASSY, COOLER, NO.1
main88501-33300i201503
main88501-33310i201503
main88501-48300i200903-201007
main88501-48301i201203-201503
main88501-48310i200812-201007
main88501-48311i201007-201203
88515VALVE, COOLER EXPANSION
main88515-33020i200812-201203
88539JHOSE, DRAIN COOLER
main88539-48040i200812-201203
88625THERMISTOR, COOLER, NO.1
main88625-33190i200812-201203
88650NAMPLIFIER ASSY, AIR CONDITIONER
main88650-48350supersedes 88650-48590i200812-200908
PREMIUM PACKAGE&EMV & NAVIGATION SYSTEM-WITH(HDD NAVIGATION); PREMIUM PACKAGE&SEAT HEATER-WITH(DRIVER & PASSENGER); PREMIUM PACKAGE&SEAT HEATER-WITH(DRIVER & PASSENGER)&EMV & NAVIGATION SYSTEM-WITH(HDD NAVIGATION); ULTRAPREMIUM PACKAGE&SEAT HEATER-WITH(DRIVER & PASSENGER)
main88650-48351supersedes 88650-48341i200908-201008
PREMIUM PACKAGE&AIR CONDITIONER-EXHAUST GAS AUTOMATIC INTAKE SYSTEM; PREMIUM PACKAGE&AIR CONDITIONER-EXHAUST GAS AUTOMATIC INTAKE SYSTEM&SEAT HEATER-WITH(DRIVER & PASSENGER); PREMIUM PACKAGE&SEAT HEATER-WITH(DRIVER & PASSENGER); ULTRAPREMIUM PACKAGE&SEAT HEATER-WITH(DRIVER & PASSENGER)
main88650-48360supersedes 88650-48590i200812-200908
CANADA SPEC; CANADA SPEC&PREMIUM PACKAGE&EMV & NAVIGATION SYSTEM-WITH(HDD NAVIGATION); CANADA SPEC&PREMIUM PACKAGE&SEAT HEATER-WITH(DRIVER & PASSENGER); CANADA SPEC&PREMIUM PACKAGE&SEAT HEATER-WITH(DRIVER & PASSENGER)&EMV & NAVIGATIONSYSTEM-WITH(HDD NAVIGATION); CANADA SPEC&ULTRAPREMIUM PACKAGE&SEAT HEATER-WITH(DRIVER & PASSENGER); KOREA SPEC&PREMIUM PACKAGE&EMV & NAVIGATION SYSTEM-WITH(DVD NAVIGATION); KOREA SPEC&PREMIUM PACKAGE&SEAT HEATER-WITH(DRIVER & PASSENGER)&EMV & NAVIGATION SYSTEM-WITH(DVD NAVIGATION); KOREA SPEC&ULTRAPREMIUM PACKAGE&SEAT HEATER-WITH(DRIVER & PASSENGER)&EMV & NAVIGATION SYSTEM-WITH(DVD NAVIGATION)
main88650-48361supersedes 88650-48341i200908-201008
CANADA SPEC; CANADA SPEC&PREMIUM PACKAGE&AIR CONDITIONER-EXHAUST GAS AUTOMATIC INTAKE SYSTEM; CANADA SPEC&PREMIUM PACKAGE&AIR CONDITIONER-EXHAUST GAS AUTOMATIC INTAKE SYSTEM&SEAT HEATER-WITH(DRIVER & PASSENGER); CANADA SPEC&PREMIUM PACKAGE&SEAT HEATER-WITH(DRIVER & PASSENGER); CANADA SPEC&ULTRAPREMIUM PACKAGE&SEAT HEATER-WITH(DRIVER & PASSENGER); KOREA SPEC&PREMIUM PACKAGE&AIR CONDITIONER-EXHAUST GAS AUTOMATIC INTAKE SYSTEM; KOREA SPEC&PREMIUM PACKAGE&AIR CONDITIONER-EXHAUST GAS AUTOMATIC INTAKE SYSTEM&SEAT HEATER-WITH(DRIVER & PASSENGER); KOREA SPEC&ULTRAPREMIUM PACKAGE&AIR CONDITIONER-EXHAUST GAS AUTOMATIC INTAKE SYSTEM&SEAT HEATER-WITH(DRIVER & PASSENGER)
main88650-48380supersedes 88650-48620i200903-200907
PREMIUM PACKAGE&EMV & NAVIGATION SYSTEM-WITH(HDD NAVIGATION); PREMIUM PACKAGE&SEAT HEATER-WITH(DRIVER & PASSENGER); PREMIUM PACKAGE&SEAT HEATER-WITH(DRIVER & PASSENGER)&EMV & NAVIGATION SYSTEM-WITH(HDD NAVIGATION); ULTRAPREMIUM PACKAGE&SEAT HEATER-WITH(DRIVER & PASSENGER)
main88650-48381i200908-201009
PREMIUM PACKAGE&AIR CONDITIONER-EXHAUST GAS AUTOMATIC INTAKE SYSTEM; PREMIUM PACKAGE&AIR CONDITIONER-EXHAUST GAS AUTOMATIC INTAKE SYSTEM&SEAT HEATER-WITH(DRIVER & PASSENGER); PREMIUM PACKAGE&SEAT HEATER-WITH(DRIVER & PASSENGER); ULTRAPREMIUM PACKAGE&SEAT HEATER-WITH(DRIVER & PASSENGER)
main88650-48382supersedes 88650-48620i201010-201107
PREMIUM PACKAGE&AIR CONDITIONER-EXHAUST GAS AUTOMATIC INTAKE SYSTEM; PREMIUM PACKAGE&AIR CONDITIONER-EXHAUST GAS AUTOMATIC INTAKE SYSTEM&SEAT HEATER-WITH(DRIVER & PASSENGER); PREMIUM PACKAGE&SEAT HEATER-WITH(DRIVER & PASSENGER); ULTRAPREMIUM PACKAGE&SEAT HEATER-WITH(DRIVER & PASSENGER)
main88650-48390i200903-200907
CANADA SPEC; CANADA SPEC&PREMIUM PACKAGE&EMV & NAVIGATION SYSTEM-WITH(HDD NAVIGATION); CANADA SPEC&PREMIUM PACKAGE&SEAT HEATER-WITH(DRIVER & PASSENGER); CANADA SPEC&PREMIUM PACKAGE&SEAT HEATER-WITH(DRIVER & PASSENGER)&EMV & NAVIGATIONSYSTEM-WITH(HDD NAVIGATION); CANADA SPEC&ULTRAPREMIUM PACKAGE&SEAT HEATER-WITH(DRIVER & PASSENGER); KOREA SPEC&PREMIUM PACKAGE&EMV & NAVIGATION SYSTEM-WITH(DVD NAVIGATION); KOREA SPEC&PREMIUM PACKAGE&SEAT HEATER-WITH(DRIVER & PASSENGER)&EMV & NAVIGATION SYSTEM-WITH(DVD NAVIGATION); KOREA SPEC&ULTRAPREMIUM PACKAGE&SEAT HEATER-WITH(DRIVER & PASSENGER)&EMV & NAVIGATION SYSTEM-WITH(DVD NAVIGATION)
main88650-48391i200908-201009
CANADA SPEC; CANADA SPEC&PREMIUM PACKAGE&AIR CONDITIONER-EXHAUST GAS AUTOMATIC INTAKE SYSTEM; CANADA SPEC&PREMIUM PACKAGE&AIR CONDITIONER-EXHAUST GAS AUTOMATIC INTAKE SYSTEM&SEAT HEATER-WITH(DRIVER & PASSENGER); CANADA SPEC&PREMIUM PACKAGE&SEAT HEATER-WITH(DRIVER & PASSENGER); CANADA SPEC&ULTRAPREMIUM PACKAGE&SEAT HEATER-WITH(DRIVER & PASSENGER); KOREA SPEC&PREMIUM PACKAGE&AIR CONDITIONER-EXHAUST GAS AUTOMATIC INTAKE SYSTEM; KOREA SPEC&PREMIUM PACKAGE&AIR CONDITIONER-EXHAUST GAS AUTOMATIC INTAKE SYSTEM&SEAT HEATER-WITH(DRIVER & PASSENGER); KOREA SPEC&ULTRAPREMIUM PACKAGE&AIR CONDITIONER-EXHAUST GAS AUTOMATIC INTAKE SYSTEM&SEAT HEATER-WITH(DRIVER & PASSENGER)
main88650-48392i201010-201107
CANADA SPEC; CANADA SPEC&PREMIUM PACKAGE&AIR CONDITIONER-EXHAUST GAS AUTOMATIC INTAKE SYSTEM; CANADA SPEC&PREMIUM PACKAGE&AIR CONDITIONER-EXHAUST GAS AUTOMATIC INTAKE SYSTEM&SEAT HEATER-WITH(DRIVER & PASSENGER); CANADA SPEC&PREMIUM PACKAGE&SEAT HEATER-WITH(DRIVER & PASSENGER); CANADA SPEC&ULTRAPREMIUM PACKAGE&SEAT HEATER-WITH(DRIVER & PASSENGER); KOREA SPEC&PREMIUM PACKAGE&AIR CONDITIONER-EXHAUST GAS AUTOMATIC INTAKE SYSTEM; KOREA SPEC&PREMIUM PACKAGE&AIR CONDITIONER-EXHAUST GAS AUTOMATIC INTAKE SYSTEM&SEAT HEATER-WITH(DRIVER & PASSENGER); KOREA SPEC&ULTRAPREMIUM PACKAGE&AIR CONDITIONER-EXHAUST GAS AUTOMATIC INTAKE SYSTEM&SEAT HEATER-WITH(DRIVER & PASSENGER)
main88650-48470supersedes 88650-48460i201008-201010
PREMIUM PACKAGE&AIR CONDITIONER-EXHAUST GAS AUTOMATIC INTAKE SYSTEM; PREMIUM PACKAGE&AIR CONDITIONER-EXHAUST GAS AUTOMATIC INTAKE SYSTEM&SEAT HEATER-WITH(DRIVER & PASSENGER); PREMIUM PACKAGE&SEAT HEATER-WITH(DRIVER & PASSENGER); ULTRAPREMIUM PACKAGE&SEAT HEATER-WITH(DRIVER & PASSENGER)
main88650-48471supersedes 88650-48590i201010-201107
PREMIUM PACKAGE&AIR CONDITIONER-EXHAUST GAS AUTOMATIC INTAKE SYSTEM; PREMIUM PACKAGE&AIR CONDITIONER-EXHAUST GAS AUTOMATIC INTAKE SYSTEM&SEAT HEATER-WITH(DRIVER & PASSENGER); PREMIUM PACKAGE&SEAT HEATER-WITH(DRIVER & PASSENGER); ULTRAPREMIUM PACKAGE&SEAT HEATER-WITH(DRIVER & PASSENGER)
main88650-48480i201008-201010
CANADA SPEC; CANADA SPEC&PREMIUM PACKAGE&AIR CONDITIONER-EXHAUST GAS AUTOMATIC INTAKE SYSTEM; CANADA SPEC&PREMIUM PACKAGE&AIR CONDITIONER-EXHAUST GAS AUTOMATIC INTAKE SYSTEM&SEAT HEATER-WITH(DRIVER & PASSENGER); CANADA SPEC&PREMIUM PACKAGE&SEAT HEATER-WITH(DRIVER & PASSENGER); CANADA SPEC&ULTRAPREMIUM PACKAGE&SEAT HEATER-WITH(DRIVER & PASSENGER); KOREA SPEC&PREMIUM PACKAGE&AIR CONDITIONER-EXHAUST GAS AUTOMATIC INTAKE SYSTEM; KOREA SPEC&PREMIUM PACKAGE&AIR CONDITIONER-EXHAUST GAS AUTOMATIC INTAKE SYSTEM&SEAT HEATER-WITH(DRIVER & PASSENGER); KOREA SPEC&ULTRAPREMIUM PACKAGE&AIR CONDITIONER-EXHAUST GAS AUTOMATIC INTAKE SYSTEM&SEAT HEATER-WITH(DRIVER & PASSENGER); KOREA SPEC&ULTRAPREMIUM PACKAGE&ART WORKS&AIR CONDITIONER-EXHAUST GAS AUTOMATIC INTAKE SYSTEM
main88650-48481i201010-201107
CANADA SPEC; CANADA SPEC&PREMIUM PACKAGE&AIR CONDITIONER-EXHAUST GAS AUTOMATIC INTAKE SYSTEM; CANADA SPEC&PREMIUM PACKAGE&AIR CONDITIONER-EXHAUST GAS AUTOMATIC INTAKE SYSTEM&SEAT HEATER-WITH(DRIVER & PASSENGER); CANADA SPEC&PREMIUM PACKAGE&SEAT HEATER-WITH(DRIVER & PASSENGER); CANADA SPEC&ULTRAPREMIUM PACKAGE&SEAT HEATER-WITH(DRIVER & PASSENGER); KOREA SPEC&PREMIUM PACKAGE&AIR CONDITIONER-EXHAUST GAS AUTOMATIC INTAKE SYSTEM; KOREA SPEC&PREMIUM PACKAGE&AIR CONDITIONER-EXHAUST GAS AUTOMATIC INTAKE SYSTEM&SEAT HEATER-WITH(DRIVER & PASSENGER); KOREA SPEC&ULTRAPREMIUM PACKAGE&AIR CONDITIONER-EXHAUST GAS AUTOMATIC INTAKE SYSTEM&SEAT HEATER-WITH(DRIVER & PASSENGER); KOREA SPEC&ULTRAPREMIUM PACKAGE&ART WORKS&AIR CONDITIONER-EXHAUST GAS AUTOMATIC INTAKE SYSTEM
main88650-48600supersedes 88650-48590i201203
PREMIUM PACKAGE&AIR CONDITIONER-EXHAUST GAS AUTOMATIC INTAKE SYSTEM; PREMIUM PACKAGE&AIR CONDITIONER-EXHAUST GAS AUTOMATIC INTAKE SYSTEM&SEAT HEATER-WITH(DRIVER & PASSENGER); PREMIUM PACKAGE&SEAT HEATER-WITH(DRIVER & PASSENGER); ULTRAPREMIUM PACKAGE&SEAT HEATER-WITH(DRIVER & PASSENGER)
main88650-48610i201203
CANADA SPEC; CANADA SPEC&PREMIUM PACKAGE&AIR CONDITIONER-EXHAUST GAS AUTOMATIC INTAKE SYSTEM; CANADA SPEC&PREMIUM PACKAGE&AIR CONDITIONER-EXHAUST GAS AUTOMATIC INTAKE SYSTEM&SEAT HEATER-WITH(DRIVER & PASSENGER); CANADA SPEC&PREMIUM PACKAGE&SEAT HEATER-WITH(DRIVER & PASSENGER); CANADA SPEC&ULTRAPREMIUM PACKAGE&SEAT HEATER-WITH(DRIVER & PASSENGER); KOREA SPEC&PREMIUM PACKAGE&AIR CONDITIONER-EXHAUST GAS AUTOMATIC INTAKE SYSTEM; KOREA SPEC&PREMIUM PACKAGE&AIR CONDITIONER-EXHAUST GAS AUTOMATIC INTAKE SYSTEM&SEAT HEATER-WITH(DRIVER & PASSENGER); KOREA SPEC&ULTRAPREMIUM PACKAGE&AIR CONDITIONER-EXHAUST GAS AUTOMATIC INTAKE SYSTEM&SEAT HEATER-WITH(DRIVER & PASSENGER)
main88650-48630supersedes 88650-48620i201203
PREMIUM PACKAGE&AIR CONDITIONER-EXHAUST GAS AUTOMATIC INTAKE SYSTEM; PREMIUM PACKAGE&AIR CONDITIONER-EXHAUST GAS AUTOMATIC INTAKE SYSTEM&SEAT HEATER-WITH(DRIVER & PASSENGER); PREMIUM PACKAGE&SEAT HEATER-WITH(DRIVER & PASSENGER); ULTRAPREMIUM PACKAGE&SEAT HEATER-WITH(DRIVER & PASSENGER)
main88650-48640i201203
CANADA SPEC; CANADA SPEC&PREMIUM PACKAGE&AIR CONDITIONER-EXHAUST GAS AUTOMATIC INTAKE SYSTEM; CANADA SPEC&PREMIUM PACKAGE&AIR CONDITIONER-EXHAUST GAS AUTOMATIC INTAKE SYSTEM&SEAT HEATER-WITH(DRIVER & PASSENGER); CANADA SPEC&PREMIUM PACKAGE&SEAT HEATER-WITH(DRIVER & PASSENGER); CANADA SPEC&ULTRAPREMIUM PACKAGE&SEAT HEATER-WITH(DRIVER & PASSENGER); KOREA SPEC&PREMIUM PACKAGE&AIR CONDITIONER-EXHAUST GAS AUTOMATIC INTAKE SYSTEM; KOREA SPEC&PREMIUM PACKAGE&AIR CONDITIONER-EXHAUST GAS AUTOMATIC INTAKE SYSTEM&SEAT HEATER-WITH(DRIVER & PASSENGER); KOREA SPEC&ULTRAPREMIUM PACKAGE&AIR CONDITIONER-EXHAUST GAS AUTOMATIC INTAKE SYSTEM&SEAT HEATER-WITH(DRIVER & PASSENGER)
main88650-48660supersedes 88650-48650i201110-201203
PREMIUM PACKAGE&AIR CONDITIONER-EXHAUST GAS AUTOMATIC INTAKE SYSTEM; PREMIUM PACKAGE&AIR CONDITIONER-EXHAUST GAS AUTOMATIC INTAKE SYSTEM&SEAT HEATER-WITH(DRIVER & PASSENGER); PREMIUM PACKAGE&SEAT HEATER-WITH(DRIVER & PASSENGER); ULTRAPREMIUM PACKAGE&SEAT HEATER-WITH(DRIVER & PASSENGER)
main88650-48670i201110-201203
CANADA SPEC; CANADA SPEC&PREMIUM PACKAGE&AIR CONDITIONER-EXHAUST GAS AUTOMATIC INTAKE SYSTEM; CANADA SPEC&PREMIUM PACKAGE&AIR CONDITIONER-EXHAUST GAS AUTOMATIC INTAKE SYSTEM&SEAT HEATER-WITH(DRIVER & PASSENGER); CANADA SPEC&PREMIUM PACKAGE&SEAT HEATER-WITH(DRIVER & PASSENGER); CANADA SPEC&ULTRAPREMIUM PACKAGE&SEAT HEATER-WITH(DRIVER & PASSENGER); KOREA SPEC&PREMIUM PACKAGE&AIR CONDITIONER-EXHAUST GAS AUTOMATIC INTAKE SYSTEM; KOREA SPEC&PREMIUM PACKAGE&AIR CONDITIONER-EXHAUST GAS AUTOMATIC INTAKE SYSTEM&SEAT HEATER-WITH(DRIVER & PASSENGER); KOREA SPEC&ULTRAPREMIUM PACKAGE&AIR CONDITIONER-EXHAUST GAS AUTOMATIC INTAKE SYSTEM&SEAT HEATER-WITH(DRIVER & PASSENGER)
main88650-48690i201110-201203
PREMIUM PACKAGE&AIR CONDITIONER-EXHAUST GAS AUTOMATIC INTAKE SYSTEM; PREMIUM PACKAGE&AIR CONDITIONER-EXHAUST GAS AUTOMATIC INTAKE SYSTEM&SEAT HEATER-WITH(DRIVER & PASSENGER); PREMIUM PACKAGE&SEAT HEATER-WITH(DRIVER & PASSENGER); ULTRAPREMIUM PACKAGE&SEAT HEATER-WITH(DRIVER & PASSENGER)
main88650-48700i201110-201203
CANADA SPEC; CANADA SPEC&PREMIUM PACKAGE&AIR CONDITIONER-EXHAUST GAS AUTOMATIC INTAKE SYSTEM; CANADA SPEC&PREMIUM PACKAGE&AIR CONDITIONER-EXHAUST GAS AUTOMATIC INTAKE SYSTEM&SEAT HEATER-WITH(DRIVER & PASSENGER); CANADA SPEC&PREMIUM PACKAGE&SEAT HEATER-WITH(DRIVER & PASSENGER); CANADA SPEC&ULTRAPREMIUM PACKAGE&SEAT HEATER-WITH(DRIVER & PASSENGER); KOREA SPEC&PREMIUM PACKAGE&AIR CONDITIONER-EXHAUST GAS AUTOMATIC INTAKE SYSTEM; KOREA SPEC&PREMIUM PACKAGE&AIR CONDITIONER-EXHAUST GAS AUTOMATIC INTAKE SYSTEM&SEAT HEATER-WITH(DRIVER & PASSENGER); KOREA SPEC&ULTRAPREMIUM PACKAGE&AIR CONDITIONER-EXHAUST GAS AUTOMATIC INTAKE SYSTEM&SEAT HEATER-WITH(DRIVER & PASSENGER)
88899LPARTS, COOLING UNIT
main88899-33050i200904-201203
88899MPLATE, COVER(FOR AIR FILTER)
main88899-33040i200812-201203
8712433070CLAMP, HEATER
8871848030PIPE, COOLER REFRIGERANT SUCTION, NO.2
9009900318
9009914120
9009914121
9011906952
9015950267
9015960383
9017906282
9048001696
9048026030

27 parts on this diagram · 1 diagram in section

HEATING & AIR CONDITIONING - COOLER UNIT — Toyota Parts Diagram with OEM Numbers & Prices | EPC Data