E
EPC Data

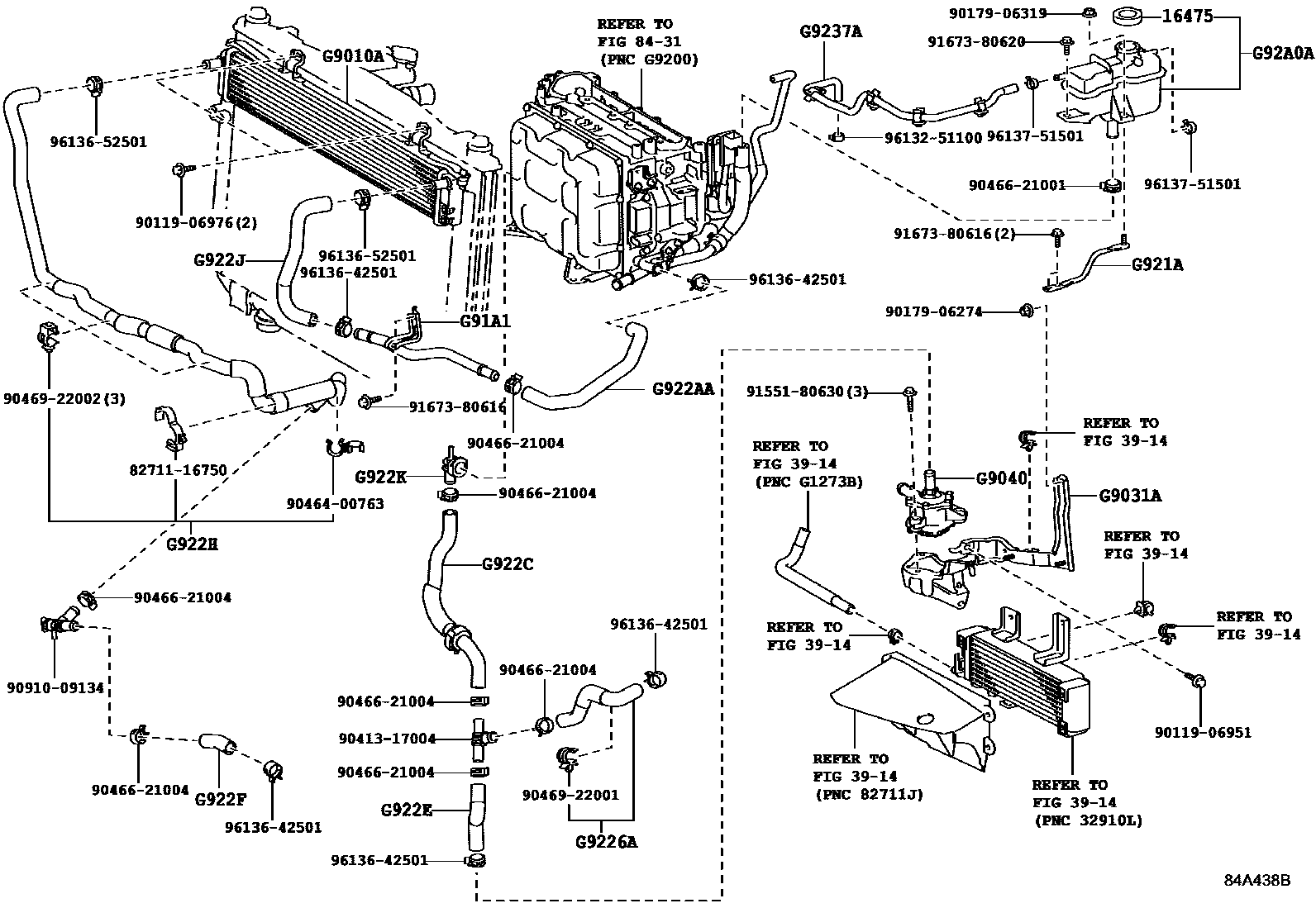
INVERTER COOLING

Parts diagram
16475CAP, RESERVE TANK
main16475-37010i201105-201409
main16475-37011i201410
main16475-51010i200903-201104
3914OIL COOLER & TUBE (HEV OR BEV OR FCEV)
8431HEV INVERTER
G9010ARADIATOR ASSY
mainG901048040i200903-201503
mainG901048041i201504-201509
G9031ABRACKET SUB-ASSY, HV WATER PUMP
mainG903148010i200903-201203
G9040INVERTER WATER PUMP ASSY(W/MOTOR)
mainG904047090i201103-201203
mainG904048020i200903-201102
mainG904052010i201203
G91A1PIPE, INVERTER COOLING, INLET
mainG91A148010i200903-201509
G921ABRACKET, INVERTER RESERVE TANK, NO.1
mainG921A48010i200903-201104
mainG921A48011i201105-201203
G9226AHOSE, INVERTER COOLING, NO.2
mainG922648040i200903-201203
G922AAHOSE, INVERTER COOLING INLET, NO.1
mainG922A48010i200903-201509
G922CHOSE, INVERTER COOLING OUTLET, NO.1
mainG922C48011i200903-201203
G922EHOSE, HYBRID WATER PUMP INLET
mainG922E48010i200903-201203
G922FHOSE, HYBRID WATER PUMP OUTLET, NO.1
mainG922F48010i200903-201203
G922HHOSE, HYBRID RADIATOR INLET
mainG922H48010i200903-201203
G922JHOSE, HYBRID RADIATOR OUTLET
mainG922J48010i200903-201203
G922KCONNECTOR, HYBRID WATER HOSE
mainG922K48011i200903-201203
G9237AHOSE, INVERTER DRAIN
mainG923748011i200903-201203
G92A0ATANK ASSY, INVERTER RESERVE
mainG92A048040i200903-201104
mainG92A048041i201105-201409
mainG92A048042i201410
8271116750WIRE, FUSE TO FUSE(FOR COMBUSTION HEATER)
9011906951
9011906976
9017906274
9017906319
9041317004
9046400763
9046621001
9046621004
9046922001
9046922002
9091009134
9155180630
9167380616
9167380620
9613251100
9613642501
9613652501
9613751501

37 parts on this diagram · 2 diagrams in section

INVERTER COOLING — Toyota Parts Diagram with OEM Numbers & Prices | EPC Data