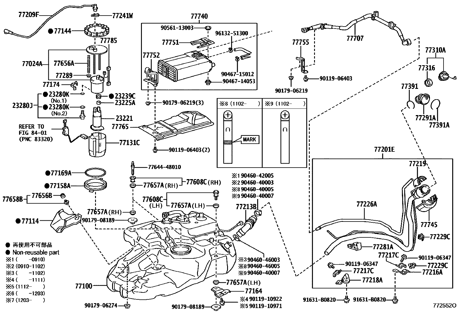
FUEL TANK & TUBE

23221PUMP, FUEL
23225ASPACER, FUEL PUMP
23239CSEAL, FUEL PUMP FILTER
23280JREGULATOR ASSY, FUEL PRESSURE
23280KRING, O(FOR FUEL PRESSURE REGULATOR)
NO.1
NO.2
77024APLATE SUB-ASSY, FUEL SUCTION
77114PLATE, FUEL TANK SIDE, REAR
sub77114-48021
77131CSUB-TANK, FUEL, NO.1
77144RETAINER, FUEL PUMP GAUGE
77158ASUPPORT, TANK SUCTION TUBE
77164BRACKET, FUEL TANK, REAR LH
77169AGASKET, FUEL SUCTION TUBE SET
77174SUPPORT, FUEL SUCTION, NO.1
77201EPIPE SUB-ASSY, FUEL TANK FILLER
77209FTUBE SUB-ASSY, FUEL TANK MAIN
77213BHOSE, FUEL TANK TO FILLER PIPE
77216ASUPPORT, FUEL TANK FILLER PIPE, NO.1
77217CSUPPORT, FUEL TANK FILLER PIPE, NO.2
77218ASUPPORT, FUEL TANK FILLER PIPE, NO.3
77219COVER, FUEL TANK FILLER PIPE
77226ATUBE, FUEL TANK BREATHER, NO.6
77229CCLAMP, BREATHER TUBE
77241WCLIP, TUBE JOINT
77281ACLAMP, FUEL FILLER PIPE
NO.1
NO.2
77289HOLDER, FUEL TANK PIPE SETTING
77291ASHIELD, FUEL TANK FILLER PIPE
77310ACAP ASSY, FUEL TANK
77316GASKET, FUEL TANK CAP
77391RING, FUEL INLET BOX
77391ARING, FUEL INLET BOX
77608CCUSHION SET, FUEL TANK
RH
LH
77656ACUSHION, FUEL TANK, NO.4
77656BCUSHION, FUEL TANK, NO.6
77657ACUSHION, FUEL TANK, NO.5
RH
LH
77658BCUSHION, FUEL TANK, NO.6
77707TUBE SUB-ASSY, CHARCOAL CANISTER OUTLET
77740CANISTER ASSY, CHARCOAL
77745FILTER, CHARCOAL CANISTER, NO.1
77751BRACKET, CHARCOAL CANISTER BASE
77752BRACKET, CHARCOAL CANISTER SUPPORT
77755BRACKET, CHARCOAL CANISTER OUTLET HOSE
77765PROTECTOR, CHARCOAL CANISTER
77785HARNESS, FUEL PUMP
8401
7764448010BOLT, FUEL TANK
main77644-48010
9011906347
main90119-06347
9011906403
main90119-06403
9011910922
main90119-10922
9011910971
main90119-10971
9017906219
main90179-06219
9017906274
main90179-06274
9017908189
main90179-08189
9046040003
main90460-40003
9046040005
main90460-40005
9046040007
main90460-40007
9046042005
main90460-42005
9046046003
main90460-46003
9046046005
main90460-46005
9046714053
main90467-14053
9046715012
main90467-15012
9056113003
main90561-13003
91631B0820
main91631-B0820
9613251300
main96132-51300
64 parts on this diagram · 5 diagrams in section