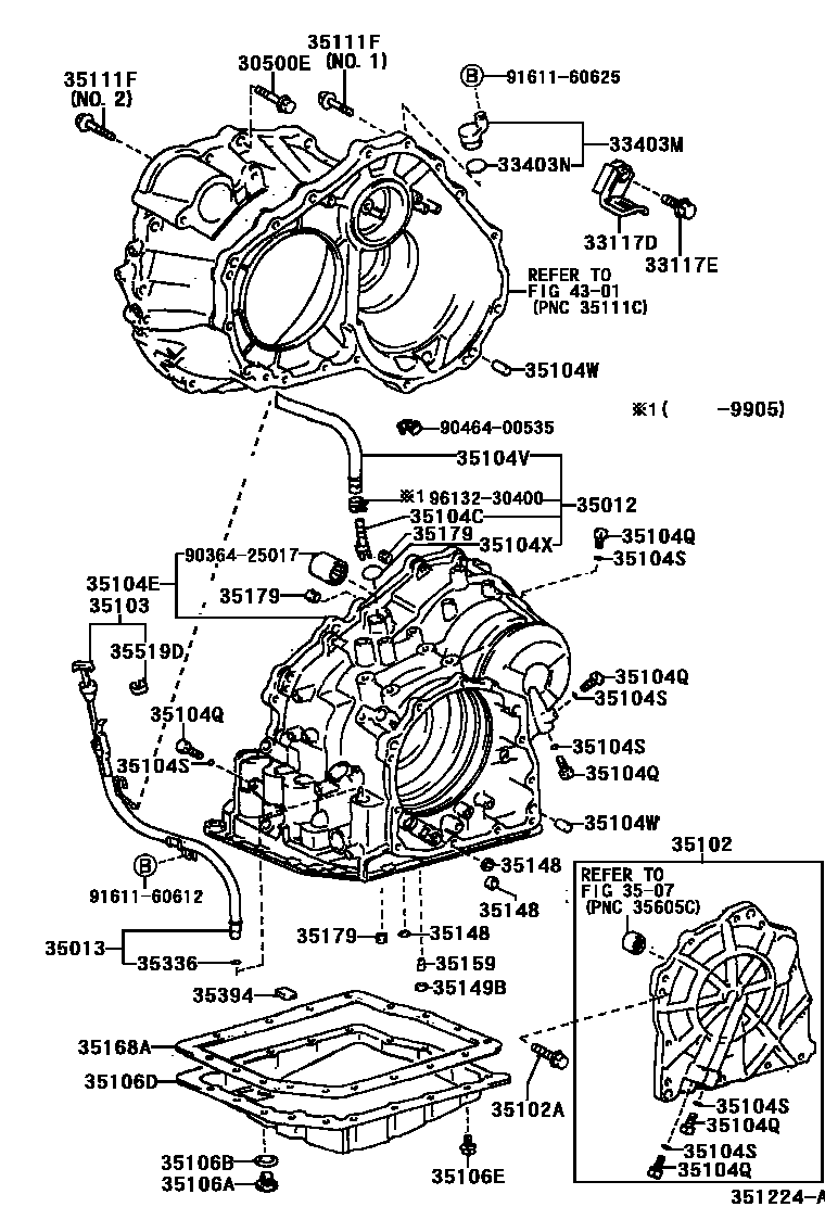
TRANSMISSION CASE & OIL PAN (ATM)

30500EBOLT(FOR TRANSAXLE & ENGINE SETTING)
*10-1.25PX41-28
*12-1.25PX55-30
*12-1.25PX50-30
*12-1.25PX65-30
*10-1.25PX55-30
33117DPROTECTOR, AUTOMATIC TRANSMISSION CASE
33117EBOLT(FOR AUTOMATIC TRANSMISSION CASE PROTECTOR)
33403MCOVER SUB-ASSY, SPEEDOMETER DRIVEN HOLE (ATM)
33403NRING, O (FOR ATM SPEEDOMETER DRIVEN HOLE COVER)
35012HOSE SUB-ASSY, TRANSMISSION BREATHER
35013TUBE SUB-ASSY, TRANSMISSION OIL FILLER
35102ABOLT (FOR TRANSAXLE REAR COVER SETTING)
*8-1.25PX30-25
35103GAGE SUB-ASSY, TRANSMISSION OIL LEVEL
35104CPLUG, BREATHER, NO.2 (ATM)
35104ECASE SUB-ASSY, AUTOMATIC TRANSAXLE
35104QPLUG, NO.1 (FOR TRANSAXLE CASE)
35104SRING, O (FOR TRANSAXLE CASE PLUG NO.1)
35104VHOSE (FOR BREATHER PLUG)
35104WPIN, STRAIGHT (FOR TRANSAXLE CASE)
35104XRING, O (FOR BREATHER PLUG)
35106APLUG SUB-ASSY, DRAIN (ATM)
35106BGASKET, DRAIN PLUG (ATM)
35106DPAN SUB-ASSY, AUTOMATIC TRANSAXLE OIL
35106EBOLT (FOR TRANSAXLE OIL PAN)
35111FBOLT (FOR TRANSAXLE HOUSING & TRANSAXLE CASE SETTING)
*8-1.25PX42-30,NO.1
*8-1.25PX50-30,NO.2
35148GASKET, GOVERNOR APPLY, NO.1
35149BGASKET, TRANSAXLE CASE 2ND BRAKE
35159GASKET, BRAKE DRUM
35168AGASKET, AUTOMATIC TRANSAXLE OIL PAN
35179GASKET, OVERDRIVE BRAKE
35336RING, O (FOR TRANSMISSION OIL FILLER TUBE)
35394MAGNET, OIL CLEANER (FOR TRANSMISSION)
35519DLABEL, AUTOMATIC TRANSMISSION INFORMATION
4301FRONT AXLE HOUSING & DIFFERENTIAL
9036425017
main90364-25017
9046400535
main90464-00535
9161160612
main91611-60612
9161160625
main91611-60625
9613230400
main96132-30400
36 parts on this diagram · 1 diagram in section