E
EPC Data

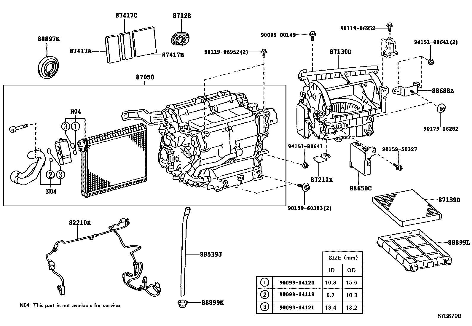
HEATING & AIR CONDITIONING - COOLER UNIT

Parts diagram
82210KHARNESS ASSY, AIR CONDITIONER
main82212-77010i201012-201212
87050RADIATOR ASSY, AIR CONDITIONER
main87050-77020i201012
87128GROMMET, HEATER
main87128-77010i201012
87130DBLOWER ASSY
main87130-30811i201012-201101
main87130-77020i201101
87139DELEMENT, AIR REFINER
main87139-30040i201012-201212
87211XBLOWER COVER
main87211-77170i201012
87417APACKING, AIR DUCT
main87417-77010i201012
87417BPACKING, AIR DUCT
main87417-77020i201012
87417CPACKING, AIR DUCT
main87417-77030i201012
88539JHOSE, DRAIN COOLER
main88539-77030i201012
88650CAMPLIFIER SUB-ASSY, AIRCONDITIONER
main88650-77010i201012
88688ZBRACKET
main88688-77200i201012
88897KGROMMET, (FOR COOLER PIPE)
main88897-77190i201012
88899KPLATE, COVER
main88899-77230i201012
88899LPARTS, COOLING UNIT
main88899-3A080i201012
9009900149
9009914119
9009914120
9009914121
9011906952
9015950327
9015960383
9017906282
9415180641

24 parts on this diagram · 1 diagram in section

HEATING & AIR CONDITIONING - COOLER UNIT — Toyota Parts Diagram with OEM Numbers & Prices | EPC Data