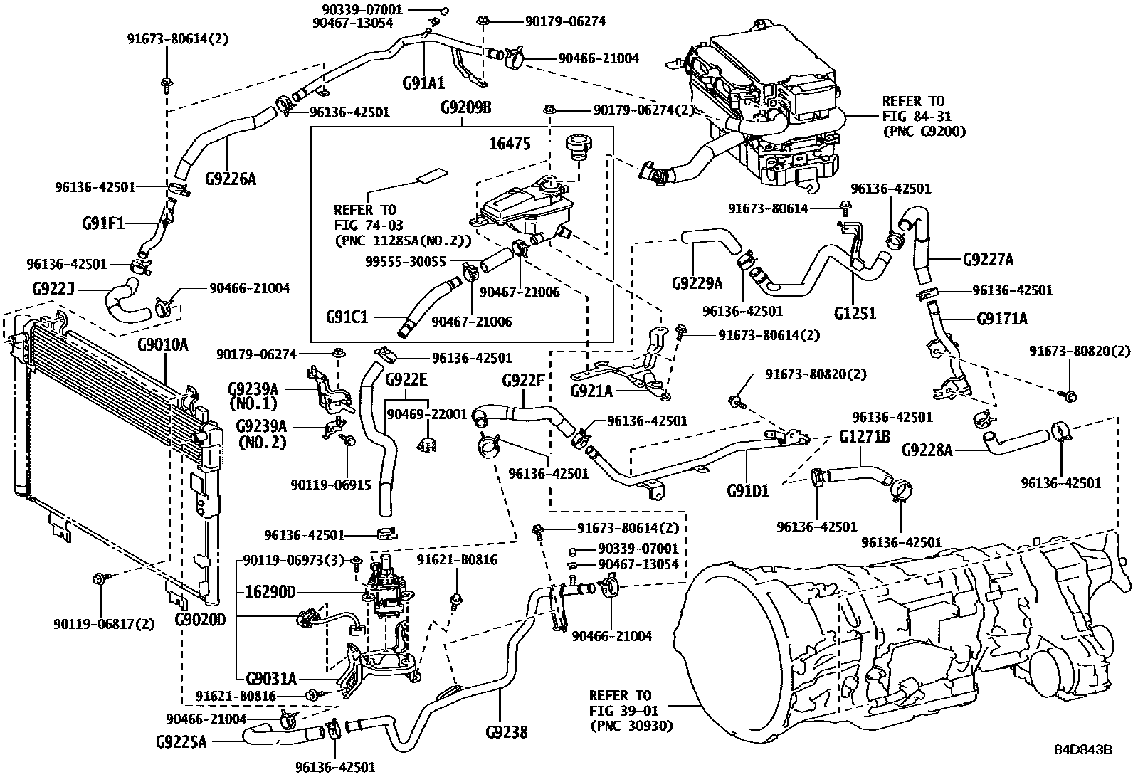
INVERTER COOLING

16290DPUMP ASSY, WATER W/MOTOR
16475CAP, RESERVE TANK
3901TRANSAXLE ASSY(HEV OR BEV OR FCEV)
7403CAUTION PLATE (EXTERIOR & INTERIOR)
8431HEV INVERTER
G1251PIPE, MOTOR COOLING, NO.1
G1271BHOSE, MOTOR COOLING, NO.1
G9020DPUMP ASSY, WATER W/MOTOR & BRACKET
G9031ABRACKET SUB-ASSY, HV WATER PUMP
G9171APIPE, INVERTER COOLING, NO.1
G91A1PIPE, INVERTER COOLING, INLET
G91C1PIPE, HV WATER PUMP INLET
G91D1PIPE, HV WATER PUMP OUTLET, NO.1
G91F1PIPE, HV RADIATOR OUTLET
G9209BTANK SUB-ASSY, INVERTER RESERVE
G921ABRACKET, INVERTER RESERVE TANK, NO.1
G9225AHOSE, INVERTER COOLING, NO.7
G9226AHOSE, INVERTER COOLING, NO.2
G9227AHOSE, INVERTER COOLING, NO.3
G9228AHOSE, INVERTER COOLING, NO.4
G9229AHOSE, INVERTER COOLING, NO.5
G922EHOSE, HYBRID WATER PUMP INLET
G922FHOSE, HYBRID WATER PUMP OUTLET, NO.1
G922JHOSE, HYBRID RADIATOR OUTLET
G9238PIPE, INVERTER COOLING
9011906817
main90119-06817
9011906915
main90119-06915
9011906973
main90119-06973
9017906274
main90179-06274
9033907001
main90339-07001
9046621004
main90466-21004
9046713054
main90467-13054
9046721006
main90467-21006
9046922001
main90469-22001
91621B0816
main91621-B0816
9167380614
main91673-80614
9167380820
main91673-80820
9613642501
main96136-42501
9955530055
main99555-30055
41 parts on this diagram · 1 diagram in section