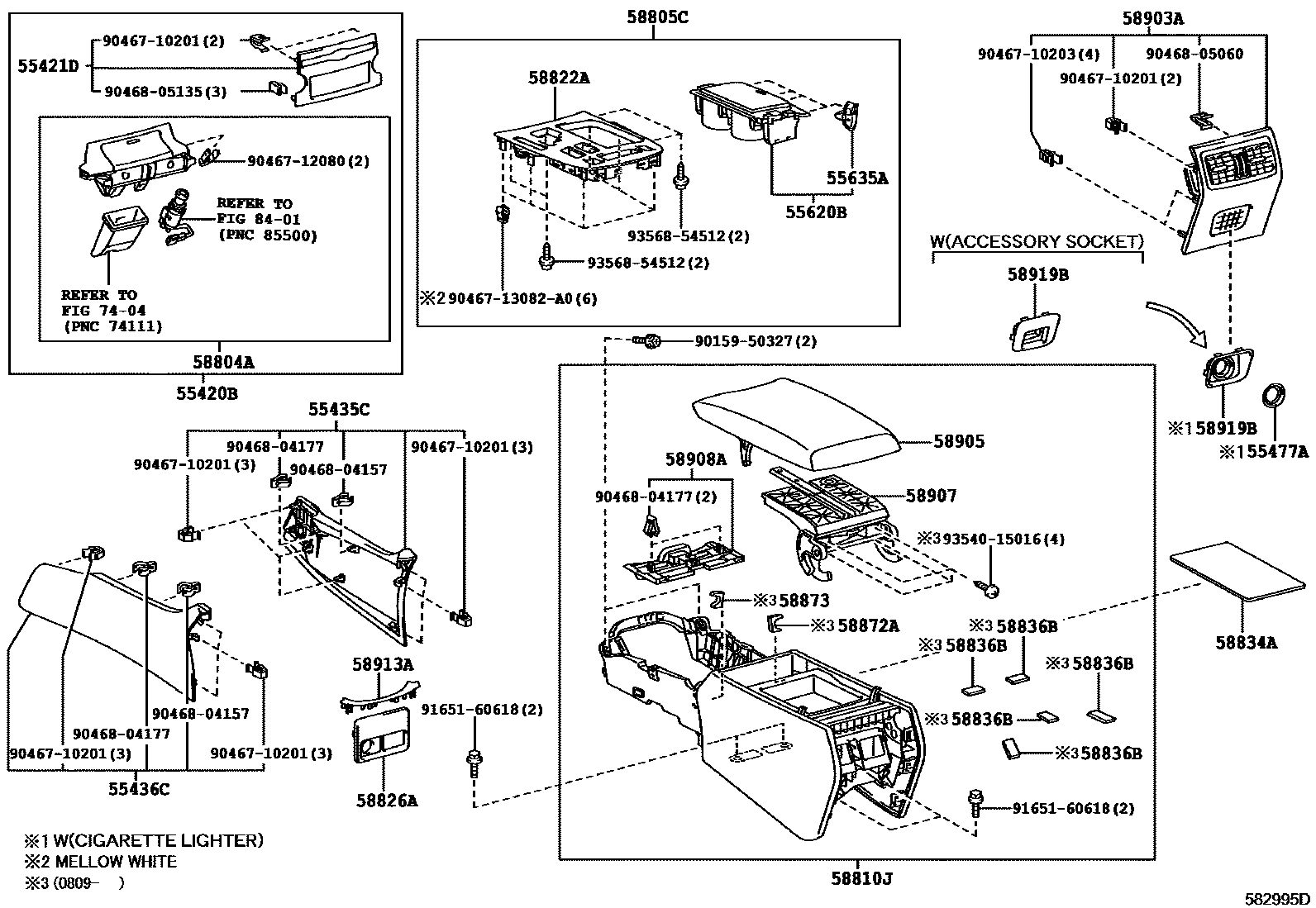
CONSOLE BOX & BRACKET

55420BPANEL ASSY, INSTRUMENT CLUSTER FINISH, CENTER NO.1
55421DPANEL, INSTRUMENT CLUSTER FINISH, UPPER
GRAY,TRIM1#
DK.BROWN,TRIM01,05
BROWN,TRIM00,2#
GRAY,TRIM1#
SILVER,TRIM05
BROWN,TRIM02,2#
DK.BROWN,TRIM07
55435CPANEL, INSTRUMENT PANEL FINISH, END RH
IVORY,TRIM00
MELLOW WHITE,TRIM01,05
LT.GRAY,TRIM1#
BLACK,TRIM2#
MELLOW WHITE,TRIM05,07
IVORY,TRIM02
LT.GRAY,TRIM1#
BLACK,TRIM2#
55436CPANEL, INSTRUMENT PANEL FINISH, END LH
IVORY,TRIM00
MELLOW WHITE,TRIM01,05
LT.GRAY,TRIM1#
BLACK,TRIM2#
MELLOW WHITE,TRIM05,07
IVORY,TRIM02
LT.GRAY,TRIM1#
BLACK,TRIM2#
55477ABEZEL, CIGARETTE LIGHTER HOLE
55620BHOLDER, INSTRUMENT PANEL CUP
GRAY,TRIM1#
SILVER,TRIM05
BROWN,TRIM02,2#
BROWN,TRIM07
55635ASUPPORT, INSTRUMENT PANEL CUP HOLDER, NO.2
sub55635-50021
58804APANEL SUB-ASSY, CONSOLE, UPPER
GRAY,TRIM1#
DK.BROWN,TRIM01,05
BROWN,TRIM00,2#
GRAY,TRIM08,1#,21
SILVER,TRIM05
BROWN,TRIM02,20
DK.BROWN,TRIM07
58805CPANEL SUB-ASSY, CONSOLE, UPPER REAR
GRAY,TRIM1#
SILVER,TRIM05
BROWN,TRIM02,2#
BROWN,TRIM07
58810JBOX ASSY, CONSOLE
IVORY,TRIM00
MELLOW WHITE,TRIM01,05
LT.GRAY,TRIM1#
BLACK,TRIM2#
MELLOW WHITE,TRIM05,07
IVORY,TRIM02
LT.GRAY,TRIM1#
BLACK,TRIM2#
MELLOW WHITE,TRIM05,07
IVORY,TRIM02
LT.GRAY,TRIM1#
BLACK,TRIM2#
58822APANEL, CONSOLE, UPPER REAR
GRAY,TRIM1#
SILVER,TRIM05
BROWN,TRIM02,2#
BROWN,TRIM07
58826APOCKET, CONSOLE BOX, LOWER
58834ACOVER, CONSOLE, LOWER
58836BPAD, CONSOLE BOX SILENCER, NO.1
58872ACUSHION, CONSOLE BOX, NO.2
58873CUSHION, CONSOLE BOX, NO.3
58903APANEL SUB-ASSY, CONSOLE REAR END
58905DOOR SUB-ASSY, CONSOLE COMPARTMENT
NEW IVORY,TRIM00
MELLOW WHITE,TRIM01,05
LT.GRAY,TRIM1#
BLACK,TRIM2#
MELLOW WHITE,TRIM05,07
IVORY,TRIM02
LT.GRAY,TRIM1#
BLACK,TRIM2#
58907HINGE SUB-ASSY, CONSOLE COMPARTMENT DOOR
58908ALOCK SUB-ASSY, CONSOLE COMPARTMENT DOOR
IVORY,TRIM00
MELLOW WHITE,TRIM01,05,07,08
MELLOW WHITE,TRIM01,05
IVORY,TRIM00,02,06
WATER WHITE,TRIM14,15
LT.GRAY,TRIM1#
LT.GRAY,TRIM10,11
BLACK,TRIM2#
MELLOW WHITE,TRIM05,07
IVORY,TRIM02
LT.GRAY,TRIM1#
BLACK,TRIM2#
58913APANEL, BOX, NO.3
58919BPLATE, CONSOLE BOX
7404
8401
9015950327
main90159-50327
9046710201
main90467-10201
9046710203
main90467-10203
9046712080
main90467-12080
9046713082A0
main90467-13082A0
9046804157
main90468-04157
9046804177
main90468-04177
9046805060
main90468-05060
9046805135
main90468-05135
9165160618
main91651-60618
9354015016
main93540-15016
9356854512
main93568-54512
36 parts on this diagram · 7 diagrams in section