E
EPC Data

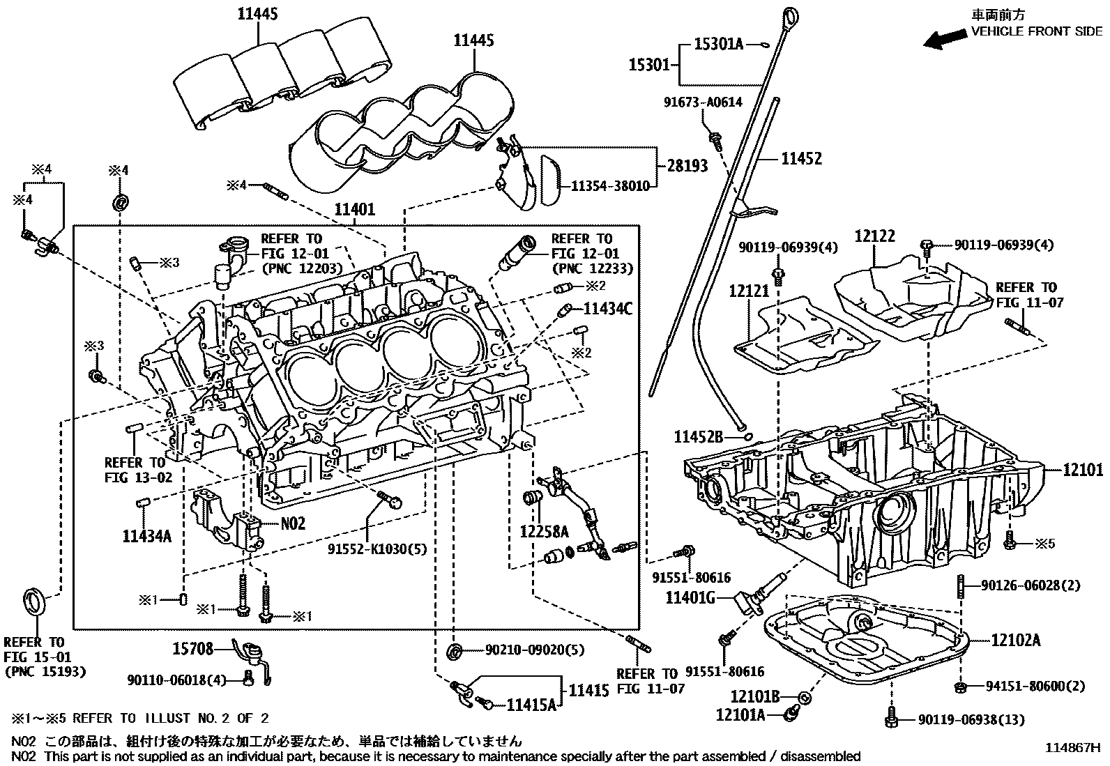
CYLINDER BLOCK

Parts diagram
11401BLOCK SUB-ASSY, CYLINDER
main11401-80765i200704-200809
main11401-80787i201003
11401GSENSOR, CRANK POSITION
main90919-05071i200704-200809
11415COCK SUB-ASSY, WATER DRAIN(FOR CYLINDER BLOCK)
main90910-09129×2i200809-200911
11415APLUG, WATER DRAIN COCK(FOR CYLINDER BLOCK)
main90910-09087×2i200704-200809
11434APIN, STRAIGHT(FOR TIMING GEAR COVER SET)
main90250-04097×2i200704-200809
L=12,OD=4.0
11434CPIN, STRAIGHT (FOR CYLINDER HEAD SET)
main90250-08120×4i200704-200809
L=18,OD=8
11445SPACER, CYLINDER BLOCK WATER JACKET
main11445-38010×2i200704-200809
11452GUIDE, OIL LEVEL GAGE
main11452-38050i200809-200911
11452BRING, O(FOR OIL LEVEL GAGE GUIDE)
main90301-09028i200704-200809
1201VENTILATION HOSE
12101PAN SUB-ASSY, OIL
main12101-38090i200704-200809
12101APLUG(FOR OIL PAN DRAIN)
main90341-12012i200704-200809
12101BGASKET(FOR OIL PAN DRAIN PLUG)
main90430-12031i200704-200809
12102APAN SUB-ASSY, OIL, NO.2
main12102-38030i200704-200803
main12102-38031i200803-200809
12121PLATE, OIL PAN BAFFLE, NO.1
main12121-38090i200704-200809
12122PLATE, OIL PAN BAFFLE, NO.2
main12122-38010i200704-200809
12258AGASKET, OIL RETURN PIPE
main12269-38010i200704-200809
1302CAMSHAFT & VALVE
1501ENGINE OIL PUMP
15301GAGE SUB-ASSY, OIL LEVEL
main15301-38070i200704-200809
15301ARING, O(FOR OIL LEVEL GAGE)
main96741-19005i200704-200809
15708NOZZLE SUB-ASSY, OIL, NO.1
main15708-38020×4i200704-200809
28193INSULATOR, STARTER HOLE
main28193-38011i200704-200809
1135438010SEAL, FLYWHEEL HOUSING DUST
9011006018
9011906938
9011906939
9012606028
9021009020
9155180616
91552K1030
91673A0614
9415180600

34 parts on this diagram · 2 diagrams in section

CYLINDER BLOCK — Toyota Parts Diagram with OEM Numbers & Prices | EPC Data