E
EPC Data

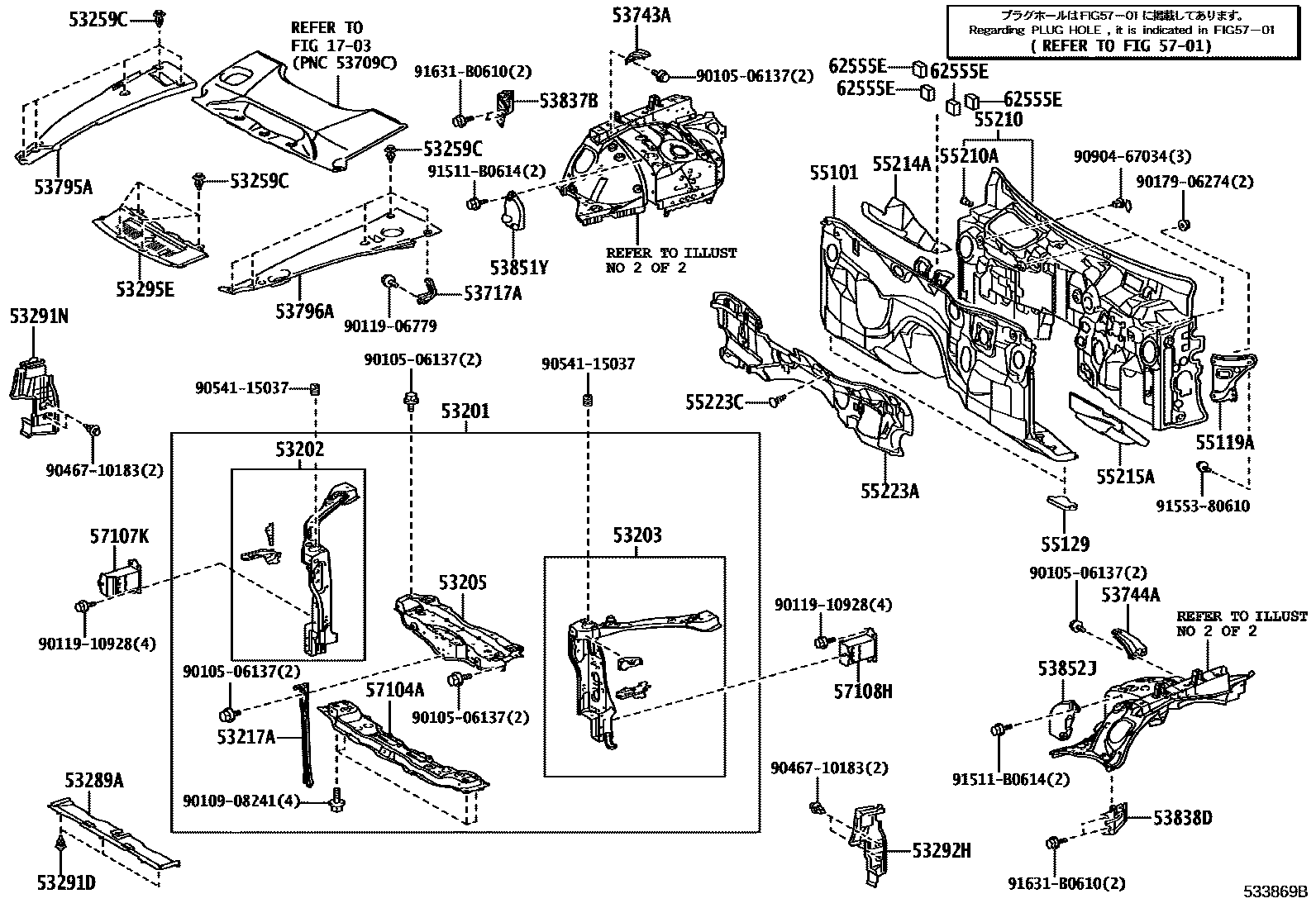
FRONT FENDER APRON & DASH PANEL

Parts diagram
53201SUPPORT SUB-ASSY, RADIATOR
main53201-50090i201209
53202SUPPORT SUB-ASSY, RADIATOR, RH
main53202-50902i201209-201303
main53202-50903i201303
53203SUPPORT SUB-ASSY, RADIATOR, LH
main53203-50902i201209
53205SUPPORT SUB-ASSY, RADIATOR, UPPER
main53216-50060i201209
53217ABRACE, HOOD LOCK SUPPORT
main53205-50070i201209
53259CCLIP, RADIATOR SUPPORT TO FRAME SEAL
main90467-07211×14i201209-201210
main90467-07217×14i201211
53289ACOVER, RADIATOR SUPPORT OPENING
main53289-50070i201209
53291DCLIP, RADIATOR SUPPORT TO FRAME
main90467-07201×3i201209
53291NSEAL, RADIATOR SUPPORT TO FRAME, RH
main53291-50070i201209
53292HSEAL, RADIATOR SUPPORT TO FRAME, LH
main53292-50070i201209
53295ESEAL, COOL AIR INTAKE DUCT
main53295-50040i201209
53717APLATE, FENDER APRON
main53717-50030i201209
53743AREINFORCEMENT, FRONT FENDER APRON, FRONT RH
main53743-50050i201209
53744AREINFORCEMENT, FRONT FENDER APRON, FRONT LH
main53744-50050i201209
53795ACOVER, ENGINE ROOM, SIDE
main53795-50080i201209
53796ACOVER, ENGINE ROOM SIDE, LH
main53796-50050i201209
53837BBRACKET, FRONT SIDE PANEL, NO.2
main53837-50020i201209
53838DBRACKET, FRONT SIDE PANEL, NO.2 LH
main53838-50030i201209
53851YPAD, FRONT WHEEL OPENING EXTENSION, NO.1
main53853-50011i201209
53852JPAD, FRONT WHEEL OPENING EXTENSION, LH
main53855-50011i201209
55101PANEL SUB-ASSY, DASH
main55101-50100i201209
main55101-50120i201209
55119AEXTENSION, DASH PANEL, LH
main55119-50010i201209
55129COVER, DASH PANEL HOLE
main55129-50010i201209
RH
main55139-50020i201209
LH
55210INSULATOR ASSY, DASH PANEL
main55210-50140i201209-201511
main55210-50141i201512
55210ACLIP
main90467-13079×4i201209
55214APAD, DASH PANEL INSULATOR, NO.2
main55214-50100i201209
55215APAD, DASH PANEL INSULATOR, NO.3
main55215-50050i201209-201309
main55215-50070i201309
55223AINSULATOR, DASH PANEL, OUTER
main55223-50091i201209-201302
main55223-50092i201303-201512
main55223-50093i201601
55223CCLIP
main90467-06020-C0i201209-201708
BLACK
5701HOLE PLUG
57104AMEMBER SUB-ASSY, FRONT CROSS
main57104-50090i201209
57107KREINFORCE SUB-ASSY, FRONT BUMPER MOUNTING, RH
main57107-50031i201209
57108HREINFORCE SUB-ASSY, FRONT BUMPER MOUNTING, LH
main57107-50031i201209
62555EPAD, PILLAR, NO.5
main62555-89101×4i201209
9010506137
9010908241
9011906779
9011910928
9017906274
9046710183
9054115037
9090467034
91511B0614
9155380610
91631B0610

45 parts on this diagram · 2 diagrams in section

FRONT FENDER APRON & DASH PANEL — Toyota Parts Diagram with OEM Numbers & Prices | EPC Data