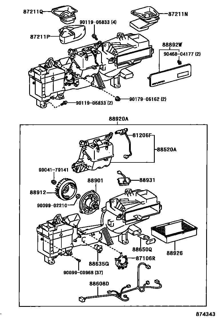
AIR PURIFIER OR ION GENERATOR

81206FLAMP SUB-ASSY, COOLING BOX
87106RSERVO SUB-ASSY, DAMPER
87211NDUCT, AIR PURIFIER AIR, NO.1
87211PDUCT, AIR PURIFIER AIR, NO.2
87211QDUCT, AIR PURIFIER AIR, NO.3
88520ABOX ASSY, COOLING
88608DHARNESS SUB-ASSY, WIRING AIR INDICATER, NO.2
88635GRESISTOR, AIR PURIFIER BLOWER
88650QAMPLIFIER ASSY, AIR CODITIONER
88892WCOVER, AIR PURIFIER
BLACK,TRIM03,04,05,1#,20,27,29
88901MOTOR SUB-ASSY, AIR PURIFIER
88912FAN, AIR PURIFIER
88920APURIFIER ASSY, AIR
88926FILTER, AIR PURIFIER
88931SENSOR, SMOKE
9004179141
main90041-79141
9009900968
main90099-00968
9009902210
main90099-02210
9011906833
main90119-06833
9017906162
main90179-06162
9046804177
main90468-04177
21 parts on this diagram · 1 diagram in section