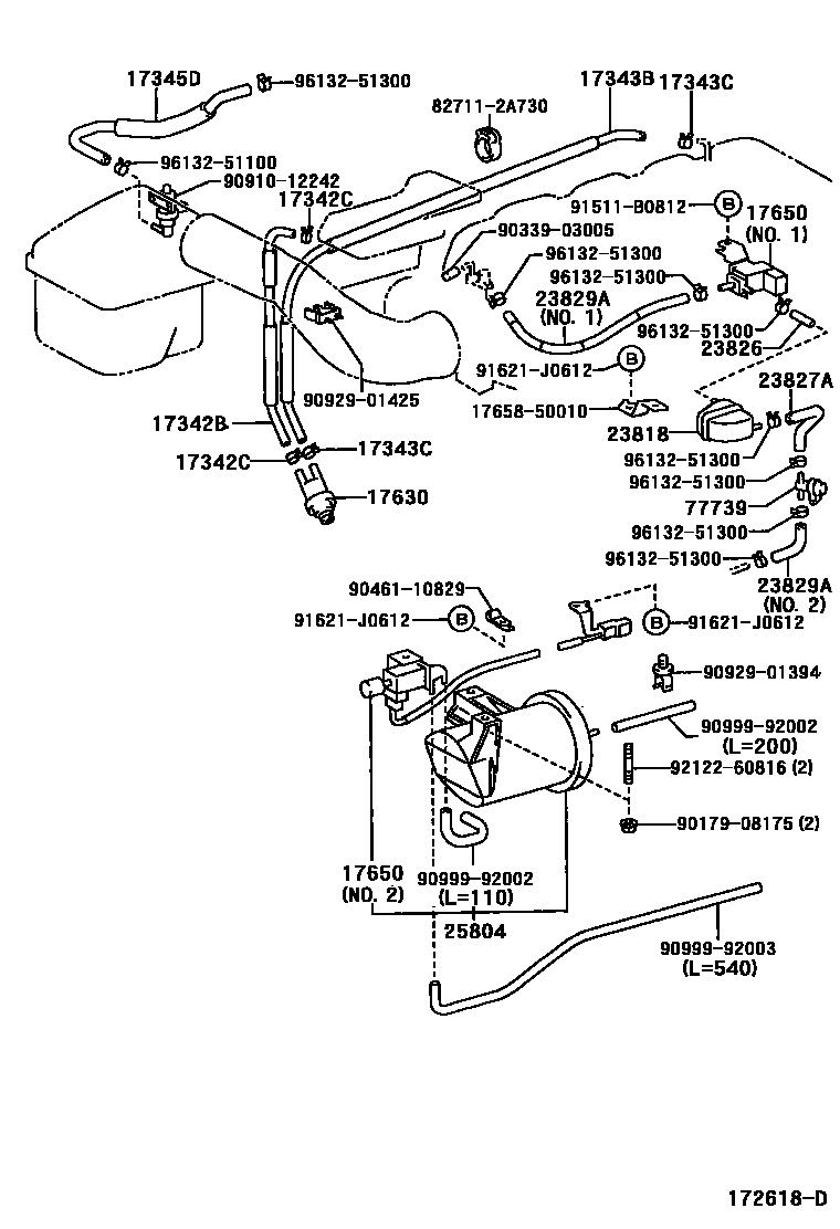
VACUUM PIPING

17342BHOSE, NO.2(FOR IDLE-UP)
17343BHOSE, NO.3(FOR IDLE-UP)
17345DHOSE, AIR, NO.5
17630VALVE ASSY, AIR CONTROL
17650VALVE ASSY, VACUUM SWITCHING
NO.1
NO.2
NO.1
23818PIPE, FUEL VAPOR FEED
23826HOSE, FUEL VAPOR FEED, NO.1
TYPE A:REFER ILLUST.
TYPE B:REFER ILLUST.
23827AHOSE, FUEL VAPOR FEED, NO.2
23829AHOSE, FUEL VAPOR FEED
NO.1
NO.2
NO.2
25804VALVE SET, VACUUM CONTROL
77739VALVE, EVAP SERVICE PORT
1765850010BRACKET, VACUUM HOSE CLAMP
main17658-50010
827112A730WIRE, FUSE TO FUSE(FOR COMBUSTION HEATER)
main82711-2A730
9017908175
main90179-08175
9033903005
main90339-03005
9046110829
main90461-10829
9091012242
main90910-12242
9092901394
main90929-01394
9092901425
main90929-01425
9099992002
main90999-92002
9099992003
main90999-92003
91511B0812
main91511-B0812
91621J0612
main91621-J0612
9212260816
main92122-60816
9613251100
main96132-51100
9613251300
main96132-51300
28 parts on this diagram · 2 diagrams in section