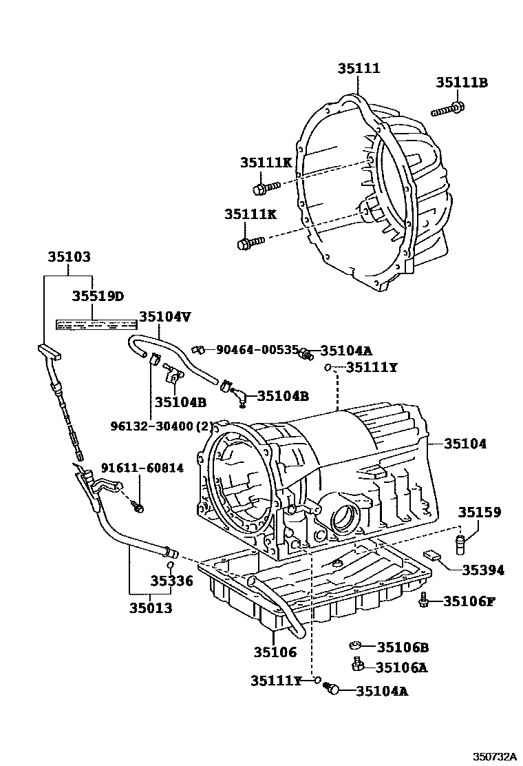
TRANSMISSION CASE & OIL PAN (ATM)

35013TUBE SUB-ASSY, TRANSMISSION OIL FILLER
35103GAGE SUB-ASSY, TRANSMISSION OIL LEVEL
35104CASE SUB-ASSY, AUTOMATIC TRANSMISSION
35104APLUG, AUTOMATIC TRANSMISSION CASE
35104BPLUG, BREATHER, NO.1 (ATM)
MISSION CASE SIDE
BODY SIDE
35104VHOSE (FOR BREATHER PLUG)
35106PAN SUB-ASSY, AUTOMATIC TRANSMISSION OIL
35106APLUG SUB-ASSY, DRAIN (ATM)
35106BGASKET, DRAIN PLUG (ATM)
35106FBOLT (FOR AUTOMATIC TRANSMISSION OIL PAN)
NO.2
35111HOUSING, AUTOMATIC TRANSMISSION
35111BBOLT (FOR TRANSMISSION HOUSING & ENGINE SETTING)
*10-1.25PX95-50
*10-1.25PX45-30
*12-1.25PX50-30
35111KBOLT (FOR TRANSMISSION HOUSING & CASE SETTING)
*10-1.5PX35-30
*12-1.25PX80-30
*12-1.75PX45-30
35111YRING, O (FOR AUTOMATIC TRANSMISSION CASE)
35336RING, O (FOR TRANSMISSION OIL FILLER TUBE)
35394MAGNET, OIL CLEANER (FOR TRANSMISSION)
35519DLABEL, AUTOMATIC TRANSMISSION INFORMATION
9046400535
main90464-00535
9161160814
main91611-60814
9613230400
main96132-30400
21 parts on this diagram · 2 diagrams in section