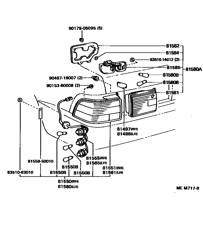
REAR COMBINATION LAMP

81497COVER, REAR COMBINATION LAMP, RH
81498COVER, REAR COMBINATION LAMP, LH
81550LAMP ASSY, REAR COMBINATION, RH
81550BBULB(FOR REAR COMBINATION LAMP)
12V 27W
12V 27/8W
81551LENS, REAR COMBINATION LAMP, RH
81555SOCKET & WIRE SUB-ASSY, REAR COMBINATION LAMP, RH
81560LAMP ASSY, REAR COMBINATION, LH
81561LENS, REAR COMBINATION LAMP, LH
81565SOCKET & WIRE SUB-ASSY, REAR COMBINATION LAMP, LH
81580BBULB (FOR REAR LAMP)
12V 27W
12V 27/8W
81584PACKING, REAR LAMP RH
81585SOCKET & WIRE, REAR LAMP
RH
LH
8155950010MOULDING, REAR COMBINATION LAMP, RH
main81559-50010
9015360008
main90153-60008
9017905095
main90179-05095
9046718007
main90467-18007
9351014012
main93510-14012
9351063010
main93510-63010
21 parts on this diagram · 1 diagram in section