E
EPC Data

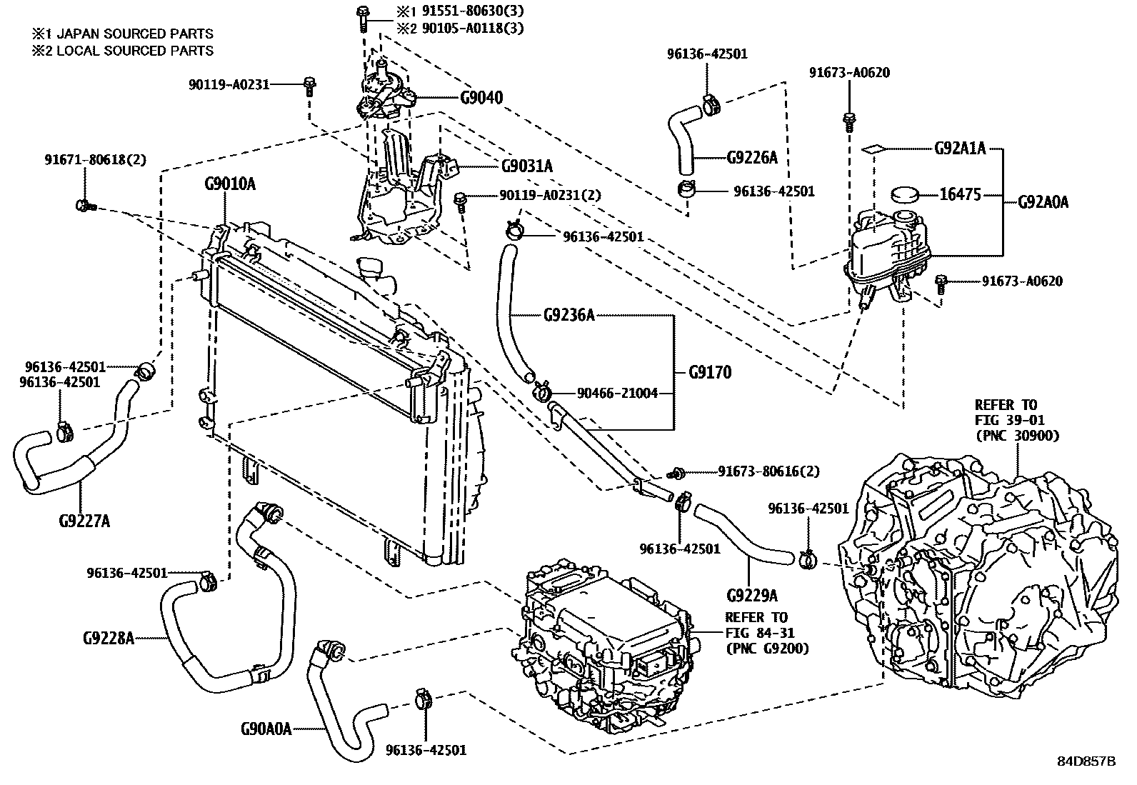
INVERTER COOLING

Parts diagram
16475CAP, RESERVE TANK
main16475-28140i201606
main16475-51010i201211-201510
3901
8431
G9010ARADIATOR ASSY
mainG901033030i201211-201507
mainG901033031i201508-201510
G9031ABRACKET SUB-ASSY, HV WATER PUMP
mainG903133030i201211-201510
G9040INVERTER WATER PUMP ASSY(W/MOTOR)
mainG904033030i201211-201510
G90A0AHOSE ASSY, INVERTER COOLING, NO.1
mainG90A006010i201211-201510
G9170PIPE ASSY, INVERTER COOLING NO.1
mainG917006010i201211-201510
(L)
mainG917033010i201211-201510
(J)
G9226AHOSE, INVERTER COOLING, NO.2
mainG922606010i201211-201510
G9227AHOSE, INVERTER COOLING, NO.3
mainG922706010i201211-201510
G9228AHOSE, INVERTER COOLING, NO.4
mainG90D006010i201211-201510
G9229AHOSE, INVERTER COOLING, NO.5
mainG922906010i201211-201510
G9236AHOSE, INVERTER COOLING, NO.6
mainG923606010i201211-201510
(L)
mainG923633010i201211-201510
(J)
G92A0ATANK ASSY, INVERTER RESERVE
mainG92A006010i201211-201510
G92A1ALABEL, HYBRID COOLANT SYSTEM INFORMATION
mainG92A148010i201211-201510
90105A0118
90119A0231
9046621004
9155180630
9167180618
9167380616
91673A0620
9613642501

23 parts on this diagram · 1 diagram in section

INVERTER COOLING — Toyota Parts Diagram with OEM Numbers & Prices | EPC Data