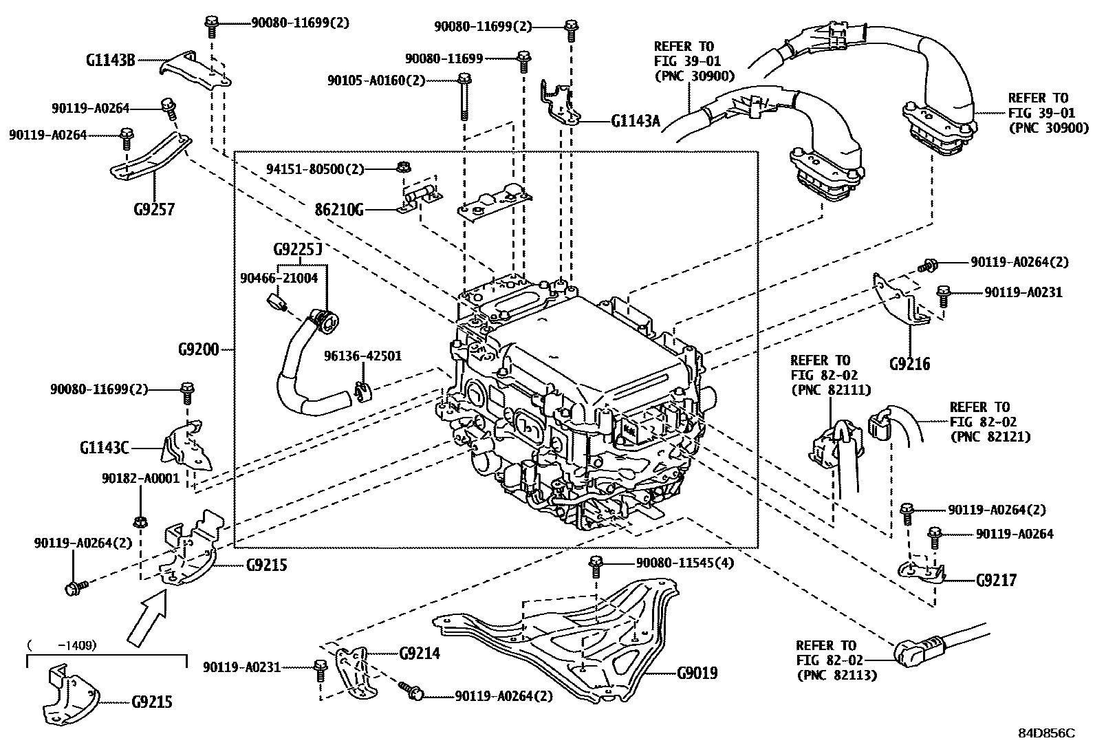
HEV INVERTER

3901TRANSAXLE ASSY(HEV OR BEV OR FCEV)
8202WIRING & CLAMP
86210GFUSE, HIGH VOLTAGE
G1143ABRACKET, MOTOR CABLE, NO.1
G1143BBRACKET, MOTOR CABLE, NO.2
G1143CBRACKET, MOTOR CABLE, NO.3
G9019BRACKET SUB-ASSY, INVERTER TRAY
G9214BRACKET, INVERTER, NO.1
G9216BRACKET, INVERTER, NO.3
G9217BRACKET, INVERTER, NO.4
G9225JHOSE, INVERTER COOLING, NO.1
G9257BRACKET, INVERTER, NO.5
9008011545
main90080-11545
9008011699
main90080-11699
90105A0160
main90105-A0160
90119A0231
main90119-A0231
90119A0264
main90119-A0264
90182A0001
main90182-A0001
9046621004
main90466-21004
9415180500
main94151-80500
9613642501
main96136-42501
23 parts on this diagram · 1 diagram in section