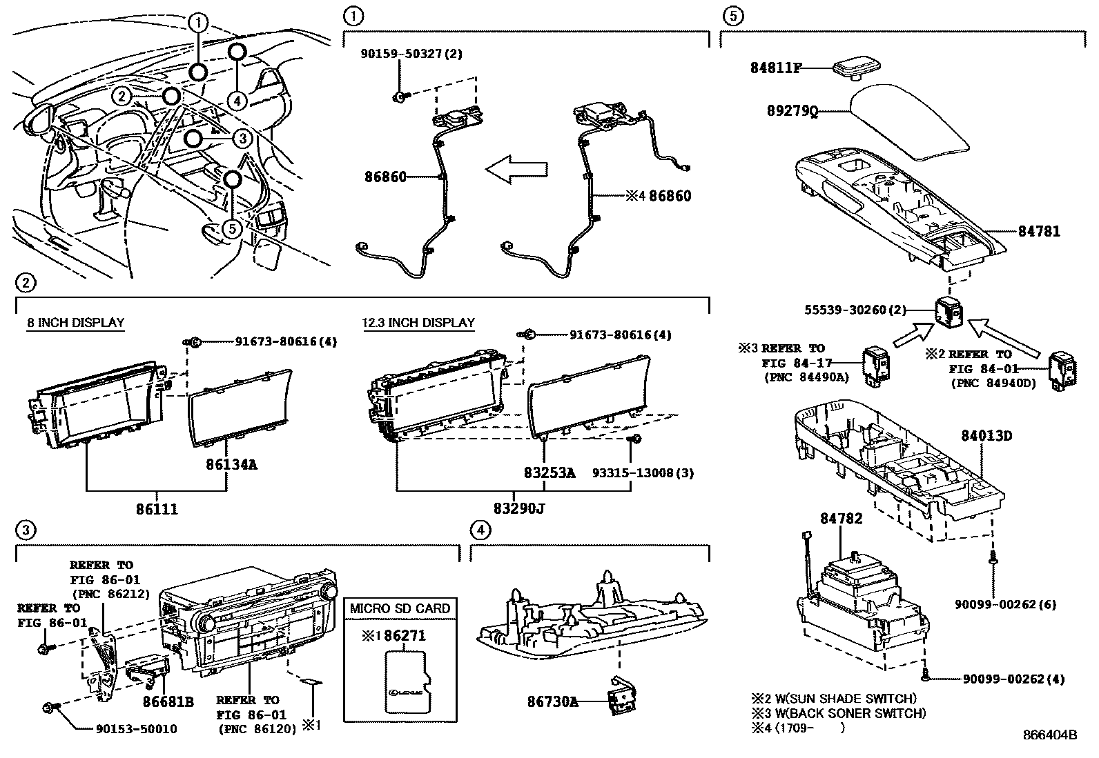
NAVIGATION & FRONT MONITOR DISPLAY

83253AGLASS, ACCESSORY METER
EMV & NAVIGATION SYSTEM-12.3INCH DISPLAY
83290JMETER ASSY, ACCESSORY
EMV & NAVIGATION SYSTEM-12.3INCH DISPLAY
KOREA SPEC&EMV & NAVIGATION SYSTEM-12.3INCH DISPLAY
8401
84013DPANEL SUB-ASSY, INTEGRATION
8417
84781SWITCH, REMOTE OPERATION
EMV & NAVIGATION SYSTEM-12.3INCH DISPLAY
KOREA SPEC&EMV & NAVIGATION SYSTEM-8INCH DISPLAY
84782BOARD, REMOTE OPERATION
84811FKNOB, SWITCH
8601
86111MULTI-DISPLAY
PIONEER
PIONEER
86134APARTS, MULTI-DISPLAY
86271DISC, DISC PLAYER
CANADA SPEC&EMV & NAVIGATION SYSTEM-12.3INCH DISPLAY,MICRO SD CARD
AUDIO-17SPEAKER & *MAR & NAVIGATION & SDARS&EMV & NAVIGATION SYSTEM-12.3INCH DISPLAY,MICRO SD CARD
CANADA SPEC&EMV & NAVIGATION SYSTEM-12.3INCH DISPLAY,MICRO SD CARD
AUDIO-17SPEAKER & *MAR & NAVIGATION & SDARS&EMV & NAVIGATION SYSTEM-12.3INCH DISPLAY,MICRO SD CARD
sub86271-48323
CANADA SPEC&EMV & NAVIGATION SYSTEM-12.3INCH DISPLAY,MICRO SD CARD
HAWAII SPEC&AUDIO-17SPEAKER & *MAR&EMV & NAVIGATION SYSTEM-12.3INCH DISPLAY,MICROSD CARD
86681BDIVIDER, ANTENNA
86730AMICROPHONE ASSY, TELEPHONE
86860ANTENNA ASSY, NAVIGATION
CANADA SPEC
CANADA SPEC
89279QCOVER
5553930260COVER, SPARE SWITCH HOLE
main55539-30260
9009900262
main90099-00262
9015350010
main90153-50010
9015950327
main90159-50327
9167380616
main91673-80616
9331513008
main93315-13008
22 parts on this diagram · 2 diagrams in section