E
EPC Data

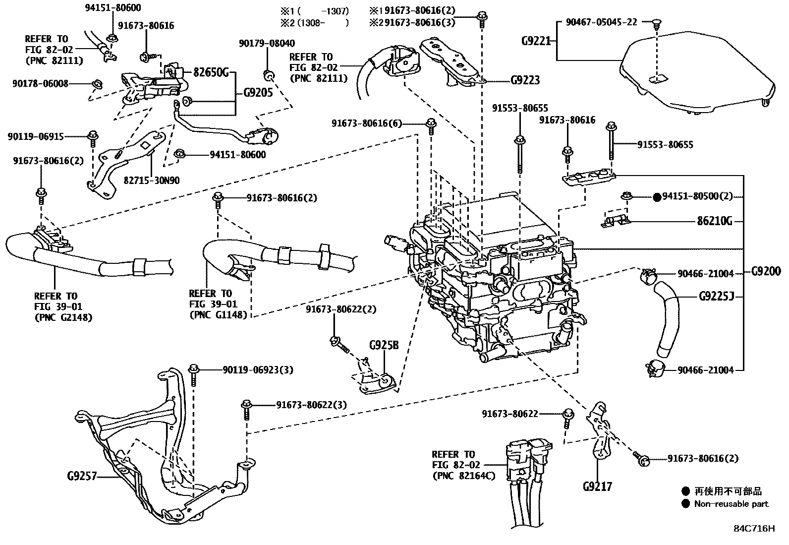
HEV INVERTER

Parts diagram
3901TRANSAXLE ASSY(HEV OR BEV OR FCEV)
8202WIRING & CLAMP
82650GBLOCK ASSY, TERMINAL
main82650-30030i201203-201809
86210GFUSE, HIGH VOLTAGE
main90982-11050i201203-201809
G9200INVERTER ASSY, W/CONVERTER
mainG92A030020i201203-201308
mainG92A030021i201309-201809
G9205PLATE SUB-ASSY, INVERTER BUS-BAR
mainG920530030i201203-201809
G9217BRACKET, INVERTER, NO.4
mainG921730040i201203-201809
G9221COVER, INVERTER
mainG913030020i201203-201307
mainG913030021i201308-201504
mainG913030022i201505-201809
G9223COVER, INVERTER TERMINAL
mainG922330020i201203-201307
mainG922330021i201308-201809
G9225JHOSE, INVERTER COOLING, NO.1
mainG922530210i201203-201809
G9257BRACKET, INVERTER, NO.5
mainG925730060i201203-201809
G925BBRACKET, INVERTER, NO.6
mainG925B30040i201203-201809
8271530N90BRACKET,WIRING HARNESS CLAMP
9011906915
9011906923
9017806008
9017908040
9046621004
904670504522
9155380655
9167380616
9167380622
9415180500
9415180600

24 parts on this diagram · 1 diagram in section

HEV INVERTER — Toyota Parts Diagram with OEM Numbers & Prices | EPC Data