E
EPC Data

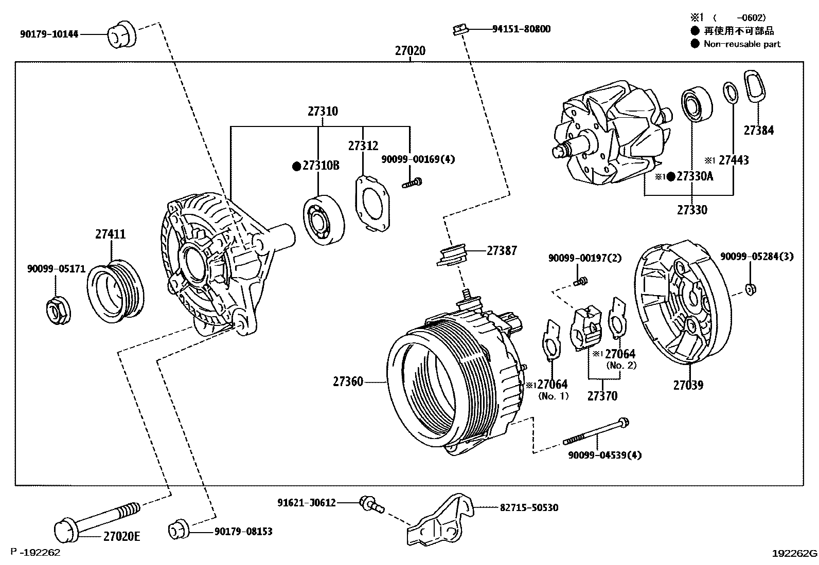
ALTERNATOR

Parts diagram
27020ALTERNATOR ASSY
main27060-31060i200501-200705
12V 150A
main27060-31061i200706-200810
12V 150A
main27060-31062i200811
12V 150A
main27060-38060i200709
12V 180A
main27060-50340i200501-200709
12V 130A
27020EBOLT(FOR ALTERNATOR)
main90105-10557i200709
main90119-10791i200501-200709
main91552-81070i200501-200709
27039COVER, ALTERNATOR REAR END
main27039-27060i200501-200906
main27039-30080i200501-200602
main27039-31390i200906
main27039-38130i200709
main27039-50370i200602-200707
main27039-50430i200708-200709
27064SEAL, ALTERNATOR PLATE
main27064-20130i200501-200602
NO.2
main27064-42010i200501-200602
NO.1
27310FRAME ASSY, DRIVE END, ALTERNATOR
main27310-31220i200501-200709
main27310-38130i200709
main27310-50310i200501-200709
27310BBEARING(FOR ALTERNATOR DRIVE END FRAME)
main90099-10142i200501-200612
main90099-10223i200612-200709
main90099-10226i200709
27312PLATE, RETAINER
main27312-42010i200709
main27312-72100i200501-200709
27330ROTOR ASSY, ALTERNATOR
main27330-20130i200501-200602
main27330-33090i200602-200709
main27330-38130i200709-200805
main27330-38140i200805
main27330-58460i200501-200709
27330ABEARING(FOR ALTERNATOR ROTOR)
main90099-10140i200501-200602
27360COIL ASSY, ALTERNATOR
main27360-31250i200501-200709
main27360-38150i200709
main27360-50290i200602-200709
main27360-50390i200501-200602
27370HOLDER ASSY, ALTERNATOR BRUSH
main27370-20130i200501-200602
main27370-31220i200501-200709
main27370-58460i200602-200709
27384WASHER
main27384-38130i200709
main27384-50030i200501-200709
27387INSULATOR, TERMINAL
main27387-20130i200501-200709
main27387-38130i200709
main27387-50310i200501-200709
27411PULLEY, ALTERNATOR
main27411-50030i200709
main27411-50050i200501-200709
27443COVER, ALTERNATOR BEARING
main27443-63020i200501-200602
8271550530BRACKET,WIRING HARNESS CLAMP
9009900169
9009900197
9009904539
9009905171
9009905284
9017908153
9017910144
91621J0612
9415180800

25 parts on this diagram · 3 diagrams in section

ALTERNATOR — Toyota Parts Diagram with OEM Numbers & Prices | EPC Data